- Partiron
- OEM Parts
- Yamaha
- waverunner
- 2012
- FA1800L (FX SHO) F2S4 2012
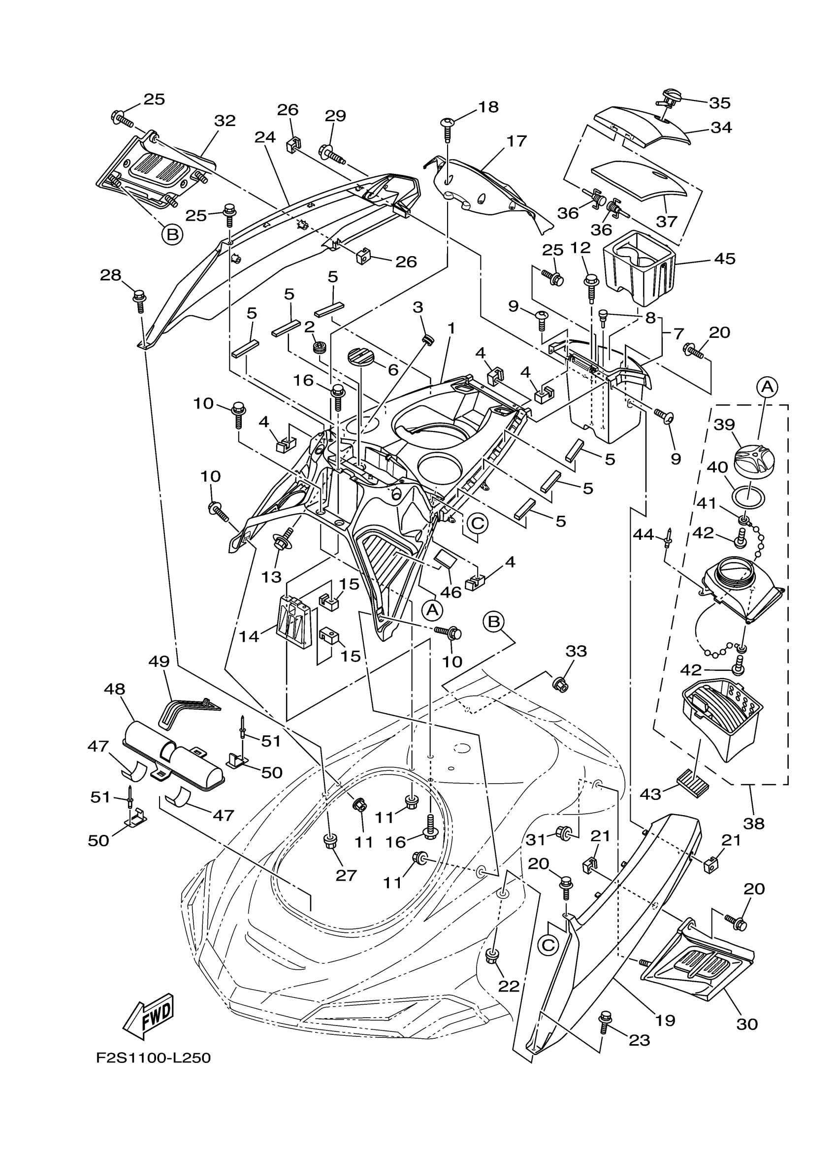
ENGINE HATCH 1
Yamaha FA1800L (FX SHO) F2S4 2012 ENGINE HATCH 1 Diagram
#
1
COVER, CENTER
F2S-U5554-02-00
Unavailable
2
. DAMPER 1
F1X-U828E-01-00
Unavailable
3
. GROMMET
90480-19800-00
Unavailable
4
NUT
F1X-U517E-01-00
Unavailable
6
MAT
F2S-U3844-00-00
Unavailable
7
GLOVE BOX HATCH ASSY.
F2S-U1708-02-00
Unavailable
8
. PLUG
90605-502U2-00
Unavailable
9
SCREW
F2N-67823-10-00
Unavailable
10
BOLT, WITH WASHER
90119-06880-00
Unavailable
11
NUT, LOCK
F2N-U142L-00-00
Unavailable
12
BOLT,WITH WASHER
90119-068B8-00
Unavailable
13
BOLT, WITH WASHER
90119-05803-00
Unavailable
14
HOOK,LID LOCK
F2S-U517F-00-00
Unavailable
15
NUT
F1X-U517E-01-00
Unavailable
16
BOLT, WITH WASHER
90119-06880-00
Unavailable
17
COVER METER (BMG)
F2S-U8262-01-P0
Unavailable
18
SCREW
F2S-U13C1-00-00
Unavailable
19
COVER,SIDE 1 (DRMR)
F2S-U377B-02-P2
Unavailable
19
COVER,SIDE 1 (BMG)
F2S-U377B-02-P3
Unavailable
20
BOLT, WITH WASHER
90119-06880-00
Unavailable
21
NUT
F1X-U517E-01-00
Unavailable
22
NUT, LOCK
F2N-U142L-00-00
Unavailable
23
BOLT, WITH WASHER
90119-06880-00
Unavailable
24
COVER,SIDE 2 (DRMR)
F2S-U377C-02-P2
Unavailable
24
COVER,SIDE 2 (BMG)
F2S-U377C-02-P3
Unavailable
25
BOLT, WITH WASHER
90119-06880-00
Unavailable
26
NUT
F1X-U517E-01-00
Unavailable
27
NUT, LOCK
F2N-U142L-00-00
Unavailable
28
BOLT, WITH WASHER
90119-06880-00
Unavailable
29
BOLT,WITH WASHER
90119-068B8-00
Unavailable
30
SIDE ORNAMENT ASSY 1
F2S-U370J-00-00
Unavailable
31
NUT, LOCK
F2N-U142L-00-00
Unavailable
32
SIDE ORNAMENT ASSY 2
F2S-U370K-00-00
Unavailable
33
NUT, LOCK
F2N-U142L-00-00
Unavailable
34
LID HATCH
F2S-U517H-00-00
Unavailable
35
LOCK
F1X-62875-01-00
Unavailable
36
PIN, HINGE
F1B-6517R-00-00
Unavailable
37
PACKING CASE
F2S-U519D-00-00
Unavailable
38
CASE ASSY 1
F2S-U591A-00-00
Unavailable
39
. CAP,CASE
F1W-U591C-01-00
Unavailable
40
. PACKING,CASE
F1W-U591D-00-00
Unavailable
41
. CHAIN BALL
F2S-U7835-01-00
Unavailable
42
. SCREW (FL66314300)
F2S-U316C-00-00
Unavailable
43
MAT 2
F1K-U759C-00-00
Unavailable
44
RIVET, BLIND
90267-48807-00
Unavailable
45
HOLDER, DRINK
F2S-U5633-00-00
Unavailable
46
MAT 2
GJ1-U759C-00-00
Unavailable
47
MAT 2
F1K-U759C-00-00
Unavailable
48
BOX, FIRE EXTINGUISHER
F1K-U5983-01-00
Unavailable
49
BAND 1
F2P-U828K-00-00
Unavailable
50
HOOK A
F1K-U5772-04-00
Unavailable
51
RIVET (EU0)
90267-48938-00
Unavailable
