- Partiron
- OEM Parts
- Yamaha
- waverunner
- 2015
- FA1800AP (FX CRUISER SHO) F2SK 2015
ELECTRICAL 2
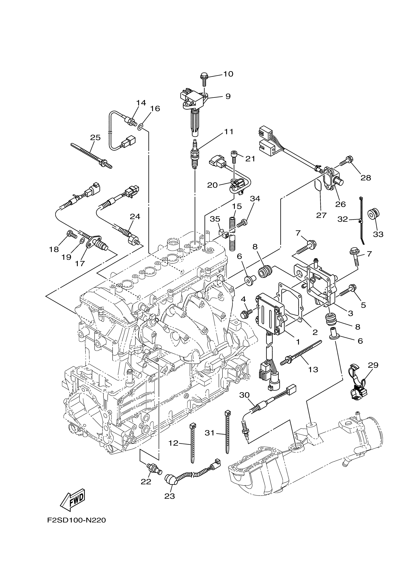
Yamaha FA1800AP (FX CRUISER SHO) F2SK 2015 ELECTRICAL 2 Diagram
#
1
RECTIFIER & REGULATOR ASSY
6S5-81960-11-00
Unavailable
2
PLATE, RECTIFIER FITTING
6S5-81975-00-00
Unavailable
3
COVER, RECTIFIER
6S5-81972-01-94
Unavailable
4
BOLT, WITH WASHER
90119-06MA3-00
Unavailable
5
BOLT, WITH WASHER
90119-06048-00
Unavailable
6
COLLAR
90387-08M37-00
Unavailable
7
BOLT, WITH WASHER
90119-08187-00
Unavailable
8
GROMMET
90480-22M15-00
Unavailable
11
PLUG, SPARK (NGK LFR6A-00)
LFR-6A000-00-00
Unavailable
12
CLAMP
90465-13M18-00
Unavailable
13
CLAMP
90464-20005-00
Unavailable
14
THERMOSENSOR ASSY
61A-85790-01-00
Unavailable
15
HOSE (L350)
90446-10MH3-00
Unavailable
16
WASHER, PLATE
92990-10600-00
Unavailable
17
THERMO SWITCH ASSY
60E-82560-01-00
Unavailable
18
BOLT, HEXAGON DEEP RECESS
97D95-06016-00
Unavailable
19
WASHER, PLAIN (646)
92990-06600-00
Unavailable
20
SENSOR, CAM POSITION
60E-85896-02-00
Unavailable
21
BOLT,SOCKET
91380-06016-00
Unavailable
22
OIL PRESSURE SWITCH ASSY
68V-82504-00-00
Unavailable
23
LEAD WIRE ASSY
6S5-81315-01-00
Unavailable
24
SENSOR, KNOCK
6AN-85780-01-00
Unavailable
25
CLAMP
90464-20005-00
Unavailable
26
EARTH PLATE COMP.
6CS-8273J-11-00
Unavailable
27
O-RING (341)
93210-32172-00
Unavailable
28
BOLT, WITH WASHER
90119-06MA3-00
Unavailable
29
CLAMP
90464-20008-00
Unavailable
30
THERMOSENSOR ASSY
6AA-85790-00-00
Unavailable
31
CLAMP
90464-20005-00
Unavailable
32
CLAMP
90464-31002-00
Unavailable
33
GROMMET 437147470000
90480-20132-00
Unavailable
34
BOLT, BUTTON HEAD(3JP)
92014-06012-00
Unavailable
35
BRACKET 1
60E-1244E-00-00
Unavailable
