Partiron

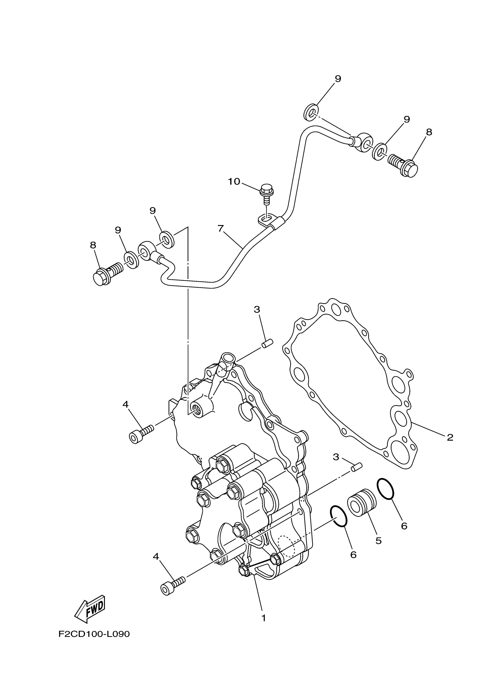
Yamaha FA1800AM (FX CRUISER SHO) F2S7 2013 OIL PUMP Diagram

#

Description
Price

1

OIL PUMP ASSY

6S5-13300-22-00

Unavailable

2

. GASKET

6S5-13563-00-00

Unavailable

3

PIN, DOWEL (614)

93606-12019-00

$4.24

4

BOLT,SOCKET HEAD

91314-06020-00

$1.49

5

CONNECTOR

6S5-13446-10-00

Unavailable

6

O-RING (26H)

93210-21631-00

$7.49

7

PIPE, OIL 1

6S5-13416-00-00

Unavailable

8

BOLT, UNION

90401-10040-00

Unavailable

9

. GASKET

90430-10007-00

Unavailable

10

BOLT, FLANGE(2UJ)

95024-06012-00

$4.41