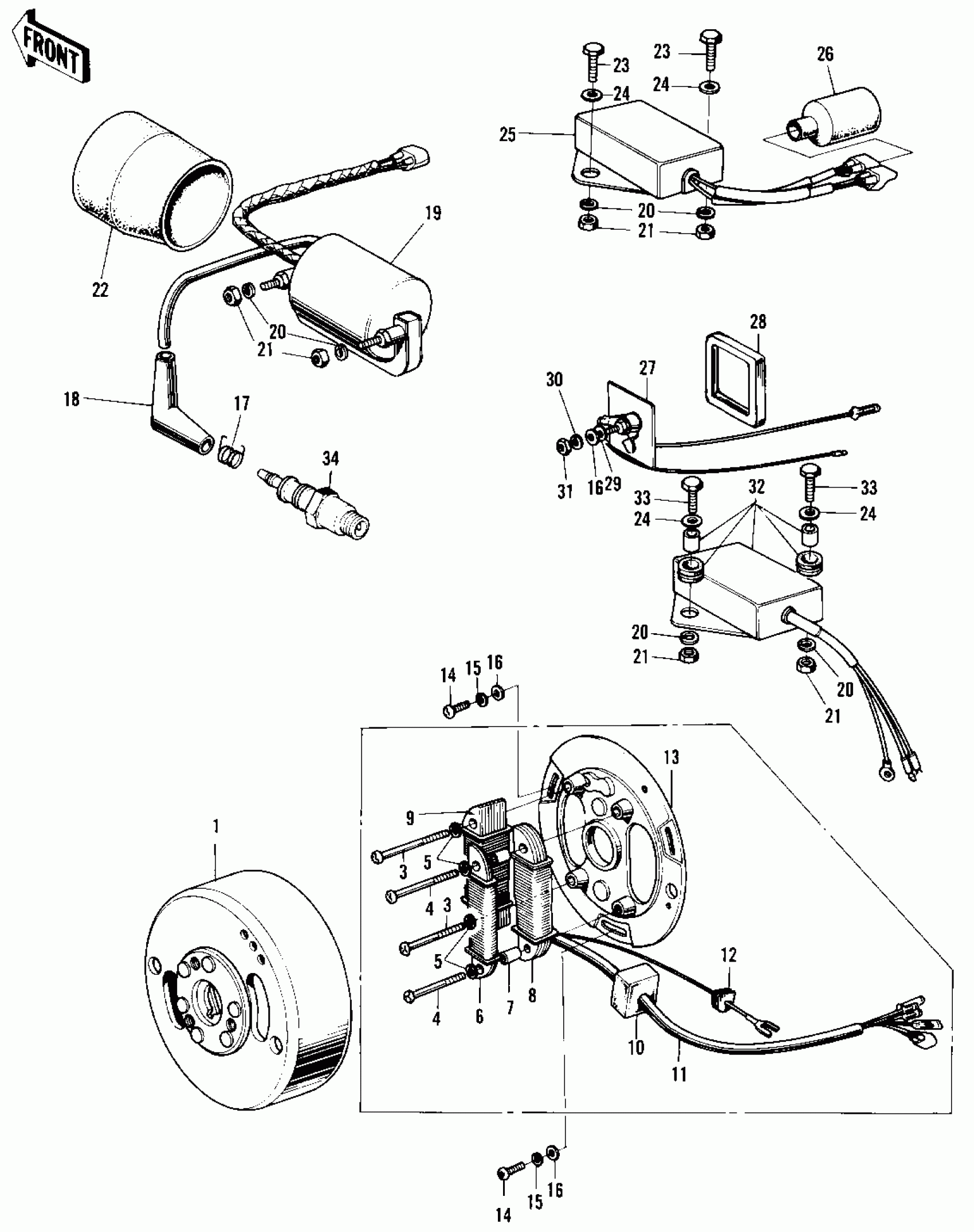
Kawasaki F9-C IGNITION/GENERATOR/REGULATOR ('72-'73 F9 Diagram
#
1
FLYWEEL
21050-015
Unavailable
1
FLYWEEL
21050-015
Unavailable
2
STATOR
21003-011
Unavailable
3
SCREW-PAN-CROS
220E0430
Unavailable
3
SCREW-PAN-CROS
220E0430
Unavailable
4
SCREW-PAN HEAD,4X35
220E0435A
Unavailable
4
SCREW-PAN HEAD,4X35
220E0435A
Unavailable
5
WASHER SPRING 4MM
461F0400
Unavailable
6
.COIL-PULSER
21157-001
Unavailable
7
COLLAR
21033-002
Unavailable
8
.COIL-PRIMARY
21049-011
Unavailable
9
.COIL-LIGHTING
21047-012
Unavailable
10
.GROMMET ENG RUBBER A
92071-014
Unavailable
11
.WIRING HARNESS-MAGNET
21029-020
Unavailable
12
GROMMET WIRING HARN C
21017-005
Unavailable
13
.BASE-MAGNETO
21048-013
Unavailable
14
SCREW-PAN-CROS
220B0520
Unavailable
15
WASHER SPRING 5MM
461F0500
Unavailable
16
WASHER PLAIN 5MM
410B0500
Unavailable
17
TERMINAL,SPARK PLUG CAP
92101-001
Unavailable
18
CAP-SPARK PLUG
21130-009
Unavailable
19
COIL-IGNITION
21121-039
Unavailable
20
WASHER SPRING 6MM
461F0600
Unavailable
21
NUT 6MM
311B0600
Unavailable
22
RUBBER CAP-COIL
92073-016
Unavailable
23
BOLT-UPSET 6X14
112B0614
Unavailable
24
WASHER-PLAIN-SMALL,6MM
410B0600
Unavailable
25
IGNITION UNIT
21119-013
Unavailable
25
IGNITION UNIT
21119-013
Unavailable
26
COVER WIRING HARNESS
26009-003
Unavailable
27
RECTIFIER
21061-5001
Unavailable
28
MAT-RECTIFIER
32103-020
Unavailable
29
WASHER-PLAIN
92022-163
Unavailable
30
WASHER SPRING 5MM
461F0500
Unavailable
31
NUT-HEX
311B0500
Unavailable
32
REGULATOR-VOLTAGE
21066-010
Unavailable
33
BOLT-UPSET
112G0618
Unavailable
34
SPK PLG B10H15
B10H15
Unavailable
34
SPARK PLUG B10H-1.0
92070-039
Unavailable
