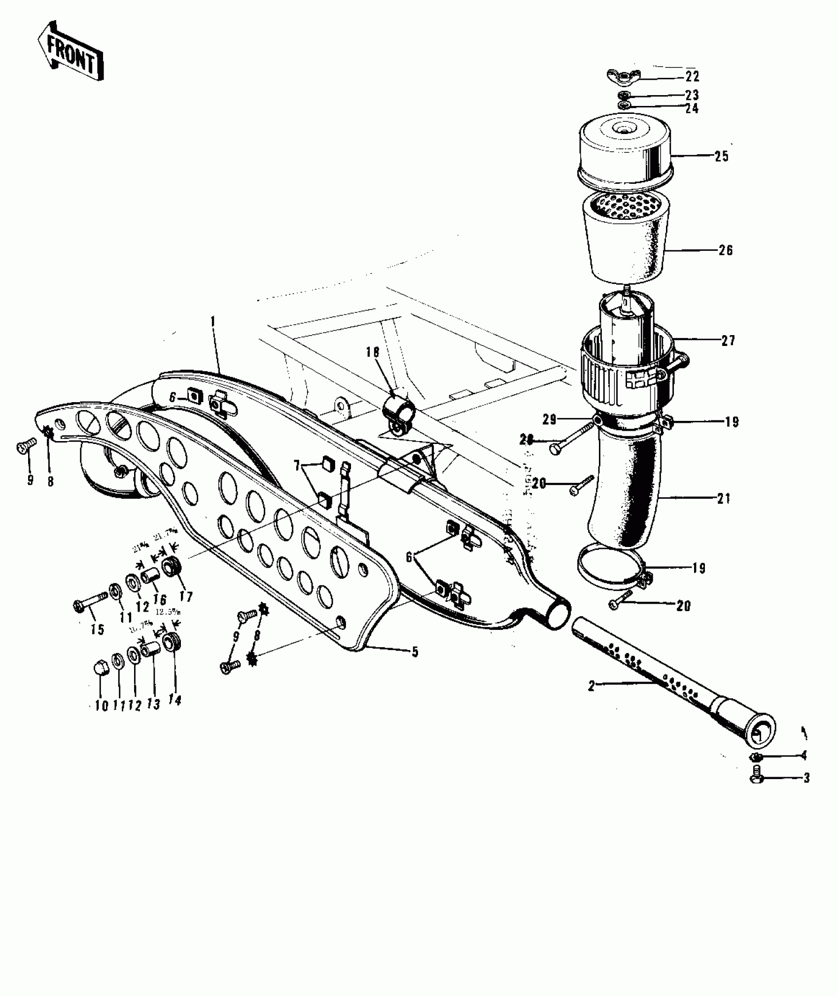
Kawasaki F9-C AIR CLEANER/MUFFLER ('72-'73 F9/F9-A 350 Diagram
#
Description
Price
1~4
MUFFLER ASSY,F.BLACK
18001-107-21
Unavailable
2
BAFFLE TUBE
18033-052
Unavailable
3
BOLT-UPSET,6X12
112G0612
Unavailable
3
BOLT-UPSET,6X12
112G0612
Unavailable
4
WASHER LOCK 6MM
463H0600
Unavailable
5
COVER-MUFFLER
18064-006
Unavailable
6
INSULATOR-HEAT
18065-009
Unavailable
7
INSULATOR
18065-007
Unavailable
8
WASHER LOCK 6MM
463H0600
Unavailable
9
SCREW PAN HEAD 6X12
220E0612
Unavailable
10
NUT FUEL TANK FRONT
92020-007
Unavailable
11
WASHER SPRING 8MM
461F0800
Unavailable
12
WASHER FUEL TANK FIT
92022-035
Unavailable
13
COLLAR
92027-102
Unavailable
14
DAMPER RUBBER-MUFFLER
18063-005
Unavailable
15
SCREW-PAN HEAD,8X40
220B0840
Unavailable
16
COLLAR
92027-146
Unavailable
17
DAMPER RUBBER
18063-007
Unavailable
18
BRACKET,UPPER MUFFLE
32069-039
Unavailable
18
BRACKET,UPPER MUFFLE
32069-039
Unavailable
19
CLAMP,AIR CLEANER
92037-129
Unavailable
20
SCREW PAN HEAD 6X30
220B0630
Unavailable
21
CONNECTOR
11026-002
Unavailable
22~27
AIR CLEANER ASSY
11010-049
Unavailable
22~27
AIR CLEANER ASY,BLAC
11010-063-21
Unavailable
22
NUT-WING,6MM
92015-030
Unavailable
23
WASHER SPRING 6MM
461F0600
Unavailable
24
WASHER PLAIN 6MM
411B0600
Unavailable
25
CAP,AIR CLEANER,BLAC
11012-023-21
Unavailable
25
CAP,AIR CLEANER,BLAC
11012-023-21
Unavailable
26
ELEMENT,AIR,CLNR
11013-031
Unavailable
28
BOLT,EXCLUSIVE
92001-1456
Unavailable
29
WASHER SPRING 6MM
461F0600
Unavailable
