- Partiron
- OEM Parts
- Ski-Doo
- 2010
- Expedition
- Expedition TUV 1200 REV-XU, 2010
Electrical Accessories, Steering
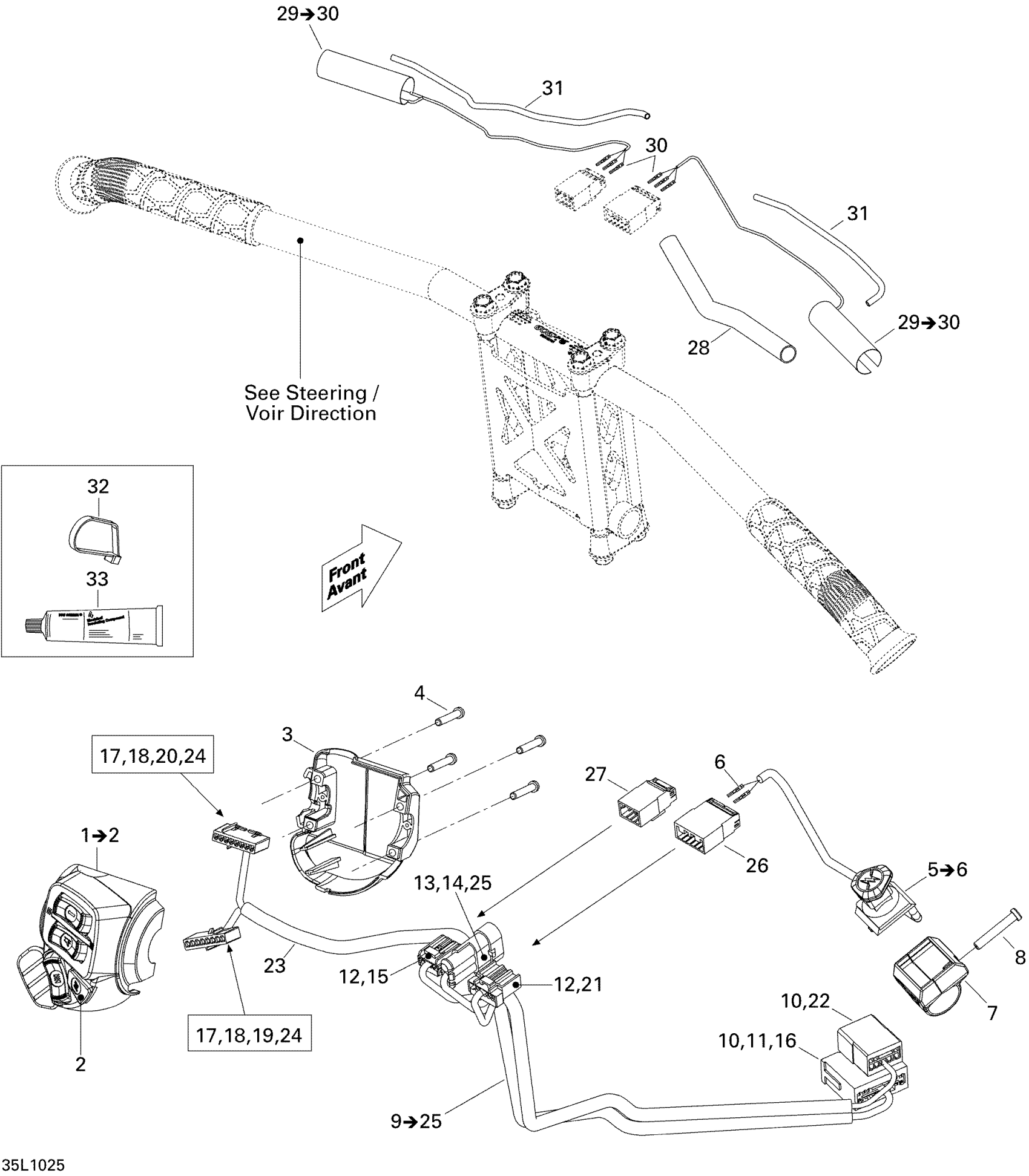
Ski-Doo Expedition TUV 1200 REV-XU, 2010 Electrical Accessories, Steering Diagram
#
Description
Price
9
MAIN HARNESS - Call your local BRP dealership
515176658
Unavailable
11
MALE TERMINAL - Call your local BRP dealership
515175273
Unavailable
15
Not Available As Spare Part - Friction Washer
Unavailable
16
MALE TERMINAL HOUSING, 11 CIRCUITS - Call your local BRP dealership
515175720
Unavailable
17
FEMALE TERMINAL - Call your local BRP dealership
515175808
Unavailable
18
FEMELLE LOCK, 8 CIRCUITS - Call your local BRP dealership
515175809
Unavailable
19
FEMALE TERMINAL HOUSING 8 CIRCUITS BLACK - Call your local BRP dealership
515175807
Unavailable
20
FEMALE TERMINAL HOUSING, 8 CIRCUITS - Call your local BRP dealership
515175810
Unavailable
23
LOW TEMPERATURE TUBING 1/2? 3000MM LONG - Call your local BRP dealership
219704427
Unavailable
28
LOW TEMPERATURE TUBING 1/2? 3000MM LONG - Call your local BRP dealership
219704427
Unavailable
30
Not Available As Spare Part - Friction Washer
Unavailable
