- Partiron
- OEM Parts
- Ski-Doo
- 2016
- EXPEDITION Family
- EXPEDITION - LE-SE 4-STROKE, 2016
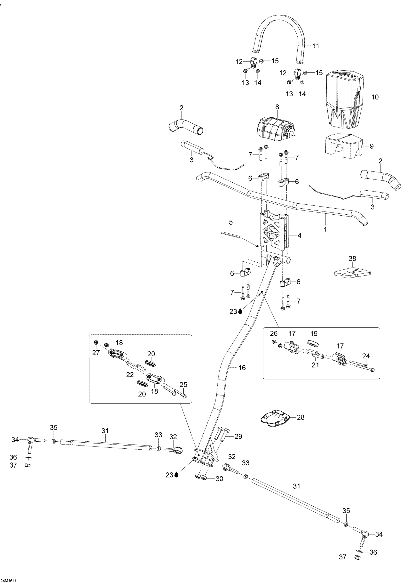
Steering System
Ski-Doo EXPEDITION - LE-SE 4-STROKE, 2016 Steering System Diagram
#
Description
Price
23
Not Available As Spare Part - Friction Washer
Unavailable
