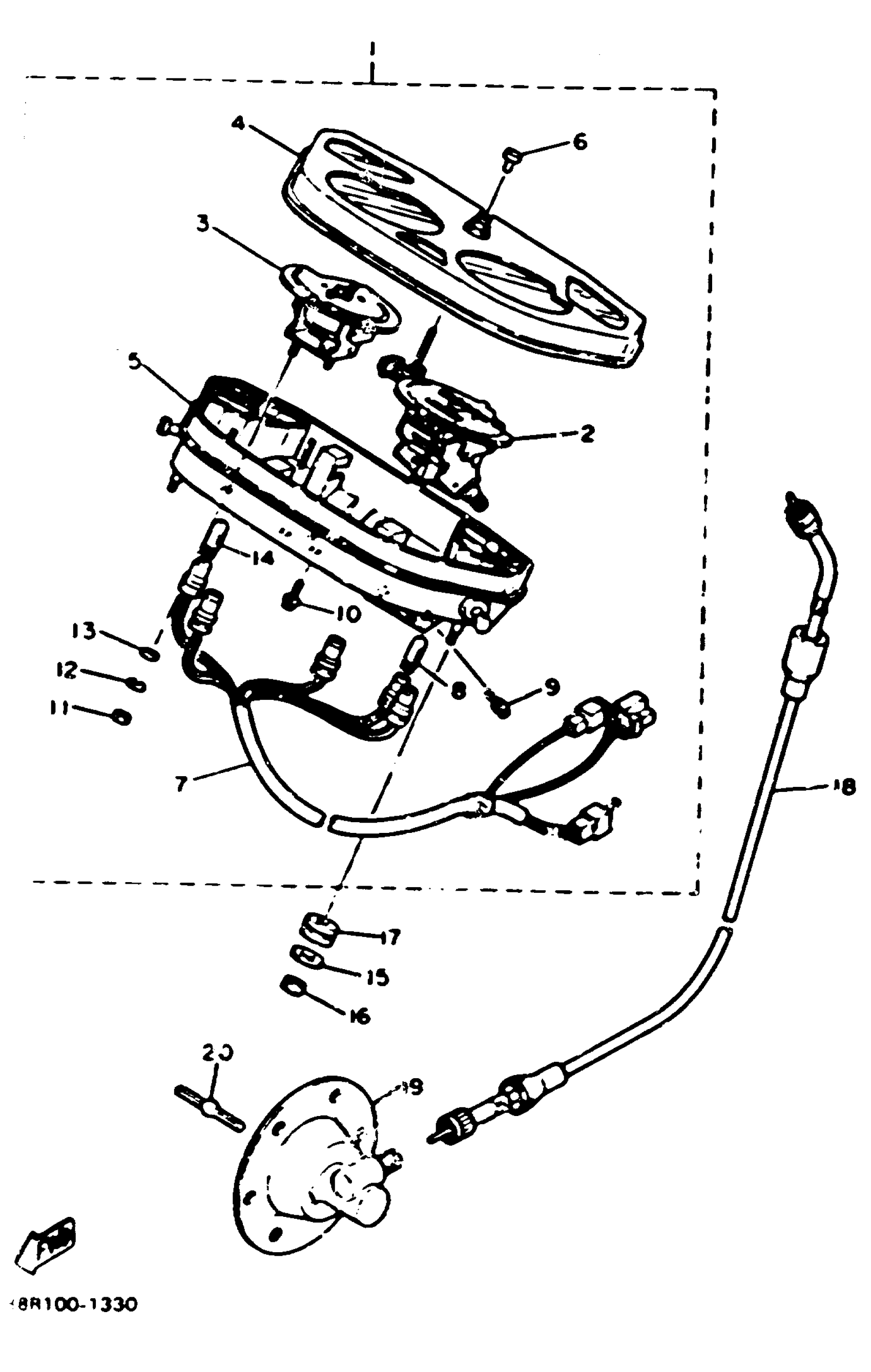
Yamaha EX570T (EXCITER II) 1993 METER Diagram
#
Description
Price
1
COMBINATION METER ASSEMBLY
88R-83500-40-00
Unavailable
2
SPEEDOMETER ASSY
8CR-83580-40-00
Unavailable
3
TACHOMETER ASSEMBLY
88R-83540-20-00
Unavailable
4
COVER,METER
88R-83559-20-00
Unavailable
5
CASE, INNER
82M-8353H-01-00
Unavailable
6
KNOB, TRIP METER
29L-83578-00-00
Unavailable
7
SOCKET CORD ASSY
88R-83509-20-00
Unavailable
8
BULB, MTR.12V3.4W
4G1-84744-00-XX
Unavailable
9
SCREW, PAN HEAD (31A)
90167-04021-00
Unavailable
16
NUT, HEXAGON
95380-06600-00
Unavailable
17
DAMPER
5J0-83513-00-00
Unavailable
18
SPEEDOMETER CABLE ASSEMBLY
82M-83550-00-00
Unavailable
19
METER GEAR HOUSING COMP.
8L9-47700-00-00
Unavailable
20
JOINT
8K4-47715-00-00
Unavailable
