- Partiron
- OEM Parts
- Yamaha
- snowmobile
- 1993
- EX570T (EXCITER II) 1993
ELECTRICAL 2
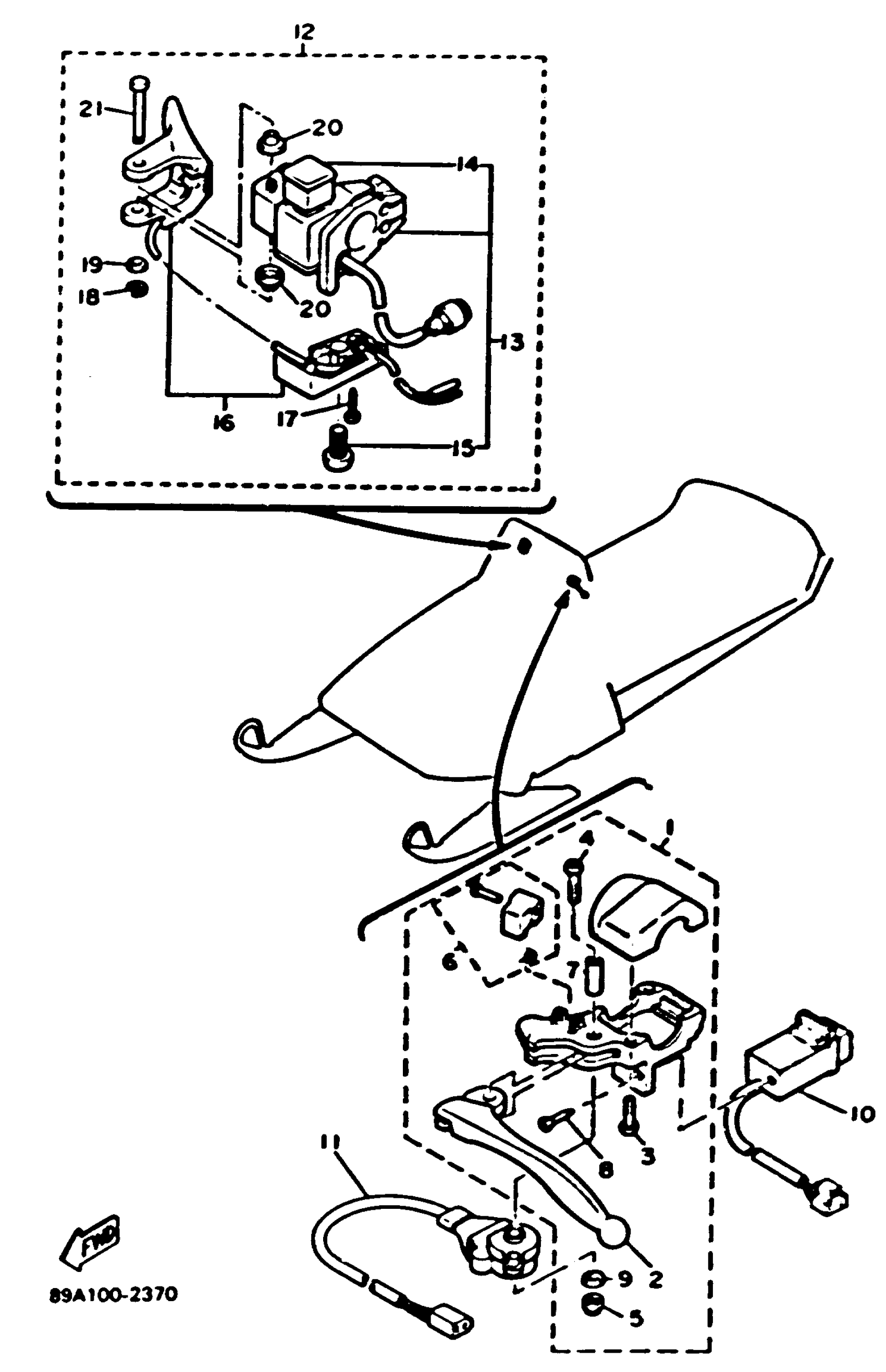
Yamaha EX570T (EXCITER II) 1993 ELECTRICAL 2 Diagram
#
Description
Price
3
SCREW, PAN HEAD(41N)
90157-05057-00
Unavailable
4
SCREW
8R4-82113-00-00
Unavailable
6
. LEVER LOCK ASSEMBLY (8K4-83930-00-00)
82A-83930-00-00
Unavailable
7
COLLAR, LEVER
802-83913-00-00
Unavailable
8
. SCREW, TAPPING
97780-30312-00
Unavailable
9
. WASHER, PLAIN
92990-05200-00
Unavailable
10
BEAM SWITCH ASSY
8K4-83950-01-00
Unavailable
12
LEVER HOLDER ASSY
8AV-82720-02-00
Unavailable
13
. SWITCH, HANDLE 3 (RIGHT)
84M-83963-00-00
Unavailable
14
. ENGINE STOP SWITCH ASSEMBLY
84R-82575-09-00
Unavailable
16
THUMB WARMER ASSY
89A-82970-03-00
Unavailable
17
SCREW, TAPPING(3NX)
97707-30514-00
Unavailable
18
CIRCLIP (EU0)
99080-04600-00
Unavailable
19
WASHER, SPECIAL
85G-83663-00-00
Unavailable
20
CAP 1
85G-83956-00-00
Unavailable
21
SHAFT
8R6-8399F-00-00
Unavailable
