- Partiron
- OEM Parts
- Yamaha
- snowmobile
- 1993
- EX570SXT (EXCITER II SX) 1993
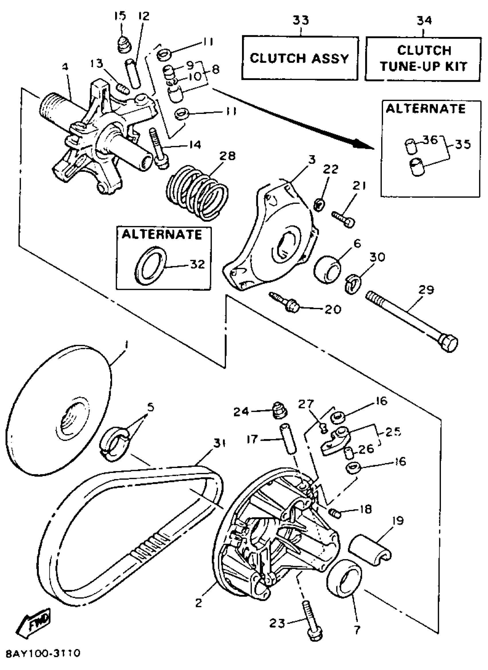
PRIMARY SHEAVE
Yamaha EX570SXT (EXCITER II SX) 1993 PRIMARY SHEAVE Diagram
#
2
SHEAVE, PRIMARY SLIDING
88R-17621-01-00
Unavailable
3
CAP
88R-17631-01-00
Unavailable
4
SPIDER COMPLETE
8BW-17640-11-00
Unavailable
9
BUSH(88K)
90386-08183-00
Unavailable
10
CIRCLIP(88K)
93450-13133-00
Unavailable
19
SLIDER
88R-17653-01-00
Unavailable
20
BOLT(89J)
90109-066F4-00
Unavailable
21
BOLT, HEXAGON
97017-06030-00
Unavailable
22
WASHER, SPRING
92995-06100-00
Unavailable
25
WEIGHT COMP
8AY-17605-00-00
Unavailable
25
WEIGHT COMP
8AY-17605-10-00
Unavailable
26
. BUSH, SOLID
90380-08244-00
Unavailable
26
. BUSH, SOLID
90380-08244-00
Unavailable
27
RIVET, COUNTER SUNK (8G8)
90261-06017-00
Unavailable
27
RIVET, COUNTERSUNK HEAD(88R)
90261-06028-00
Unavailable
28
SPRING, COMPRESSION(89L)
90501-521J6-00
Unavailable
28
SPRING, COMPRESSION(8AV)
90501-550J8-00
Unavailable
28
SPRING, COMPRESSION(8AY)
90501-582J1-00
Unavailable
28
SPRING, COMPRESSION(8AY)
90501-602J0-00
Unavailable
29
. BOLT (L=1653MM)
88R-17647-00-00
Unavailable
30
WASHER(JN5)
92907-16100-00
Unavailable
31
V-BELT
89L-17641-02-00
Unavailable
32
WASHER, PLATE(88S)
90201-483P9-00
Unavailable
33
CLUTCH ASY
89L-17601-09-00
Unavailable
34
CLUCH TUNE-UP KIT (R)
88R-00000-51-00
Unavailable
35
ROLLER, COMP
8BH-17624-20-00
Unavailable
36
. BUSH, SOLID
90380-08244-00
Unavailable
