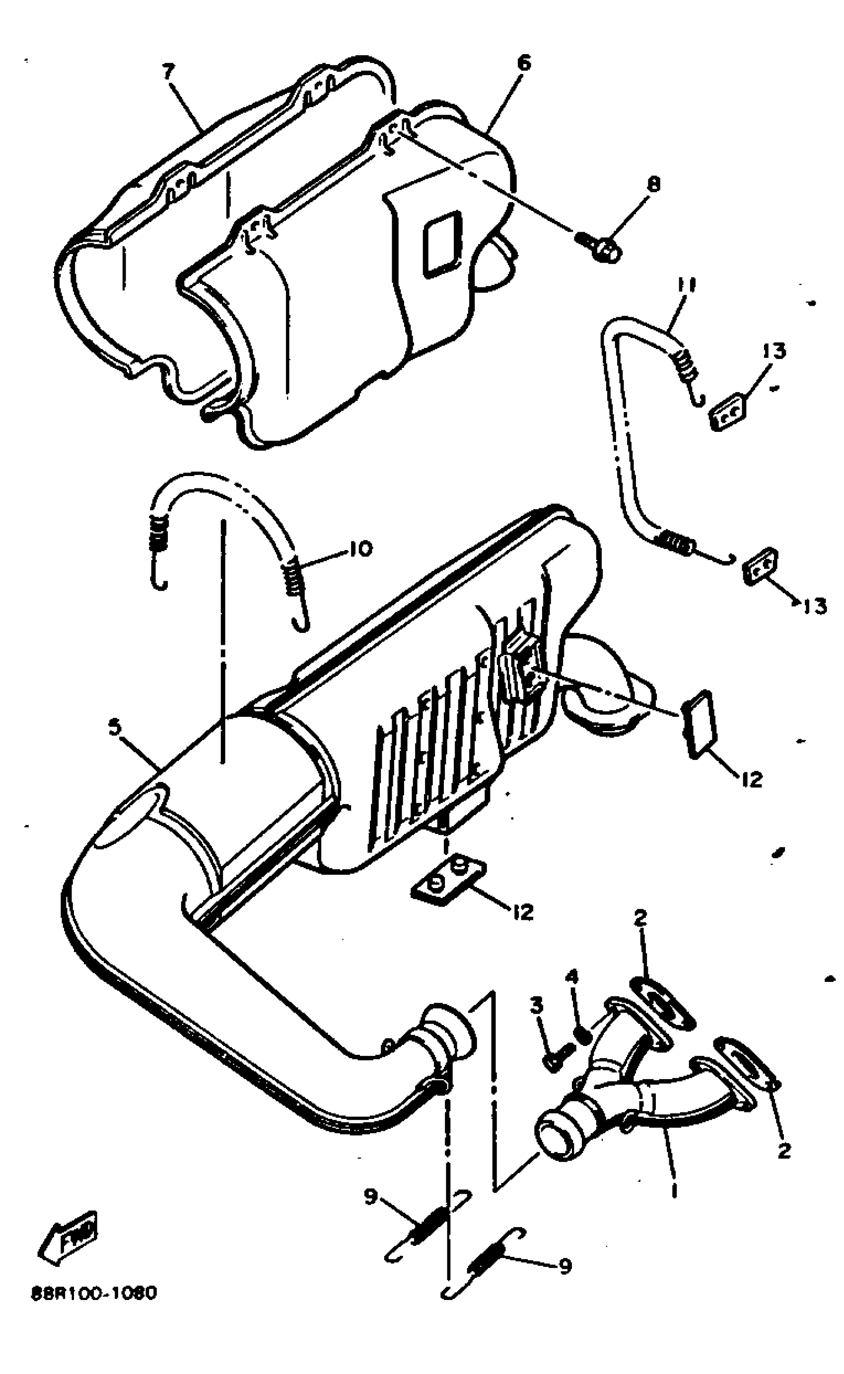
#
1
99999-03003-00
Unavailable
5
88R-14710-01-00
Unavailable
6
86M-14718-00-00
Unavailable
7
86M-14728-00-00
Unavailable
10
90506-16394-00
Unavailable
11
90506-16335-00
Unavailable
12
8A5-14728-02-00
Unavailable
13
8M6-14768-00-00
Unavailable
Edit ride
