- Partiron
- OEM Parts
- Yamaha
- snowmobile
- 1991
- EX570R (EXCITER II) 1991
CYLINDER HEAD CYLINDER
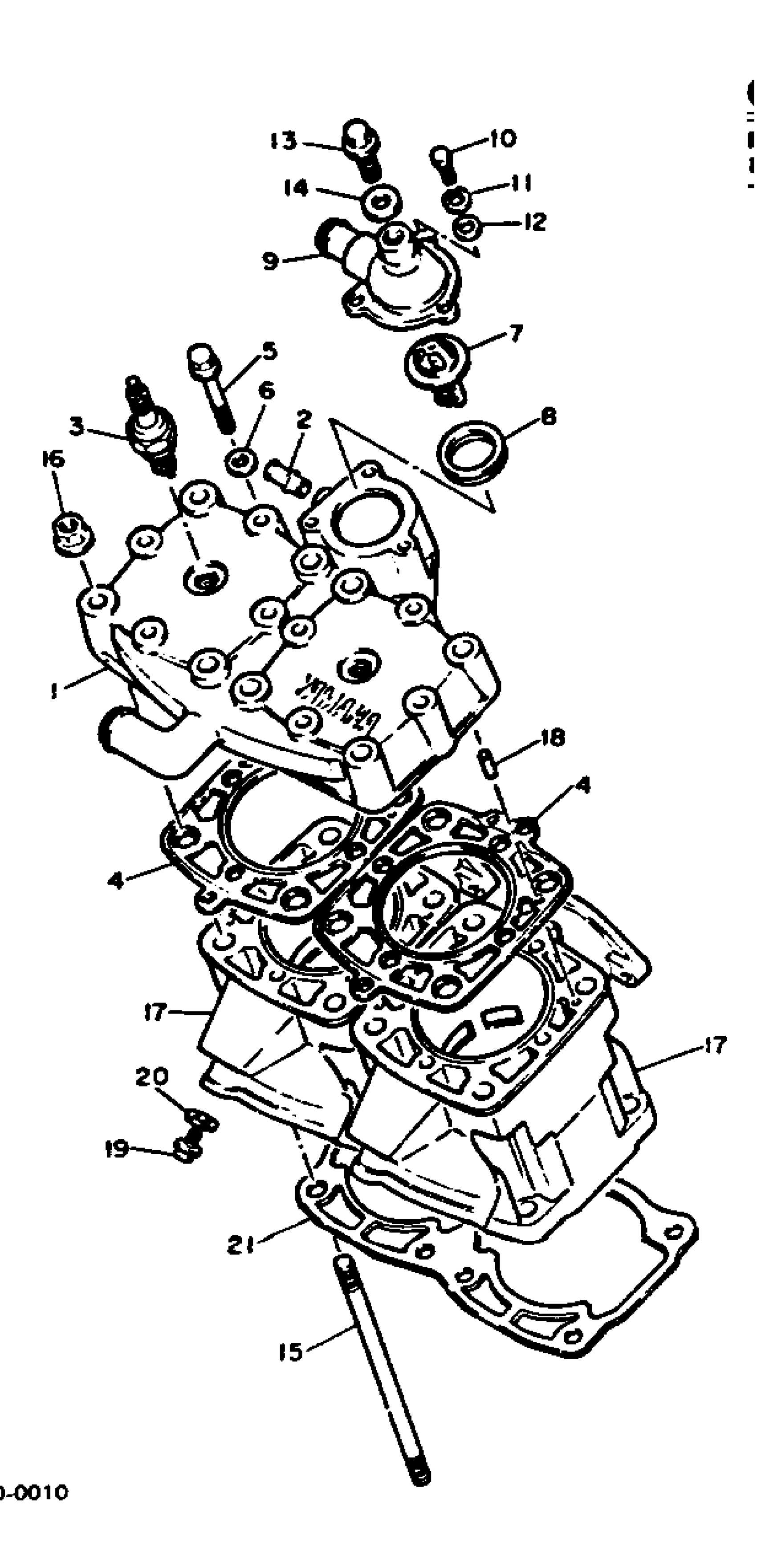
Yamaha EX570R (EXCITER II) 1991 CYLINDER HEAD CYLINDER Diagram
#
Description
Price
1
HEAD, CYLINDER 1
82M-11111-00-00
Unavailable
2
JOINT
8A7-12499-00-00
Unavailable
3
BR9ES NGK SCREW TOP PLUG 4PK
BR9-ES000-00-00
Unavailable
4
GASKET, CYLINDER HEAD 1
88R-11181-00-00
Unavailable
9
COVER, THERMOSTAT
82M-12413-00-00
Unavailable
11
WASHER, SPRING
92995-06100-00
Unavailable
15
BOLT, CYLINDER HOLDING 1
8M6-11361-00-00
Unavailable
16
NUT, FLANGE(3BM)
95704-10500-00
Unavailable
17
CYLINDER 1
88R-11311-00-00
Unavailable
18
PIN,DOWEL (168)
93604-12037-00
Unavailable
19
BOLT, FLANGE
95026-10016-00
Unavailable
20
WASHER PLATE 341839090000
90201-10128-00
Unavailable
21
GASKET, CYLINDER
87M-11351-02-00
Unavailable
