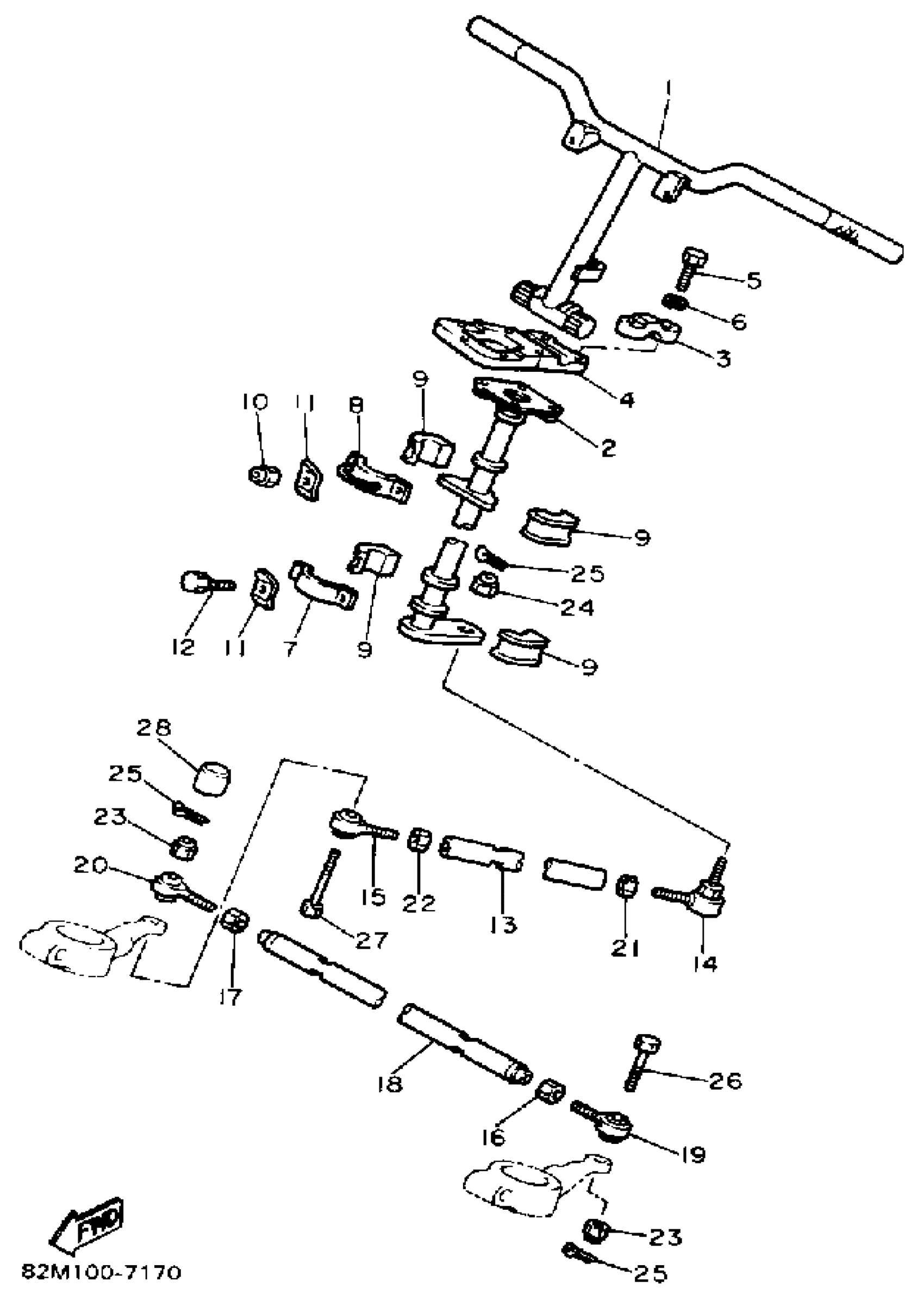
Yamaha EX570P (EXCITER) 1990 STEERING Diagram
#
Description
Price
1
COLUMN, STEERING
82M-23811-01-00
Unavailable
2
COLUMN, STEERING 2
8AY-23813-00-00
Unavailable
4
HOLDER, HANDLE UPPER
8V0-23814-01-00
Unavailable
7
BRACKET, STEERING LOWER
84M-23868-00-00
Unavailable
8
HOLDER, BEARING
84M-23872-00-00
Unavailable
9
BEARING, STEERING
8F3-23812-00-00
Unavailable
13
ROD, STEERING RELAY
82M-23821-00-00
Unavailable
16
NUT (682)
95380-10700-00
Unavailable
17
NUT, HEXAGON (8A5)
90170-10186-00
Unavailable
18
ROD,TIE
89X-23831-00-00
Unavailable
19
JOINT, UNIVERSAL 2
87S-23845-01-00
Unavailable
21
NUT (682)
95380-10700-00
Unavailable
22
NUT, HEXAGON (8A5)
90170-10186-00
Unavailable
23
NUT, NYLON
95707-10300-00
Unavailable
24
NUT, SELF-LOCKING (8J8)
90185-10085-00
Unavailable
25
PIN, COTTER
91490-25020-00
Unavailable
26
BOLT, WITH HOLE
90102-10031-00
Unavailable
27
BOLT
90109-10767-00
Unavailable
28
SPACER
82M-23858-00-00
Unavailable
