- Partiron
- OEM Parts
- Yamaha
- snowmobile
- 1987
- EX570L (EXCITER) 1987
TRACK SUSPENSION 2
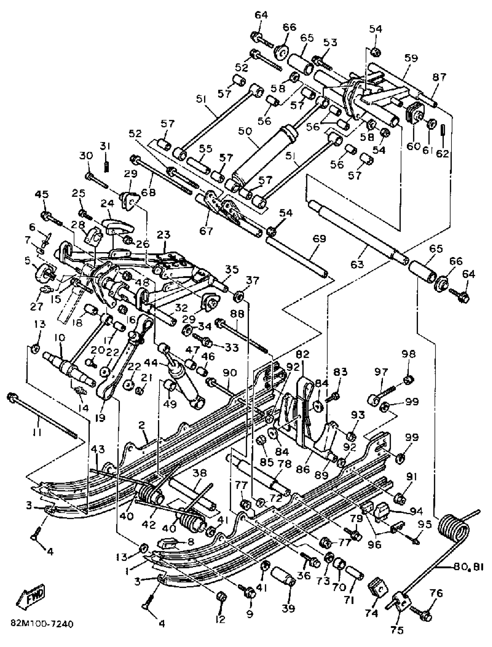
Yamaha EX570L (EXCITER) 1987 TRACK SUSPENSION 2 Diagram
#
1
FRAME, SLIDING
82M-W4741-00-00
Unavailable
2
FRAME, SLIDING
82M-W4741-00-00
Unavailable
3
SLIDING RUNNER (82M-47421-00)
82M-47421-01-XX
Unavailable
5
DAMPER 1
82M-47456-00-00
Unavailable
8
BRACKET 7
82M-47419-00-00
Unavailable
10
BRACKET 1
82M-47415-00-00
Unavailable
11
UNAVAILABLE IN PRICE BOOK
95322-08250-00
Unavailable
13
.. WASHER, PLATE
92990-08600-00
Unavailable
14
NIPPLE, GREASE
93700-06M03-00
Unavailable
16
NUT, NYLON
95717-08300-00
Unavailable
17
COLLAR(82M)
90387-084R5-00
Unavailable
18
BUSH, SOLID
90380-12161-00
Unavailable
19
STOPPER 1
82M-47495-00-00
Unavailable
20
BOLT, HEXAGON
97017-06025-00
Unavailable
21
NUT, NYLON
95707-06300-00
Unavailable
22
WASHER, PLATE
90201-06747-00
Unavailable
23
ARM, PIVOT 1
82M-47331-00-00
Unavailable
24
RUNNER, SLIDING 2
8F3-47422-01-00
Unavailable
25
BOLT, HEXAGON
97017-06025-00
Unavailable
26
NUT, NYLON
95707-06300-00
Unavailable
27
NIPPLE, GREASE
93700-06M03-00
Unavailable
28
HOOK 2
8V0-47447-01-00
Unavailable
29
HOOK 3
8V0-47448-00-00
Unavailable
30
PIN, CLEVIS (90240-12107-00)
90240-12136-00
Unavailable
31
PIN, COTTER
91490-30030-00
Unavailable
32
SHAFT 1
885-47465-03-00
Unavailable
33
BOLT (8V0)
90109-10771-00
Unavailable
34
WASHER, PLATE (2H7)
90201-10669-00
Unavailable
35
SHAFT 3
82M-47485-02-00
Unavailable
36
BOLT, FLANGE
95817-10030-00
Unavailable
37
COLLAR (8U7)
90387-105G6-00
Unavailable
38
COLLAR
90387-160M7-00
Unavailable
39
COLLAR
90387-166M8-00
Unavailable
40
COLLAR
8V0-47319-00-00
Unavailable
41
WASHER, PLATE
90201-161E5-00
Unavailable
42
SPRING, FRONT 1
82M-47471-00-00
Unavailable
43
SPRING, FRONT 2
82M-47472-00-00
Unavailable
44
SHOCK ABSORBER 2
84M-47481-00-00
Unavailable
46
COLLAR(82M)
90387-084R5-00
Unavailable
47
BUSH, SOLID
90380-12161-00
Unavailable
48
NUT, NYLON
95717-08300-00
Unavailable
49
BUSH, PIVOT
8V0-47371-00-00
Unavailable
50
SHOCK ABSORBER
82M-47480-00-00
Unavailable
51
ROD, RELAY
82M-47494-00-00
Unavailable
52
BOLT, FLANGE
95817-08090-00
Unavailable
54
NUT, NYLON
95717-08300-00
Unavailable
55
COLLAR
90387-084R4-00
Unavailable
56
COLLAR(82M)
90387-084R5-00
Unavailable
57
BUSH, SOLID
90380-12161-00
Unavailable
58
WASHER, PLATE
90201-08049-00
Unavailable
59
ARM, PIVOT 2
82M-47332-00-00
Unavailable
60
HOOK 1
86S-47446-01-00
Unavailable
61
WASHER, PLAIN (434)
90201-14411-00
Unavailable
62
PIN, COTTER
91490-30030-00
Unavailable
63
SHAFT 2
8L8-47475-00-00
Unavailable
64
BOLT (8V0)
90109-10771-00
Unavailable
65
COLLAR 1
8V0-47365-00-00
Unavailable
66
WASHER
8V0-47384-00-00
Unavailable
67
BRACKET 2
82M-47416-00-00
Unavailable
68
BOLT, WASHER BASED(51X)
90105-08346-00
Unavailable
69
COLLAR
90387-08632-00
Unavailable
70
COLLAR
90387-12105-00
Unavailable
71
COLLAR (878)
90387-08262-00
Unavailable
72
WASHER (1T1)
90201-08649-00
Unavailable
73
WASHER, PLAIN
92990-08200-00
Unavailable
74
HOOK 2
890-47447-00-00
Unavailable
75
PLATE, GUIDE
8V0-47467-00-00
Unavailable
76
BOLT, FLANGE
95817-08055-00
Unavailable
78
SHAFT 4
8V0-47486-00-00
Unavailable
79
BOLT, FLANGE(8AB)
95817-08020-00
Unavailable
80
SPRING, REAR.1 (L.H)
82M-47473-00-00
Unavailable
81
SPRING, REAR.2 (R.H)
82M-47474-00-00
Unavailable
82
STOPPER, 2 (82M-47496-00)
84M-47496-00-00
Unavailable
83
BOLT, HEXAGON
97017-06025-00
Unavailable
84
WASHER, PLATE
90201-06747-00
Unavailable
85
NUT, NYLON
95707-06300-00
Unavailable
86
BRACKET 3
82M-47417-00-00
Unavailable
87
COLLAR (8U7)
90387-083G6-00
Unavailable
88
BOLT (83L)
97027-08220-00
Unavailable
89
COLLAR
90387-08632-00
Unavailable
90
BOLT, WASHER BASED(51X)
90105-08346-00
Unavailable
92
WASHER (1T1)
90201-08649-00
Unavailable
93
NUT, NYLON
95717-08300-00
Unavailable
94
DAMPER 1
8V0-47456-00-00
Unavailable
96
PLATE, DAMPER
8K2-47458-01-00
Unavailable
97
COLLAR 3
8K2-47479-01-00
Unavailable
98
NUT, NYLON
95707-10300-00
Unavailable
99
WASHER, PLATE (888)
90201-20279-00
Unavailable
