- Partiron
- OEM Parts
- Yamaha
- snowmobile
- 1987
- EX570L (EXCITER) 1987
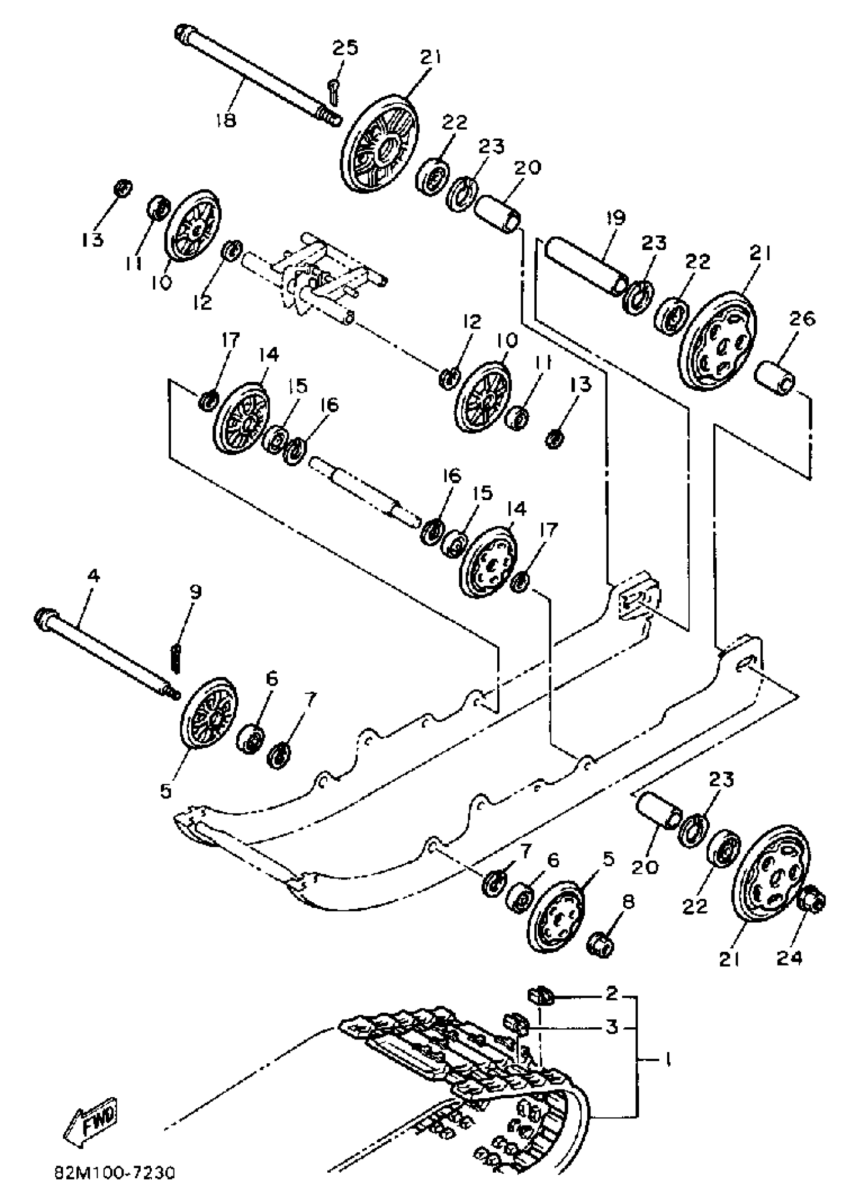
TRACK SUSPENSION 1
Yamaha EX570L (EXCITER) 1987 TRACK SUSPENSION 1 Diagram
#
Description
Price
1
TRACK ASSEMBLY
82M-47110-00-00
Unavailable
3
METAL, SLIDE
8A5-47115-00-00
Unavailable
4
SHAFT 5
82M-47487-00-00
Unavailable
18
REAR AXLE COMP.
8L8-47520-02-00
Unavailable
19
COLLAR
90387-20023-00
Unavailable
20
COLLAR
90387-20022-00
Unavailable
21
GUIDE WHEEL COMP.
8K2-47530-00-00
Unavailable
22
BRG,R-B 62042RS 47MM 110G KY
93306-20417-00
Unavailable
23
CIRCLIP(48Y)
99009-47500-00
Unavailable
26
COLLAR
90387-204R3-00
Unavailable
