- Partiron
- OEM Parts
- Yamaha
- snowmobile
- 1987
- EX570L (EXCITER) 1987
PRIMARY SHEAVE
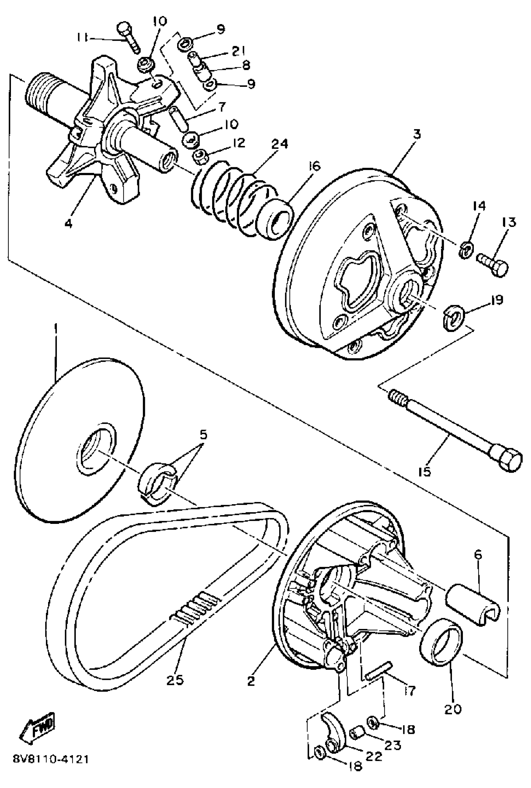
Yamaha EX570L (EXCITER) 1987 PRIMARY SHEAVE Diagram
#
Description
Price
1
SHEAVE, PRI FIXEDFIXED
82M-17611-00-00
Unavailable
2
. SHEAVE, PRIMARY SLIDING
8V0-17621-01-00
Unavailable
3
CAP
8V0-17631-00-00
Unavailable
4
SPIDER COMPLETE
82M-17640-02-00
Unavailable
8
COLLAR
90387-096J5-00
Unavailable
11
BOLT (674)
97313-05035-00
Unavailable
14
CLUTCH TUNE-UP KIT
82M-00000-51-00
Unavailable
14
PRIMARY SHEAVE ASY
82M-17601-19-00
Unavailable
14
WASHER, SPRING
92995-06100-00
Unavailable
15
BOLT (L=156.5MM)
8V0-17647-10-00
Unavailable
16
BUSH(83R)
90389-28032-00
Unavailable
17
PIN, DOWEL (8V8)
93607-44190-00
Unavailable
18
WASHER, PLATE (8V8)
90201-077F5-00
Unavailable
19
WASHER(JN5)
92907-16100-00
Unavailable
20
BUSH (81H)
90389-40029-00
Unavailable
21
BUSH, SOLID
90380-08132-00
Unavailable
22
WEIGHT, WITH BUSH
82M-W176A-00-00
Unavailable
22
WEIGHT, WITH BUSH
82M-W176A-90-00
Unavailable
23
BUSHING
8V0-17677-02-00
Unavailable
24
SPRING, WHITE/PURPL
90501-504A3-00
Unavailable
24
SPRING, COMPRESSION
90501-55456-00
Unavailable
25
CLUTCH TUNE-UP KIT
82M-00000-51-00
Unavailable
25
PRIMARY SHEAVE ASY
82M-17601-19-00
Unavailable
25
V-BELT
89X-17641-01-00
Unavailable
