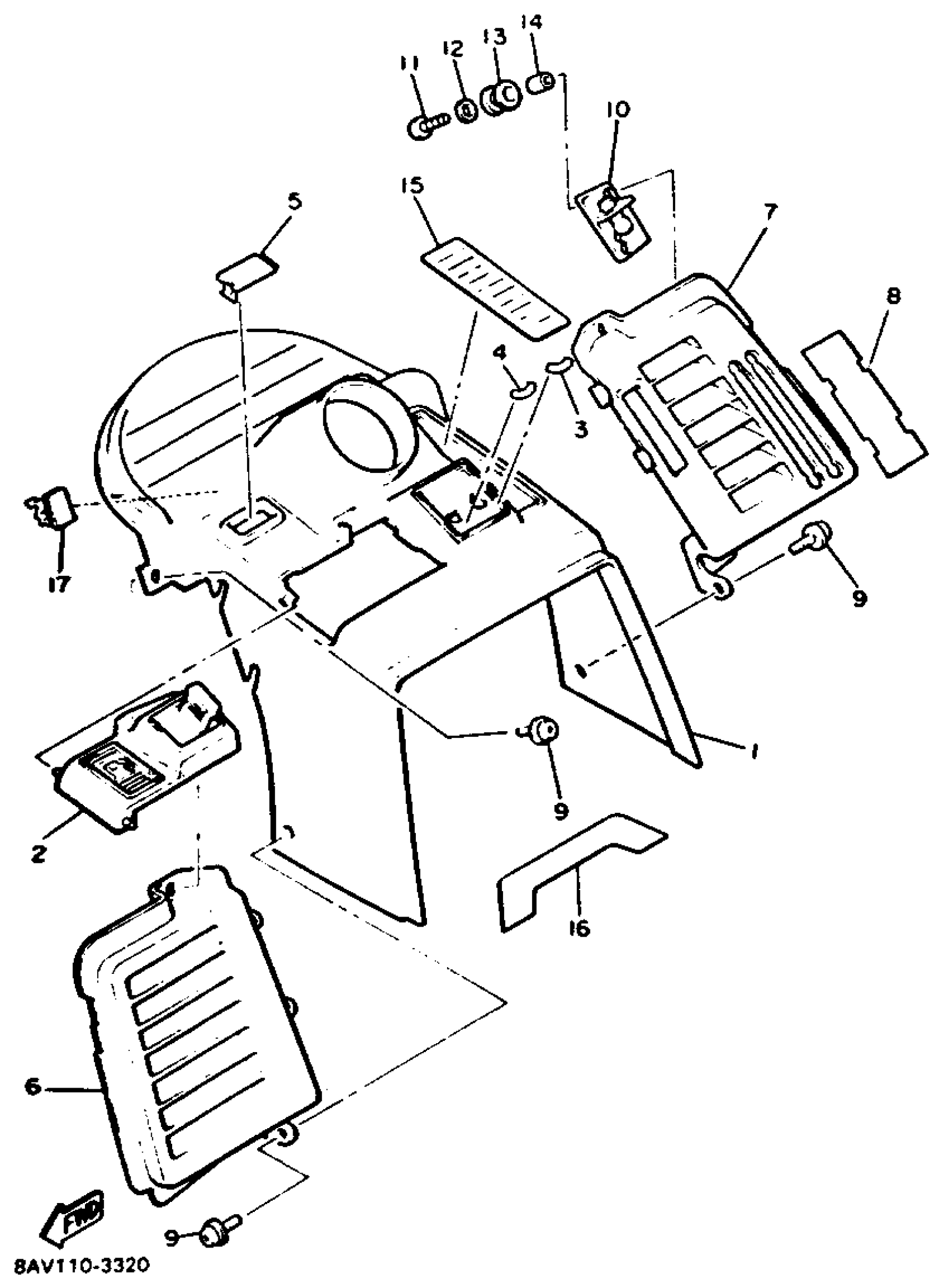
INSTRUMENT PANEL
#
1
8X9-77711-01-00
Unavailable
2
8X9-77712-01-00
Unavailable
3
8V0-77741-20-00
Unavailable
4
8U9-77742-00-00
Unavailable
5
8X9-77740-00-00
Unavailable
6
8X9-77131-00-00
Unavailable
7
8X9-77132-00-00
Unavailable
8
8V0-7716E-00-00
Unavailable
9
90159-05137-00
Unavailable
10
80L-77721-00-00
Unavailable
15
87M-77761-10-00
Unavailable
16
82M-77276-00-00
Unavailable
17
90464-25160-00
Unavailable
Edit ride
