- Partiron
- OEM Parts
- Yamaha
- snowmobile
- 1990
- EX570EP (EXCITER LE (ELEC START)) 1990
SECONDARY SHEAVE
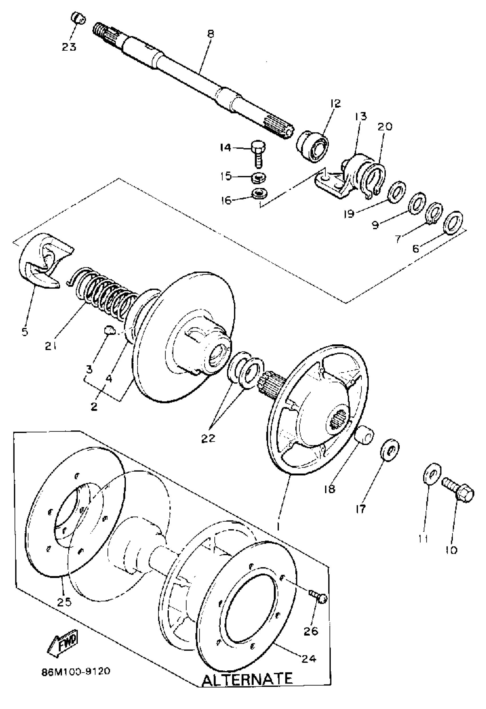
Yamaha EX570EP (EXCITER LE (ELEC START)) 1990 SECONDARY SHEAVE Diagram
#
1
SECONDARY FIXED SHEAVE COMP.
89N-17660-00-00
Unavailable
2
SEC.SLIDING SHEAVE
80N-17670-01-00
Unavailable
4
BUSH, BIMETAL FORMED (90384-90081-00)
90380-90117-00
Unavailable
5
SEAT, SEC SPRINGSPRING
87X-17684-00-00
Unavailable
5
SEAT, SEC SPRING
8U7-17684-01-00
Unavailable
6
WASHER, PLATE
90201-34684-00
Unavailable
8
SHAFT, SECONDARY
87M-17681-00-00
Unavailable
10
BOLT, WASHER BASED
90105-14175-00
Unavailable
11
WASHER, PLATE
90201-140A6-00
Unavailable
12
BEARING
888-17678-00-00
Unavailable
13
HOUSING, BEARING
87X-47631-00-00
Unavailable
13
HOUSING, BEARING
85L-47631-00-00
Unavailable
14
BOLT,SOCKET
91314-08020-00
Unavailable
14
BOLT,HEXAGON
97027-08022-00
Unavailable
15
YBS67-8 WASHER, SPRING
92990-08100-00
Unavailable
16
.. WASHER, PLATE
92990-08600-00
Unavailable
17
WASHER, PLATE (T=0.5)
90201-222F0-00
Unavailable
17
WASHER, PLATE (8L8)
90201-225A4-00
Unavailable
18
COLLAR
90387-147A8-00
Unavailable
19
WASHER, PLATE (8R6)
90201-252F1-00
Unavailable
20
CIRCLIP(26H)
99009-52500-00
Unavailable
21
SPRING, TORSION(84M)
90508-50746-00
Unavailable
22
WASHER, PLATE (8U9)
90201-345G2-00
Unavailable
23
PLUG, OIL
82M-17699-00-00
Unavailable
24
PLATE 1
81H-17665-01-00
Unavailable
25
PLATE 2
81H-17675-01-00
Unavailable
26
GASKET, EXHAUST
98507-05008-00
Unavailable
