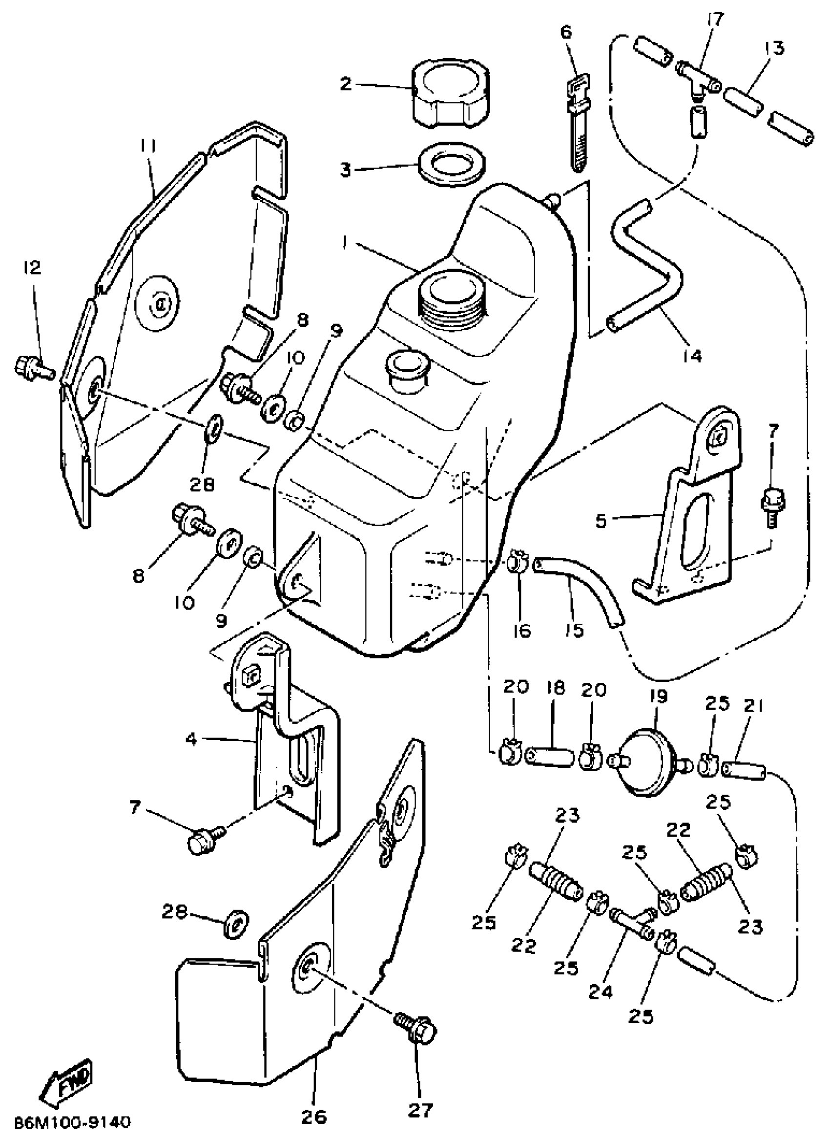
Yamaha EX570EN (EXCITER DELUXE (ELEC START)) 1989 OIL TANK Diagram
#
Description
Price
1
TANK, OIL
82M-21751-00-00
Unavailable
4
BRACKET, OIL TANK 1
82M-2193E-00-00
Unavailable
5
BRACKET, OIL TANK 2
82M-2193F-00-00
Unavailable
8
BOLT
90109-06757-00
Unavailable
9
COLLAR
90387-06704-00
Unavailable
11
PLATE
84M-2176E-00-00
Unavailable
13
TUBE, FLEXIBLE VINYL(8AT)
91A30-05125-00
Unavailable
15
HOSE
90446-09262-00
Unavailable
16
CLIP (8A1)
90467-09026-00
Unavailable
17
PIPE, JOINT
801-24376-00-00
Unavailable
18
HOSE
91A30-07036-00
Unavailable
19
HOUSING STRAINER ASSY
8G8-13410-00-00
Unavailable
20
CLIP (7K7)
90467-11044-00
Unavailable
21
TUBE, FLEXIBLE VINYL(8AK)
91A30-05039-00
Unavailable
22
SPRG., COMPRESSION (8BY1)
90501-083J9-00
Unavailable
24
PIPE, JOINT
801-24376-00-00
Unavailable
25
CLIP (8A1)
90467-09026-00
Unavailable
26
COVER
8AY-2172W-00-00
Unavailable
28
WASHER, SPECIAL 1
84M-21715-00-00
Unavailable
