Yamaha EX570EN (EXCITER DELUXE (ELEC START)) 1989 GENERATOR Diagram
#
Description
Price
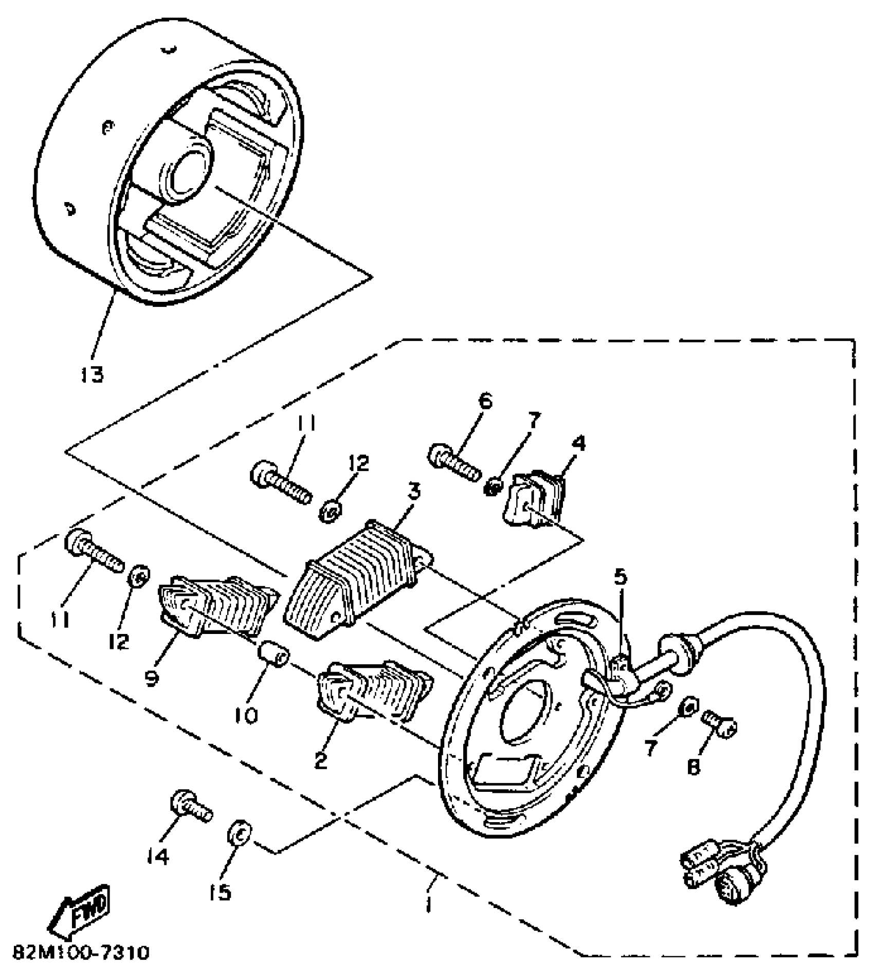
1
STATOR ASSEMBLY
82M-85510-20-00
Unavailable
2
. COIL, SOURCE (8T0-85511-20)
86M-85511-00-00
Unavailable
3
. COIL, LIGHTING 1
8H8-85513-20-00
Unavailable
4
. COIL, PULSER (8N5-85580-20)
82M-85580-20-00
Unavailable
5
CLAMP, READ
445-81328-20-00
Unavailable
9
. COIL, LIGHTING 2 (8V0-85514-20)
82M-85514-20-00
Unavailable
10
. SPACER
8T0-85519-20-00
Unavailable
13
ROTOR ASSEMBLY
84N-85550-20-00
Unavailable
