Yamaha EX570EN (EXCITER DELUXE (ELEC START)) 1989 ELECTRICAL 1 Diagram
#
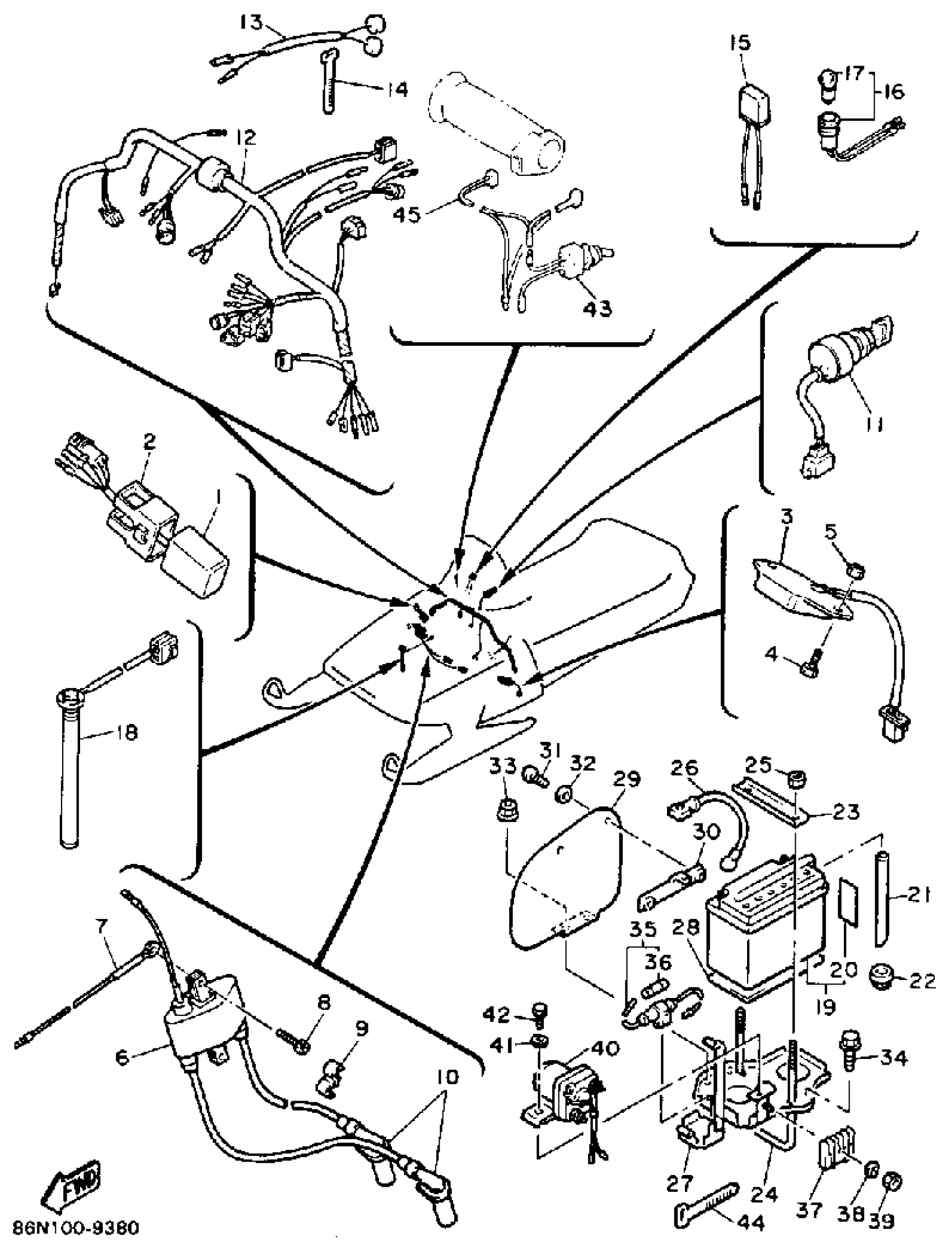
1
CDI UNIT ASSY
84M-85540-20-00
Unavailable
2
BAND
2A7-85546-00-00
Unavailable
3
VOLTAGE REGULATOR ASSY
82M-81910-A0-00
Unavailable
7
WIRE, SUB-LEAD
87D-82318-00-00
Unavailable
9
CLAMP, CORD
861-82361-00-00
Unavailable
11
MAIN SWITCH ASSY
8K1-82510-21-00
Unavailable
12
WIRE HARNESS ASSEMBLY
86N-82590-00-00
Unavailable
13
WIRE, SUB-LEAD
80N-82319-00-00
Unavailable
15
CHECKER, PILOT LAMP
38W-85774-00-00
Unavailable
16
PILOT LIGHT ASSEMBLY 1
8V0-84301-00-00
Unavailable
17
. BULB (12V5W)
8V0-85353-00-00
Unavailable
18
OIL LUL GAUGE ASY
47X-85720-02-00
Unavailable
19
YB16ALA2 YUASA BATTERY
YB1-6ALA2-00-00
Unavailable
20
LABEL, BATTERY
40A-82141-G0-00
Unavailable
21
HOSE (L340)
90445-08684-00
Unavailable
22
GROMMET 152845180000
90480-12013-00
Unavailable
23
. PLATE, BATTERY FITTING
84N-82136-00-00
Unavailable
24
. SCREW, FITTING
84N-82133-00-00
Unavailable
26
WIRE PLUS LEAD
84N-82115-00-00
Unavailable
27
BRACKET, BATTERY
84N-2199G-00-00
Unavailable
28
SEAT, BATTERY
84N-82122-00-00
Unavailable
29
SHIELD, HEAT
84N-2199H-00-00
Unavailable
30
. BRACKET, BATTERY
8V0-82128-00-00
Unavailable
31
SCREW, PAN HEAD(62X)
97885-05010-00
Unavailable
32
WASHER, PLAIN (646)
92990-05600-00
Unavailable
33
NUT, SELFLOCKING (7Y6)
90185-06122-00
Unavailable
34
BOLT, FLANGE
95812-06010-00
Unavailable
35
FUSE HOLDER ASSEMBLY
2J2-82150-10-00
Unavailable
36
FUSE
682-82151-02-00
Unavailable
37
RECTIFIER ASSY (RXKING,RXS)
3HB-H1970-01-00
Unavailable
38
WASHER, SPRING
92995-06100-00
Unavailable
39
NUT, HEXAGON
95380-06600-00
Unavailable
40
. STARTER RELAY ASSY
8J9-81940-10-00
Unavailable
41
WASHER, SPRING
92995-06100-00
Unavailable
42
NUT, HEXAGON
95380-06600-00
Unavailable
43
SWITCH
82J-82917-00-00
Unavailable
44
BAND, SWITCH CORD
437-83936-01-00
Unavailable
45
WIRE, SUB-LEAD
80X-82318-00-00
Unavailable
