- Partiron
- OEM Parts
- Yamaha
- snowmobile
- 1988
- EX570EM (EXCITER DELUXE (ELEC START)) 1988
PRIMARY SHEAVE
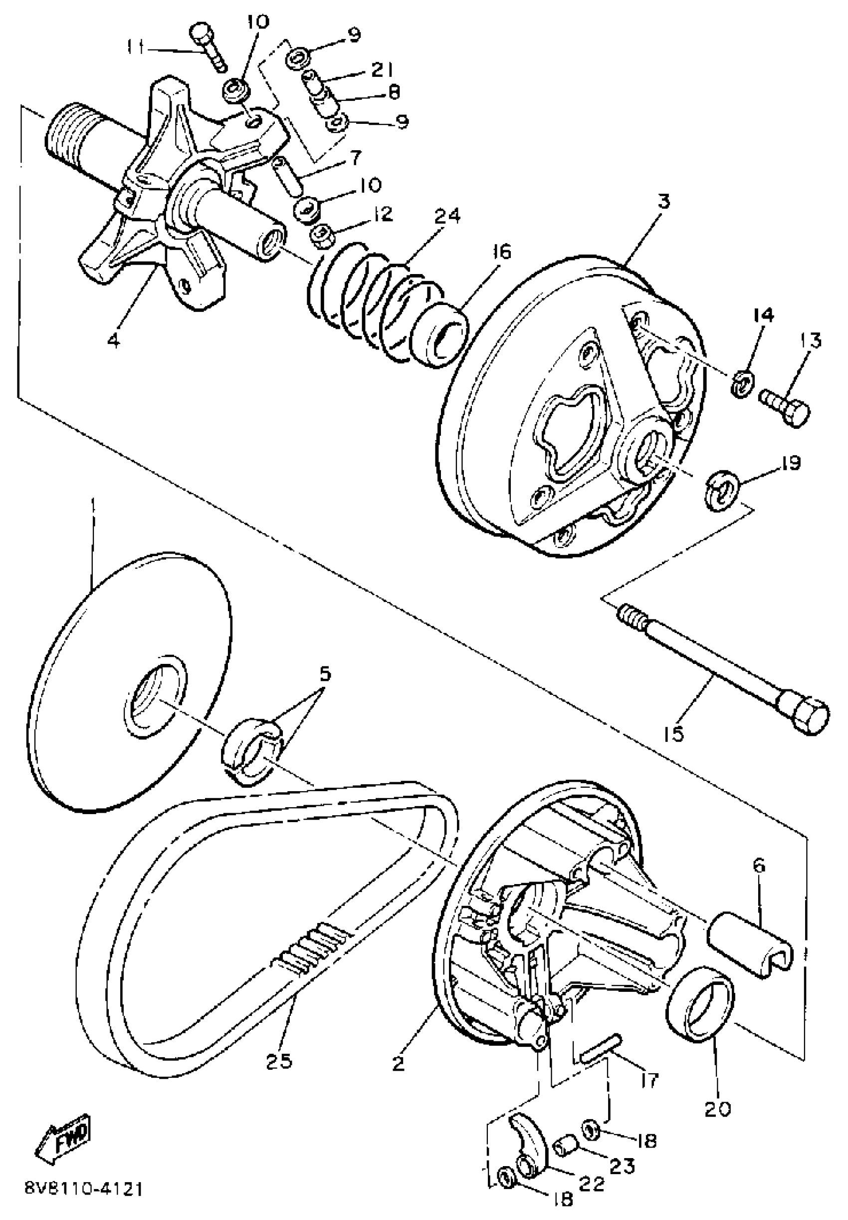
Yamaha EX570EM (EXCITER DELUXE (ELEC START)) 1988 PRIMARY SHEAVE Diagram
#
Description
Price
1
SHEAVE, PRI FIXEDFIXED
82M-17611-00-00
Unavailable
2
. SHEAVE, PRIMARY SLIDING
8V0-17621-01-00
Unavailable
3
CAP
8V0-17631-00-00
Unavailable
4
SPIDER COMPLETE
82M-17640-02-00
Unavailable
8
COLLAR
90387-096J5-00
Unavailable
11
BOLT, HEXAGON
97027-05035-00
Unavailable
14
WASHER, SPRING
92995-06100-00
Unavailable
16
BUSH(83R)
90389-28032-00
Unavailable
17
PIN, DOWEL (8V8)
93607-44190-00
Unavailable
18
WASHER, PLATE (8V8)
90201-077F5-00
Unavailable
19
WASHER(JN5)
92907-16100-00
Unavailable
20
BUSH (81H)
90389-40029-00
Unavailable
21
ROLLER BUSH VESPEL
90386-08153-00
Unavailable
22
WEIGHT, WITH BUSH
82M-W176A-90-00
Unavailable
22
WEIGHT, WITH BUSH
87M-W176A-00-00
Unavailable
23
BUSH(83V)
90386-07152-00
Unavailable
24
SPRING, COMPRESSION
90501-500F5-00
Unavailable
24
SPRING, COMPRESSION
90501-55456-00
Unavailable
25
CLUTCH TUNE-UP KIT
82M-00000-51-00
Unavailable
25
PRIMARY SHEAVE ASY
82M-17601-19-00
Unavailable
25
V-BELT
89X-17641-01-00
Unavailable
25
TOOL
UNA-VAILA-BL-EI
Unavailable
