Partiron

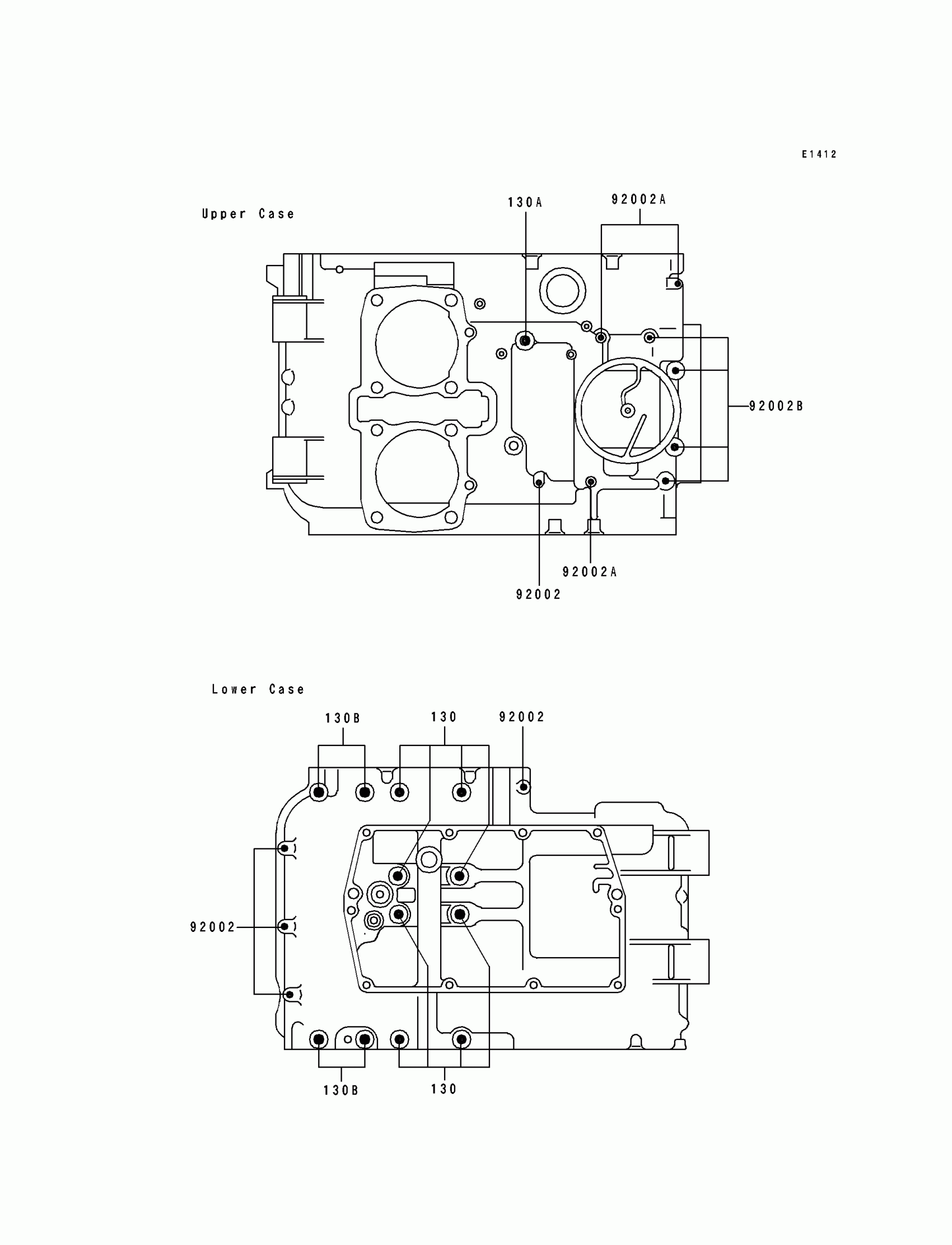
Kawasaki EX500 Crankcase Bolt Pattern Diagram

#

Description
Price

92002

BOLT,FLANGED-SMALL,6X40

92002-1566

$5.30

92002A

BOLT,FLANGED,6X60

92002-1567

Unavailable

92002B

BOLT,FLANGED,6X80

92002-1568

Unavailable

130

BOLT-FLANGED

130Z08100

$11.06

130A

BOLT-FLANGED

130Z0855

$5.75

130B

BOLT-FLANGED

130Z0875

$9.21