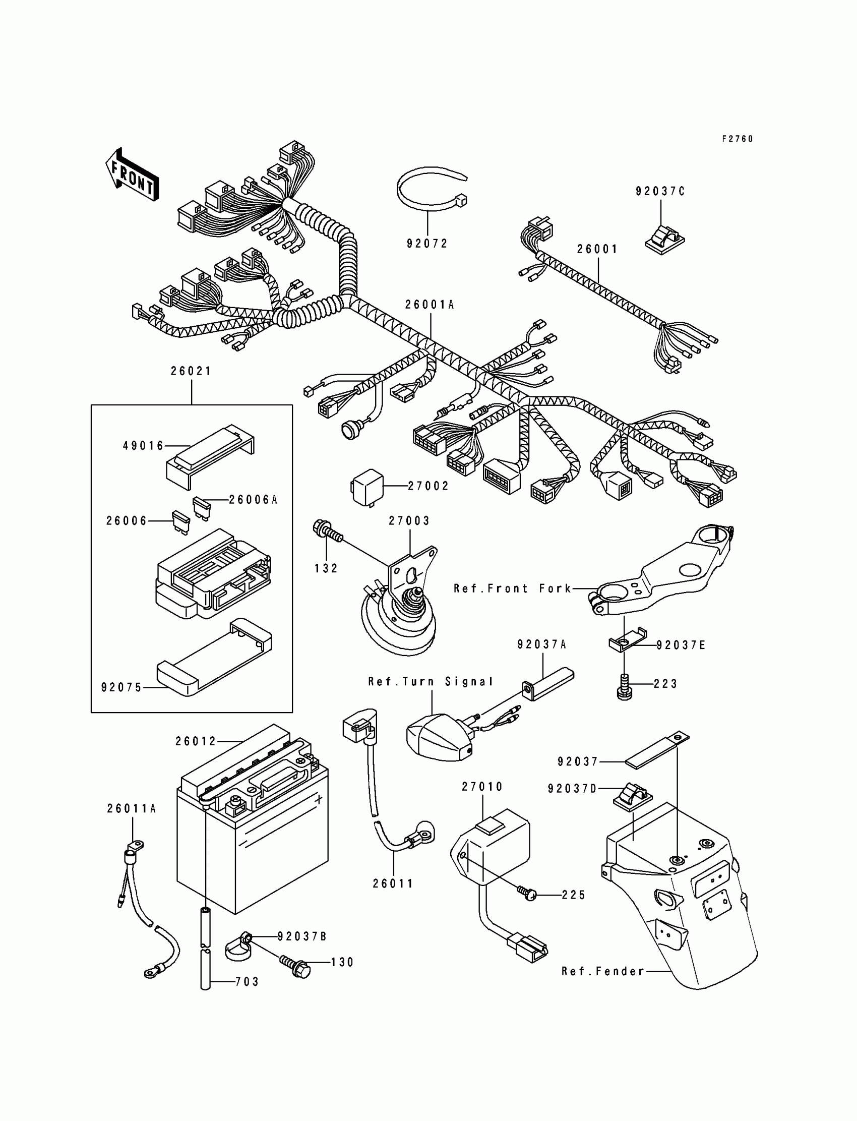
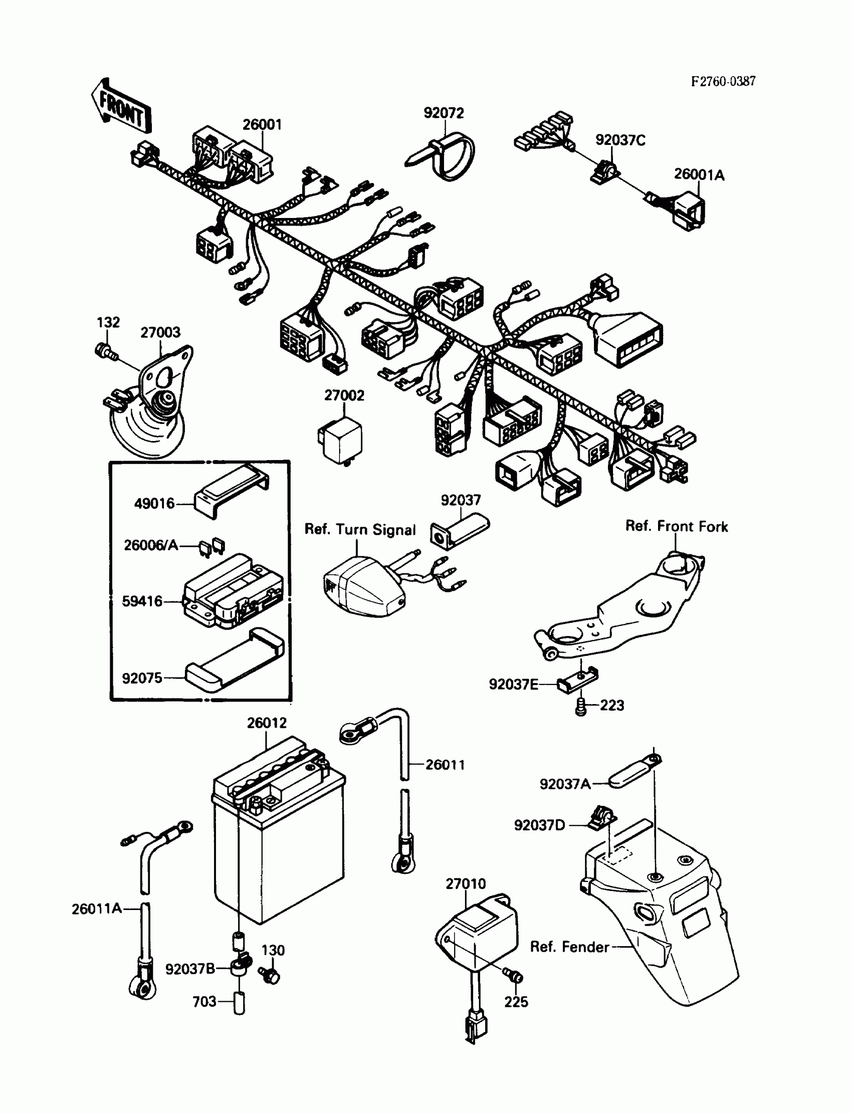
Kawasaki EX500 Chassis Electrical Equipment Diagram
#
Description
Price
27003
HORN
27003-1274
Unavailable
49016
COVER-SEAL,FUSE
49016-1125
Unavailable
92037E
CLAMP,HARNESS
92037-1916
Unavailable
