- Partiron
- OEM Parts
- Yamaha
- snowmobile
- 1981
- EX440E 1981
SECONDARY SHEAVE
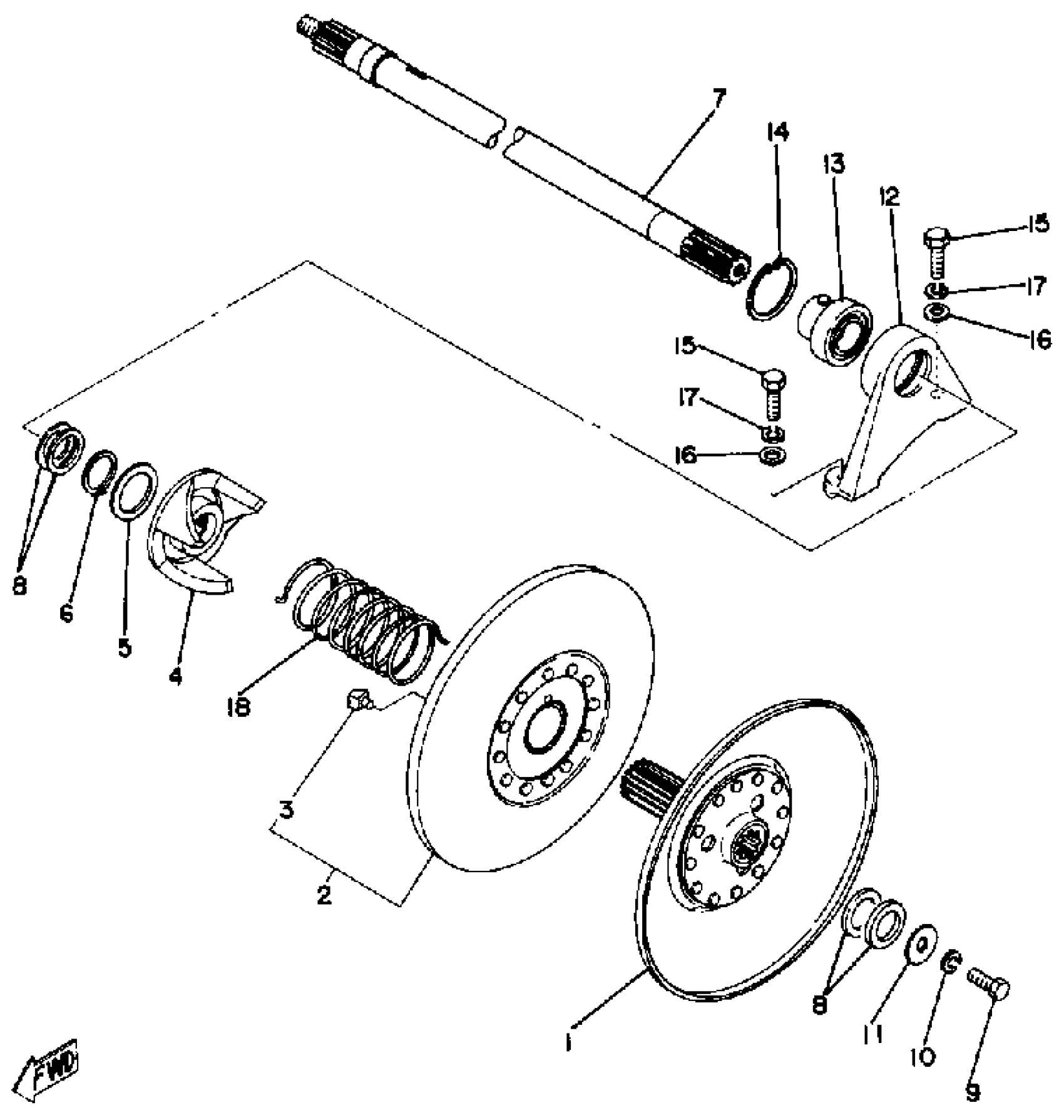
Yamaha EX440E 1981 SECONDARY SHEAVE Diagram
#
Description
Price
1
SEC FXD SHVSHEAVE COMP.
8A5-17660-01-00
Unavailable
2
SEC SLIDING SHEAVE
(8F2-17670-00-00)
Unavailable
4
SEAT, SEC SPRING
8A7-17684-00-00
Unavailable
5
WASHER, PLATE
90201-34684-00
Unavailable
7
SHAFT, SECONDARY
(888-17680-00-00)
Unavailable
12
HOUSING, BEARING
878-47631-00-00
Unavailable
13
BEARING
888-17678-00-00
Unavailable
15
BOLT (8J7)
97013-10030-00
Unavailable
16
WASHER, PLATE
92990-10600-00
Unavailable
18
SPRING, TORSION
90508-45286-00
Unavailable
