- Partiron
- OEM Parts
- Yamaha
- snowmobile
- 1980
- EX440D 1980
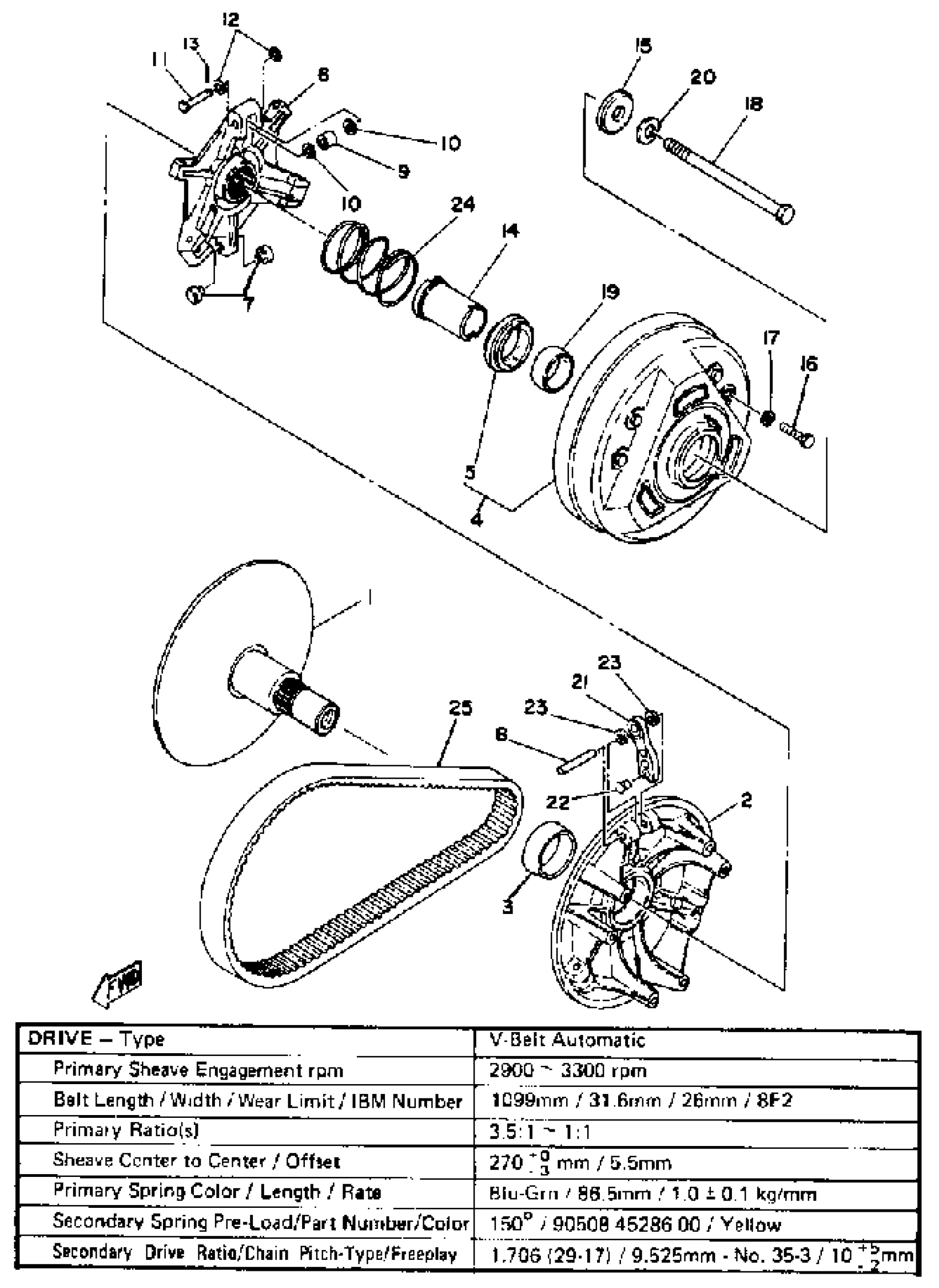
PRIMARY SHEAVE
Yamaha EX440D 1980 PRIMARY SHEAVE Diagram
#
Description
Price
1
PRI. FIXED SHEAVE
8H8-W1761-00-00
Unavailable
2
SHEAVE, PRI SLIDING
8E7-17621-01-00
Unavailable
3
BUSH, SPEC''L SHAPE
90389-41018-00
Unavailable
4
PRI. SHEAVE CAP
8E7-W1762-00-00
Unavailable
5
SEAT, SPRING
8E7-17644-02-00
Unavailable
6
SPIDER
8J0-17627-00-00
Unavailable
14
COLLAR
90387-28721-00
Unavailable
15
SPACER 1
8J0-17654-00-00
Unavailable
16
BOLT(JF7)
97080-06030-00
Unavailable
17
WASHER, SPRING
92995-06100-00
Unavailable
18
BOLT
90101-13406-00
Unavailable
19
. BUSH, SPEC''L SHAPE
90389-34019-00
Unavailable
20
WASHER, SPRING
90204-13010-00
Unavailable
21
WEIGHT 1
8G8-17632-00-00
Unavailable
22
RIVET, COUNTER SUNK (8G8)
90261-06017-00
Unavailable
23
WASHER, PLATE(8E7)
90201-07641-00
Unavailable
24
SPRING, COMPRESSION
90501-45534-00
Unavailable
25
V-BELT
89X-17641-01-00
Unavailable
25
CLUTCH TUNE UP KIT
(8G5-00000-50-00)
Unavailable
25
PRIMARY SHEAVE ASSEMBLY
8G6-17601-09-00
Unavailable
25
CLUTCH WEIGHT KIT
(8G8-17000-10-00)
Unavailable
