- Partiron
- OEM Parts
- Yamaha
- snowmobile
- 1980
- EX440D 1980
ELECTRICAL 2
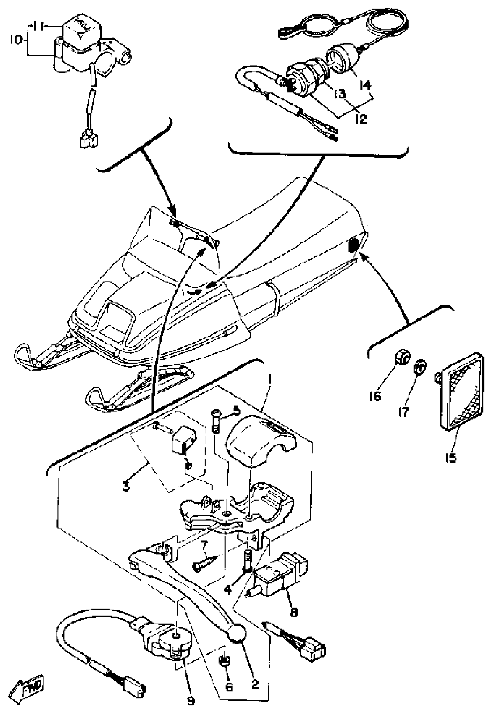
Yamaha EX440D 1980 ELECTRICAL 2 Diagram
#
Description
Price
1
LEVER HOLDER ASSY (LEFT)
8R4-W8291-02-00
Unavailable
2
LEVER L
803-83912-00-38
Unavailable
3
LEVER LOCK ASSY
8E3-W8393-01-00
Unavailable
5
. UNAVAILABLE IN PRICE BOOK (95701-05300)
98502-05038-00
Unavailable
7
. SCREW, TAPPING
97780-30312-00
Unavailable
12
STOP SWITCH ASSEMBLY
8J7-82550-01-00
Unavailable
15
REFLECTOR, REAR 1
8J7-85131-00-00
Unavailable
16
NUT, HEXAGON
95380-06600-00
Unavailable
17
WASHER, SPRING
92995-06100-00
Unavailable
