- Partiron
- OEM Parts
- Yamaha
- snowmobile
- 1980
- EX440D 1980
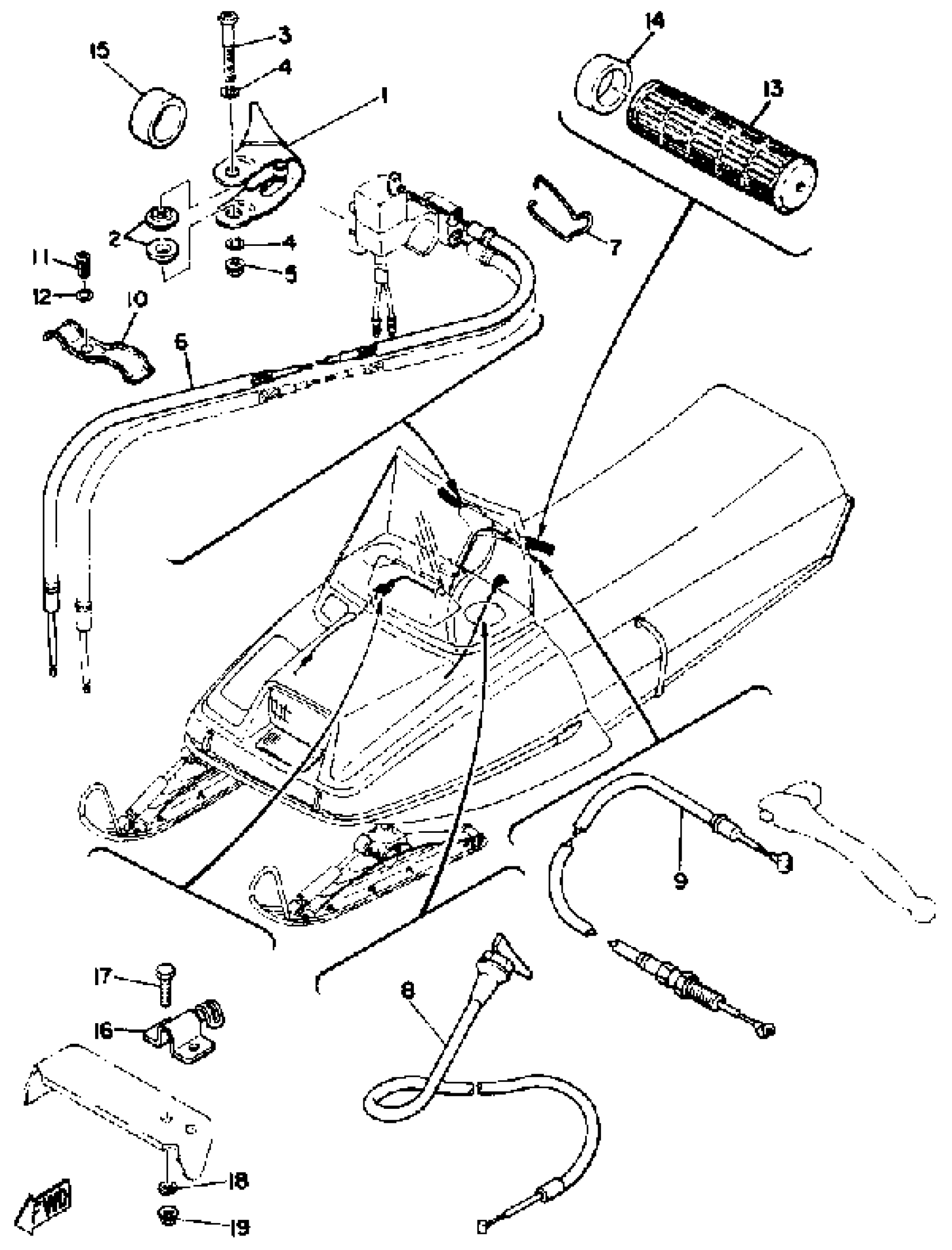
CONTROL - CABLE
Yamaha EX440D 1980 CONTROL - CABLE Diagram
#
Description
Price
1
LEVER,THROTTLE
8K1-42138-00-00
Unavailable
6
CABLE,THROTTLE 1
8G6-26311-00-00
Unavailable
7
CLIP (821-26391-00)
90468-10017-00
Unavailable
8
CABLE, STARTER 1
8J7-26331-00-00
Unavailable
9
CABLE, BRAKE
(8G6-26340-00-00)
Unavailable
10
HOLDER
8G6-26393-00-00
Unavailable
11
SCREW, PAN HEAD(62X)
97885-05010-00
Unavailable
14
COLLAR
90387-22647-00
Unavailable
15
COLLAR
90387-22726-00
Unavailable
16
HOLDER, WIRE
8A5-23874-00-00
Unavailable
17
BOLT, HEXAGON DEEP RECESS
97D95-06016-00
Unavailable
18
WASHER, SPRING
92995-06100-00
Unavailable
