#
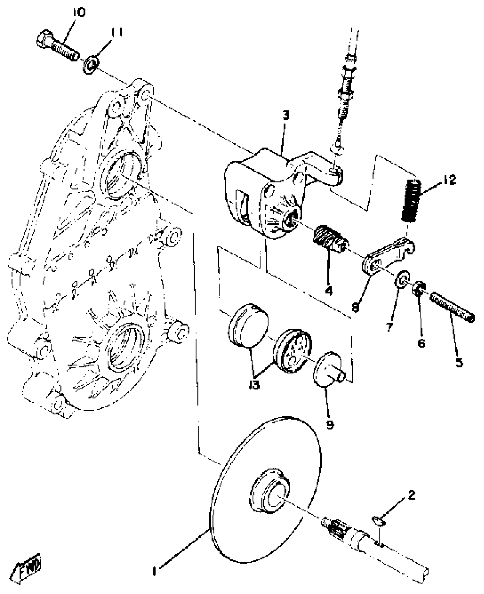
1
888-25831-00-00
Unavailable
3
878-25731-00-00
Unavailable
4
878-25728-00-00
Unavailable
5
90149-08033-00
Unavailable
6
95380-08700-00
Unavailable
7
92990-08600-00
Unavailable
8
878-25726-00-00
Unavailable
9
878-25733-00-00
Unavailable
10
97013-10040-00
Unavailable
12
90501-23337-00
Unavailable
Edit ride
