- Partiron
- OEM Parts
- Yamaha
- snowmobile
- 1979
- EX440C 1979
ELECTRICAL
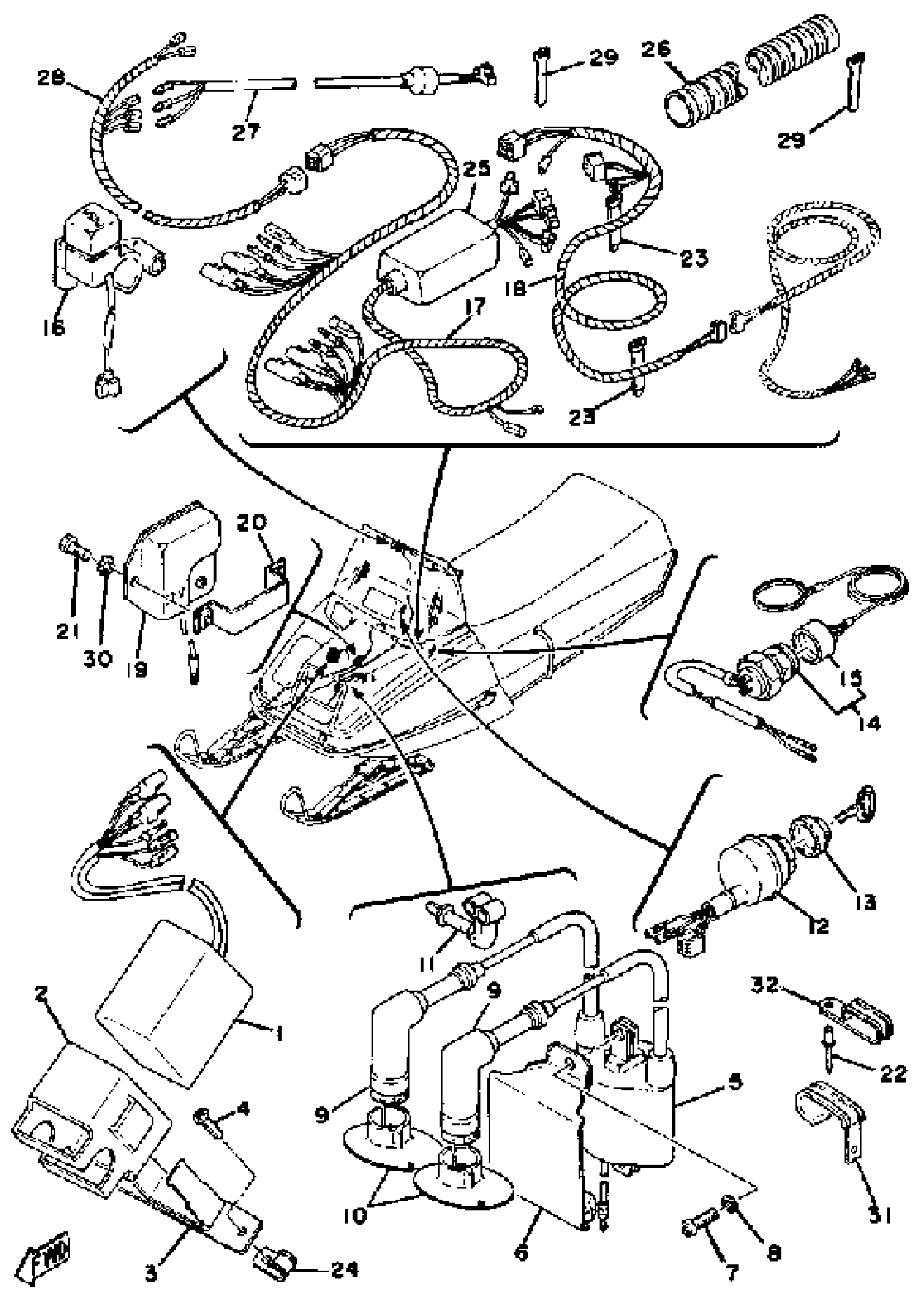
Yamaha EX440C 1979 ELECTRICAL Diagram
#
1
CDI UNIT ASSEMBLY
8H6-85540-10-00
Unavailable
2
BAND
2A7-85546-00-00
Unavailable
3
BRACKET
(8H6-85542-00-00)
Unavailable
5
IGNITION COIL ASY
8E7-82310-09-00
Unavailable
6
COVER, IGNITN COIL
(8E7-82314-00-00)
Unavailable
7
SCREW, PAN HEAD(6E5)
97880-06018-00
Unavailable
8
WASHER, SPRING
92995-06100-00
Unavailable
10
SEAL, PLUG CAP
8E7-82372-00-00
Unavailable
11
CLAMP, CORD
(8E7-82361-00-00)
Unavailable
12
MAIN SWITCH ASSEMBLY
898-82508-20-00
Unavailable
13
COLLAR, MAIN SWITCH
806-82516-00-00
Unavailable
14
STOP SWITCH ASSEMBLY
8J7-82550-01-00
Unavailable
16
SWITCH, HANDLE 1
8E3-83976-02-00
Unavailable
17
WIRE HARNESS ASSEMBLY
8G6-82590-20-00
Unavailable
18
WIRE HARNESS ASSEMBLY 2
8G6-82580-20-00
Unavailable
19
VOLTAGE REGULATOR ASSY
7XE-81910-00-00
Unavailable
20
PLATE, REG FITTING
8G6-81915-00-00
Unavailable
21
BOLT, HEXAGON DEEP RECESS
97D95-06016-00
Unavailable
22
RIVET, BLIND
90267-40936-00
Unavailable
23
BAND
341-26397-01-00
Unavailable
24
CLAMP
90465-06013-00
Unavailable
25
COVER, CONNECTER
(878-82599-00-00)
Unavailable
26
PROTC, WIRE HARNESS
(8G6-82589-00-00)
Unavailable
27
CORD, HEADLIGHT
(8G6-84359-90-00)
Unavailable
28
WIRE, LEAD 1
8G6-84348-00-00
Unavailable
29
BAND, SWITCH CORD
437-83936-01-00
Unavailable
30
WASHER, TOOTH
92901-06400-00
Unavailable
31
CLAMP (706)
90465-06100-00
Unavailable
32
CLAMP
(90461-05014-00)
Unavailable
