- Partiron
- OEM Parts
- Yamaha
- snowmobile
- 1979
- EX440C 1979
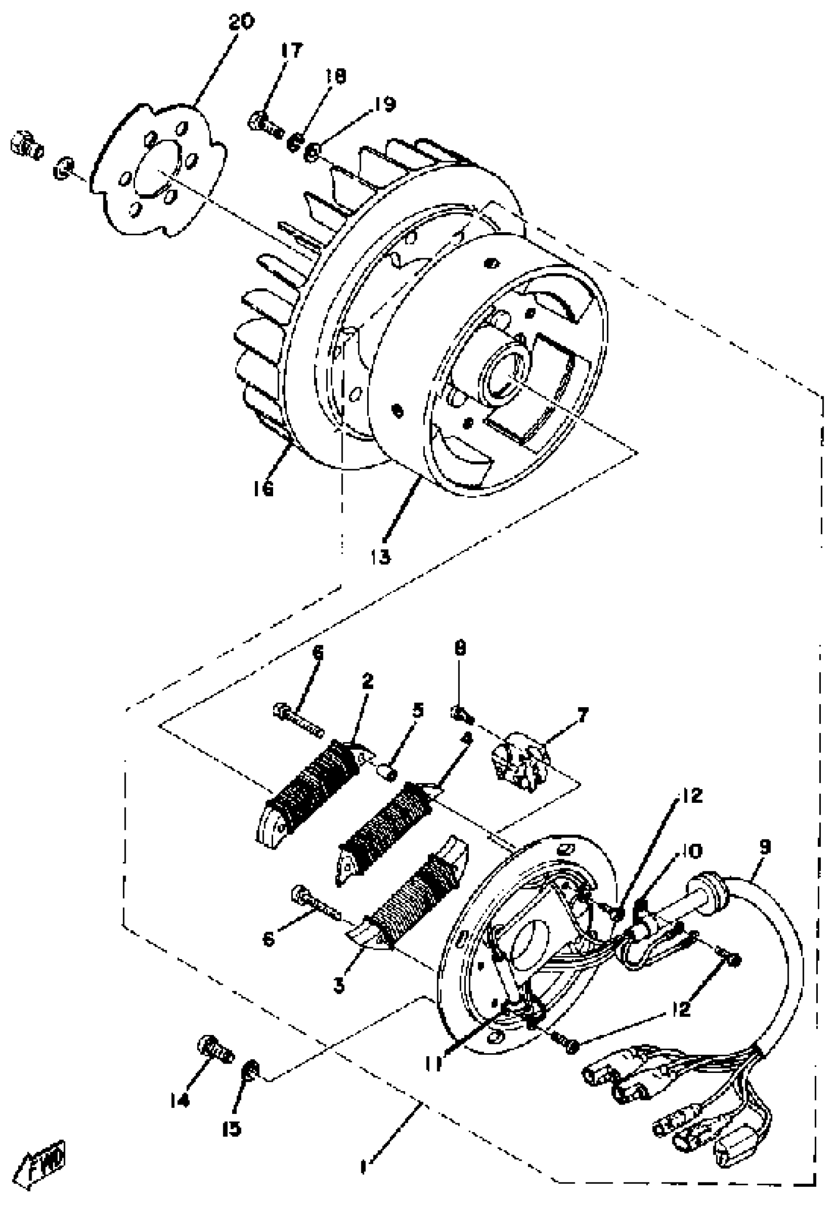
C - D - I - MAGNETO
Yamaha EX440C 1979 C - D - I - MAGNETO Diagram
#
Description
Price
1
CDI MAGNETO ASSEMBLY
(8E7-85500-10-00)
Unavailable
2
. COIL SOURCE 2
8E7-85512-10-00
Unavailable
3
. COIL, LIGHTING 1
8E7-85513-10-00
Unavailable
4
COIL, CHARGE
8E7-85541-10-00
Unavailable
5
. SPACER
647-81318-10-00
Unavailable
7
COIL PULSER
(888-85543-10-00)
Unavailable
9
LEAD WIRE ASSEMBLY
(8E7-85515-10-00)
Unavailable
10
. CLAMP
109-81328-11-00
Unavailable
11
CLAMP, LEAD
(363-85528-10-00)
Unavailable
13
. ROTOR ASSEMBLY
8E7-85550-10-00
Unavailable
16
FAN
838-12611-00-00
Unavailable
17
BOLT, HEXAGON DEEP RECESS
97D95-06016-00
Unavailable
18
WASHER, SPRING
92995-06100-00
Unavailable
20
COVER, HOLE
(8A5-81362-00-00)
Unavailable
