- Partiron
- OEM Parts
- Yamaha
- snowmobile
- 1978
- EX440B 1978
GRIP - WIRING
Yamaha EX440B 1978 GRIP - WIRING Diagram
#
Description
Price
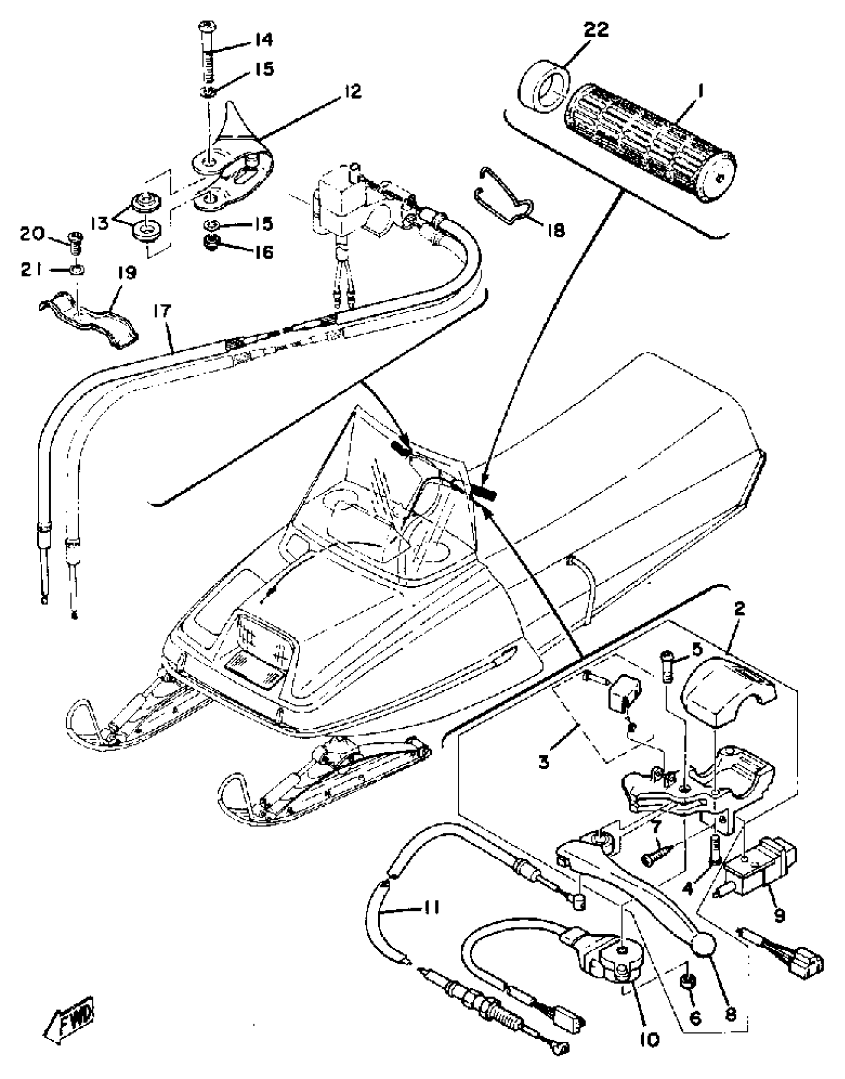
2
LEVER HOLDER ASSY (LEFT)
8R4-W8291-02-00
Unavailable
3
LEVER LOCK ASSY
8E3-W8393-01-00
Unavailable
6
. UNAVAILABLE IN PRICE BOOK (90185-05063)
95701-05063-00
Unavailable
7
. SCREW, TAPPING
97780-30312-00
Unavailable
8
LEVER L
803-83912-00-38
Unavailable
11
CABLE, BRAKE
(8G6-26340-00-00)
Unavailable
12
LEVER, THROTTLE
8G8-42138-00-00
Unavailable
12
THROTTLE LEVER
99999-01028-00
Unavailable
13
C0LLAR
90387-062M9-00
Unavailable
14
SCREW PAN HEAD
98580-06545-00
Unavailable
15
WASHER, PLAIN (646)
92990-06600-00
Unavailable
16
NUT, NYLON
95707-06300-00
Unavailable
17
CABLE,THROTTLE 1
8G6-26311-00-00
Unavailable
18
CLIP (821-26391-00)
90468-10017-00
Unavailable
19
HOLDER
8G6-26393-00-00
Unavailable
20
SCREW, PAN HEAD(62X)
97885-05010-00
Unavailable
21
YBS67-5 WASHER, SPRING
92990-05100-00
Unavailable
22
COLLAR
90387-22647-00
Unavailable
