- Partiron
- OEM Parts
- Yamaha
- waverunner
- 2023
- EX1050DY (EX LIMITED) F3YX 2023
HULL & DECK
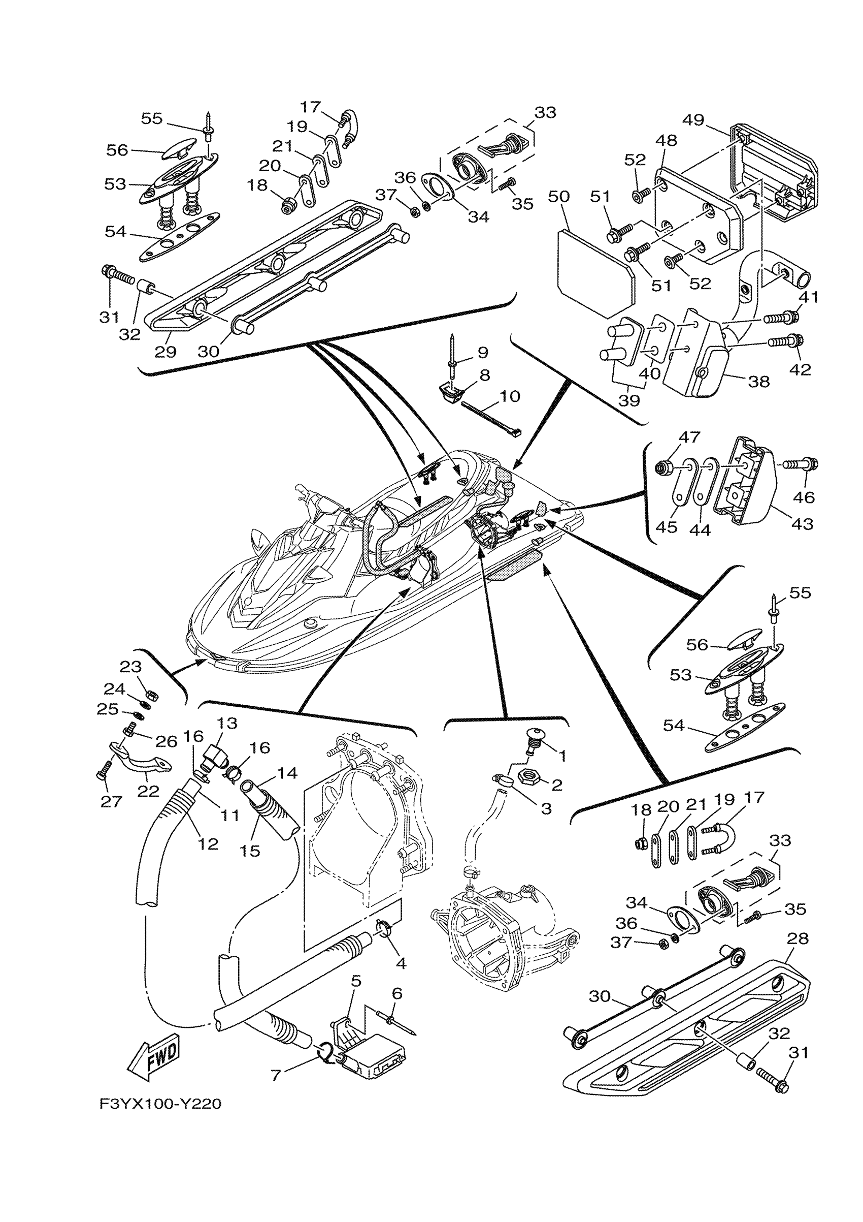
Yamaha EX1050DY (EX LIMITED) F3YX 2023 HULL & DECK Diagram
#
1
SPOUT
F1W-U269B-00-00
Unavailable
2
NUT
EU0-61652-00-00
Unavailable
3
BAND, HOSE 18
90601-118UF-00
Unavailable
4
CLIP
90467-190A2-00
Unavailable
5
STRAINER, BILGE
F1B-U761D-02-00
Unavailable
6
RIVET, BLIND
90267-489U8-00
Unavailable
7
CLAMP
90465-10098-00
Unavailable
8
BASE, CLAMP
F1W-U828M-00-00
Unavailable
9
RIVET, BLIND
90267-48806-00
Unavailable
10
BAND
90601-200U2-00
Unavailable
11
HOSE 2
6GA-U771G-00-00
Unavailable
12
TUBE,2
6GA-U773E-00-00
Unavailable
13
JOINT, HOSE
68N-5112T-00-00
Unavailable
14
HOSE
F5P-U784C-00-00
Unavailable
15
TUBE
6GA-U773D-00-00
Unavailable
16
CLIP
90467-190A2-00
Unavailable
17
STERN EYE
F2N-U1628-02-00
Unavailable
18
NUT, NYLON (6J8)
95780-08300-00
Unavailable
19
PLATE A
GP7-U4953-10-00
Unavailable
20
PLATE A
GP7-U4953-10-00
Unavailable
21
PACKING
F1B-U1653-03-00
Unavailable
22
BOW EYE 1
F1K-61624-00-00
Unavailable
23
NUT.HEX.(COARS)
99780-12600-00
Unavailable
24
YBS66-12 WASHER,PLAIN
92990-12200-00
Unavailable
25
WASHER
F0X-61637-00-00
Unavailable
26
NUT
F0X-61652-01-00
Unavailable
27
BOLT, HEXAGON SOCKET HEAD
90110-06280-00
Unavailable
28
STABILIZER LH
F3Y-U883N-10-00
Unavailable
29
STABILIZER RH
F3Y-U883P-10-00
Unavailable
30
BRACKET,STABILIZER
F3Y-U883T-00-00
Unavailable
31
BOLT,WASHER BASED
90105-088F9-00
Unavailable
32
SPACER
F2N-U8169-10-00
Unavailable
33
DRAIN PLUG ASSY
F1S-U2280-02-00
Unavailable
34
PACKING, DRAIN
F1S-U2285-01-00
Unavailable
35
SCREW, PAN HEAD
9788R-05025-00
Unavailable
36
WASHER
9299R-05200-00
Unavailable
37
NUT, FLANGE
9572R-05300-00
Unavailable
38
LADDER, STEP ASSY
F3Y-U278A-02-00
Unavailable
39
BRACKET, LADDER LH
F2S-U278F-01-00
Unavailable
40
PACKING, BRKT. 1
F2S-U278H-01-00
Unavailable
41
BOLT, WITH WASHER
90119-08844-00
Unavailable
42
BOLT, WITH WASHER
90119-08844-00
Unavailable
43
BOX, STERN
F3Y-U882G-00-00
Unavailable
44
PACKING
F1B-U1653-03-00
Unavailable
45
PLATE A
GP7-U4953-10-00
Unavailable
46
BOLT, WITH WASHER
90119-08820-00
Unavailable
47
NUT, NYLON (6J8)
95780-08300-00
Unavailable
48
STEP
F3Y-U882F-00-00
Unavailable
49
PLATE, STEP 1
F3Y-U884R-00-00
Unavailable
50
COVER STEP 1
F3Y-U4994-00-00
Unavailable
51
BOLT, WITH WASHER
90119-06892-00
Unavailable
52
SCREW
F2S-U13C1-00-00
Unavailable
53
CLEAT ASSY.
F4G-U163A-02-00
Unavailable
54
PACKING
F4G-U2284-10-00
Unavailable
55
RIVET, BLIND
90267-489U2-00
Unavailable
56
COVER
F1X-U826D-01-00
Unavailable
