Yamaha EX1050BW (EX SPORT) F3YL 2021 STEERING 1 Diagram
#
Description
Price
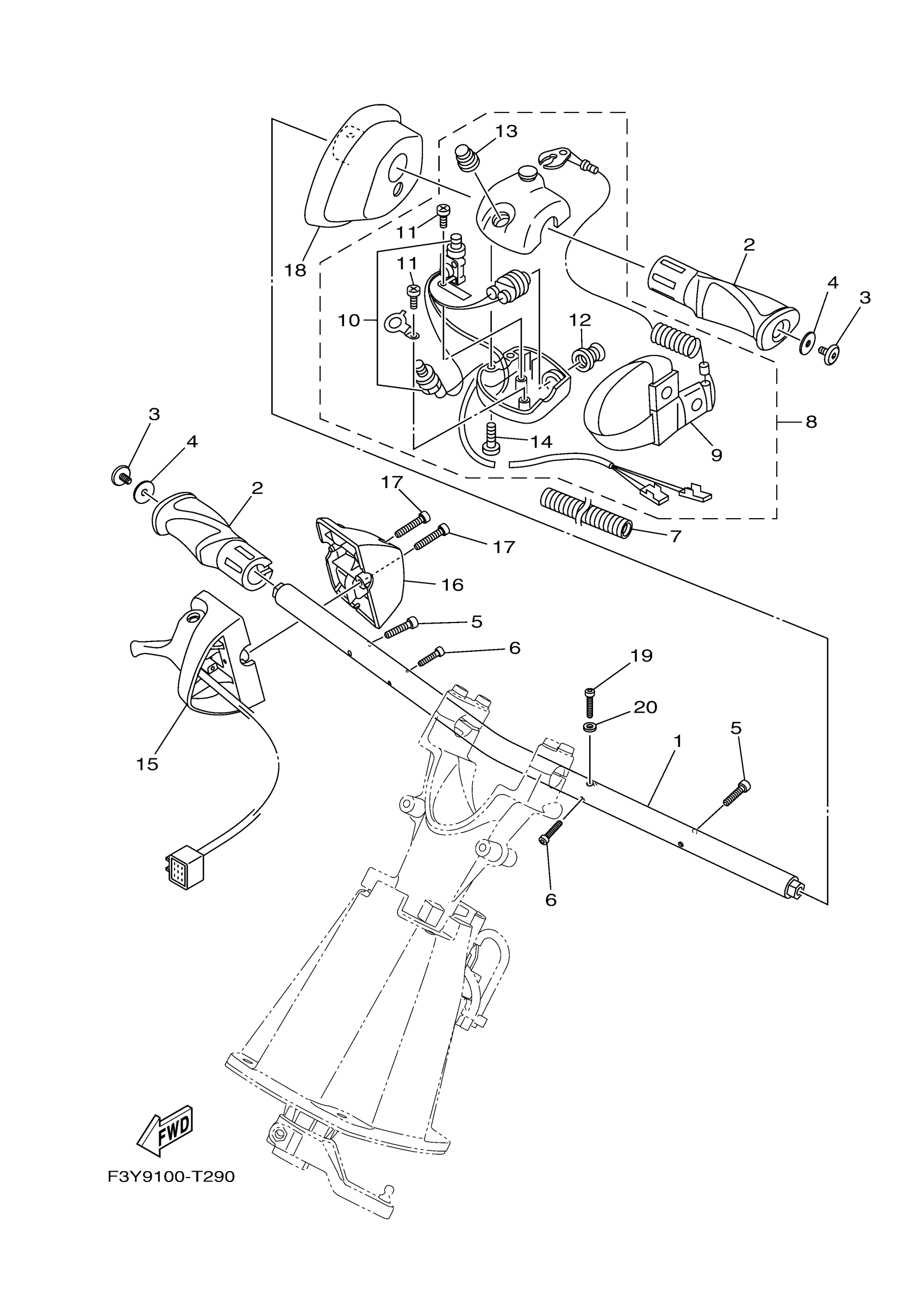
1
HANDLE
F3Y-U1552-00-00
Unavailable
2
GRIP,HANDLE
F2S-U155D-03-00
Unavailable
3
BOLT, HEXAGON SOCKET HEAD
90110-06383-00
Unavailable
4
WASHER, PLATE
90201-068G0-00
Unavailable
5
BOLT
F2S-U1516-00-00
Unavailable
6
BOLT
91380-04030-00
Unavailable
7
TUBE
F3Y-U773D-00-00
Unavailable
8
SWITCH BOX ASSY
F3Y-68310-00-00
Unavailable
9
. LANYARD, STOP SWITCH
EW2-68348-00-00
Unavailable
10
SWITCH BOX ASSY
GA7-68310-01-00
Unavailable
12
. STOP BUTTON COMP
FK7-68312-02-00
Unavailable
13
. START BUTTON COMP
FK7-68313-02-00
Unavailable
15
THROTTLE LEVER COMP
6CS-14305-13-00
Unavailable
16
CASE
6EX-82154-00-00
Unavailable
17
BOLT, THROTTLE
6CS-6725F-00-00
Unavailable
18
SPACER
F3Y-U143G-00-00
Unavailable
19
BOLT
91380-04030-00
Unavailable
20
WASHER, PLATE
90201-04810-00
Unavailable
