- Partiron
- OEM Parts
- Yamaha
- waverunner
- 2019
- EX1050BU (EX SPORT) F3YE 2019
ELECTRICAL 3
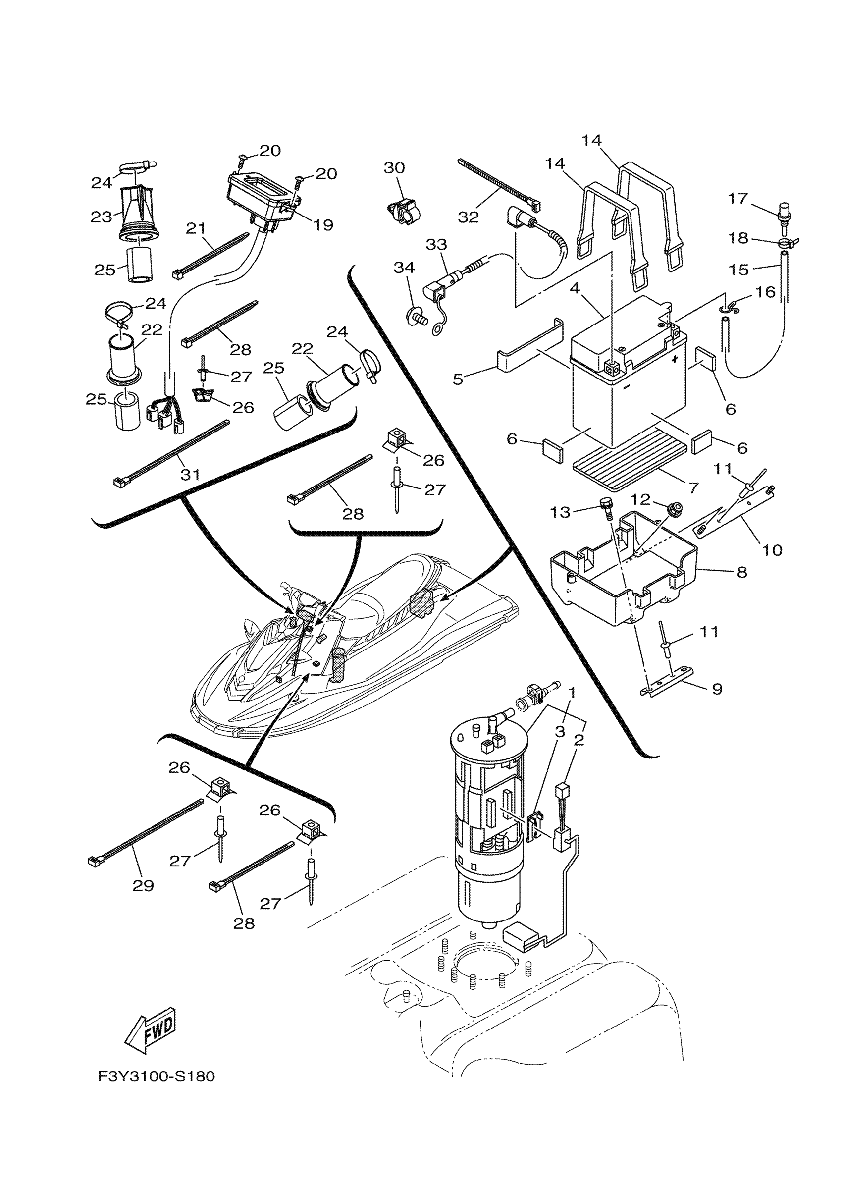
Yamaha EX1050BU (EX SPORT) F3YE 2019 ELECTRICAL 3 Diagram
#
1
FUEL PUMP COMP.
6S5-13907-05-00
Unavailable
2
FUEL SENDER ASSY SET
99999-04571-00
Unavailable
3
DAMPER, STOPPER
60E-82556-10-00
Unavailable
4
YB16CLB YUASA BATTERY
YB1-6CLB0-00-00
Unavailable
5
PAD, BATTERY
F1K-U8221-00-00
Unavailable
7
PAD, BATTERY
F1S-U8221-00-00
Unavailable
8
CASE, BATTERY
F2S-U8211-00-00
Unavailable
9
PLATE, BASE 2
F2S-U8592-00-00
Unavailable
10
PLATE, BASE 3
F2S-U8593-00-00
Unavailable
11
RIVET (EU0)
90267-48938-00
Unavailable
12
NUT, LOCK
F2N-U142L-00-00
Unavailable
13
BOLT, WITH WASHER
90119-06820-00
Unavailable
14
BAND,BATTERY 1
EU0-U821D-00-00
Unavailable
15
HOSE, AIR VENT
F0D-U785G-11-00
Unavailable
16
CLIP
90467-089U1-00
Unavailable
17
NIPPLE
GJ3-6215F-00-00
Unavailable
18
CLAMP
90465-10098-00
Unavailable
19
METER ASSY
F4L-U820A-00-00
Unavailable
20
SCREW
F2S-U7823-01-00
Unavailable
21
CLAMP
90464-32801-00
Unavailable
22
GROMMET
GU2-6822E-01-00
Unavailable
23
GROMMET
F3J-U822E-01-00
Unavailable
24
CLAMP
90464-32801-00
Unavailable
25
PACKING, HOSE 2
GJ1-U7578-22-00
Unavailable
26
BASE, CLAMP
F1W-U828M-00-00
Unavailable
27
RIVET, BLIND
90267-489U6-00
Unavailable
28
CLAMP
90464-32801-00
Unavailable
29
BAND
90601-200U2-00
Unavailable
30
CLAMP
90464-10008-00
Unavailable
31
BAND
90601-200U2-00
Unavailable
32
CLAMP
90464-32801-00
Unavailable
33
WIRE, MINUS LEAD
6GA-82116-00-00
Unavailable
34
BOLT, WITH WASHER
97513-08514-00
Unavailable
