Partiron

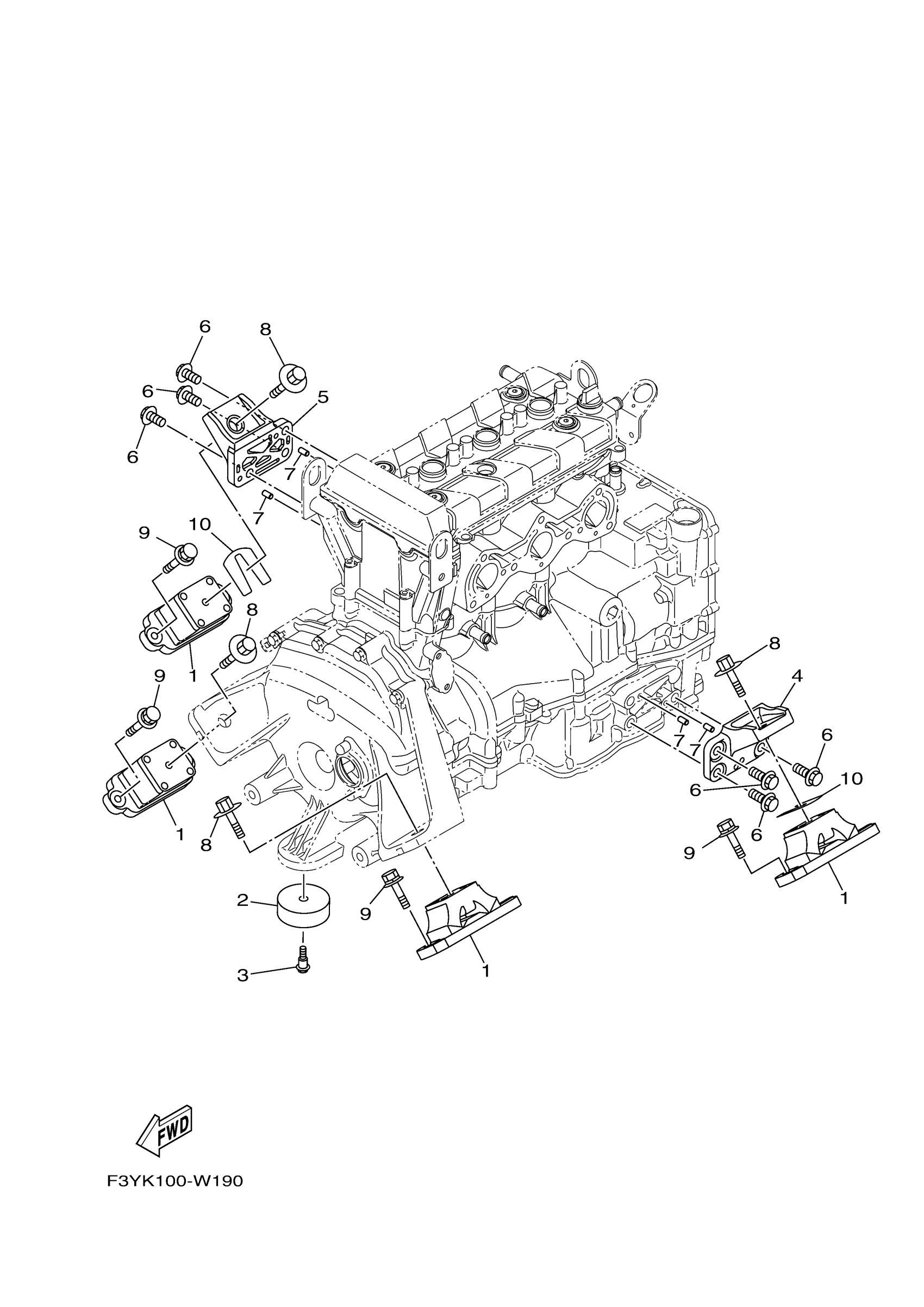
Yamaha EX1050AA (EX DELUXE) F6N2 2024 ENGINE MOUNT Diagram

#

Description
Price

1

MOUNT RUBBER

6GA-44517-00-00

Unavailable

2

STOPPER, LOWER MOUNT RUBBER

6EY-44574-00-00

Unavailable

3

BOLT

90109-06M92-00

$7.49

4

BRACKET 1

6EY-41661-10-00

Unavailable

5

BRACKET 2

6EY-41662-00-00

Unavailable

6

BOLT WASHER BASED HEAD (6M6)

90105-10M49-00

Unavailable

7

PIN, DOWEL (614)

93606-12019-00

$4.24

8

BOLT, WITH WASHER

90119-08860-00

Unavailable

9

BOLT, WITH WASHER

90119-08829-00

Unavailable

10

SHIM (T=0.1)

EU0-67354-A0-00

Unavailable

10

SHIM (T=0.3)

EU0-67354-B0-00

Unavailable

10

SHIM (T=0.5)

EU0-67354-C0-00

Unavailable

10

SHIM (T=1.0)

EU0-67354-D0-00

Unavailable

10

SHIM (T=2.0)

EU0-67354-E0-00

Unavailable