- Partiron
- OEM Parts
- Yamaha
- snowmobile
- 1972
- EW643 1972
OIL TANK - COOLER
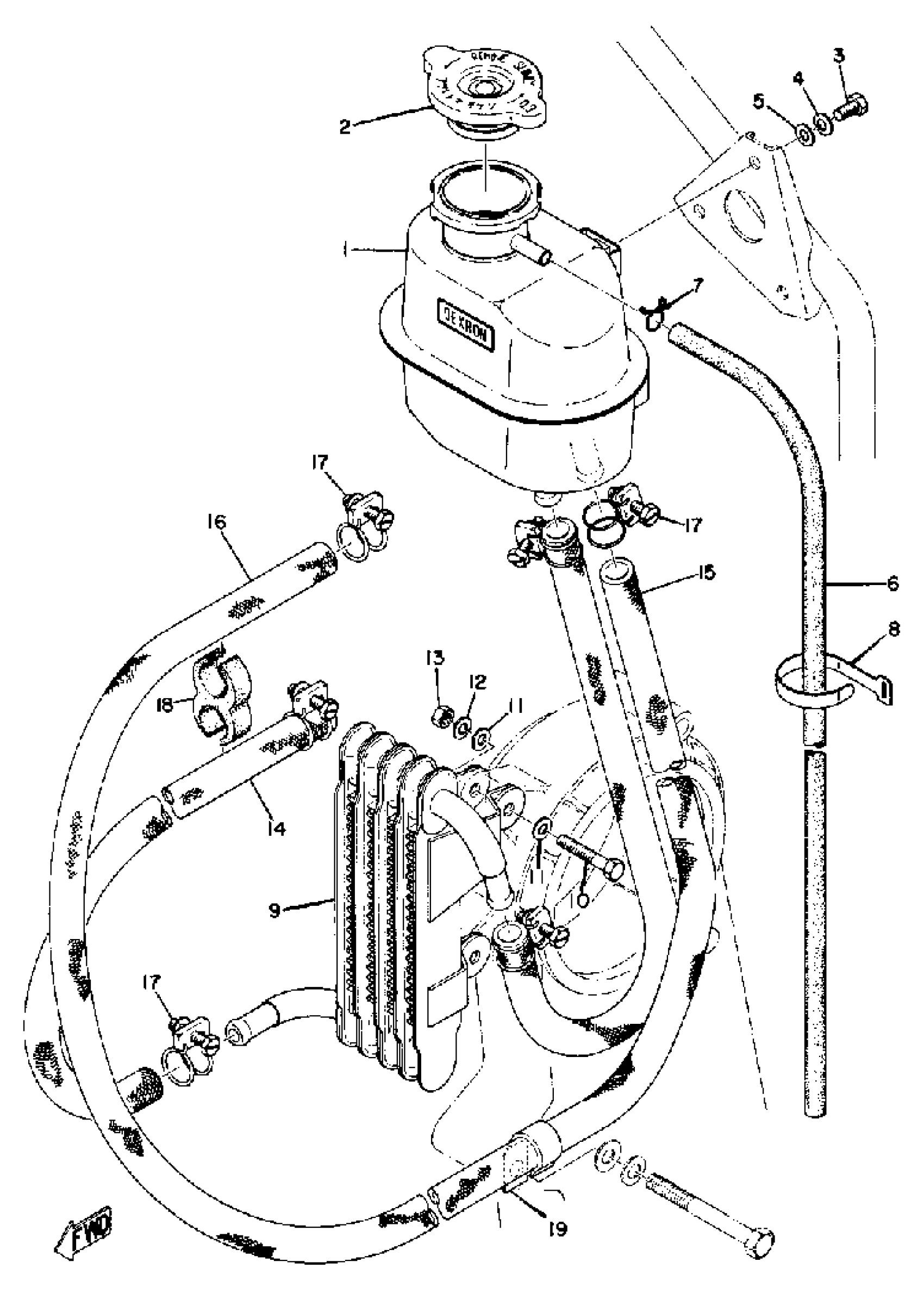
Yamaha EW643 1972 OIL TANK - COOLER Diagram
#
Description
Price
1
TANK, TQ/CONV OIL
(834-21811-00-00)
Unavailable
4
WASHER, SPRING
92995-06100-00
Unavailable
6
HOSE
(90445-11154-00)
Unavailable
9
COOLER
(834-21841-00-00)
Unavailable
12
WASHER, SPRING
92995-06100-00
Unavailable
13
NUT, HEXAGON
95380-06600-00
Unavailable
14
PIPE 1
(834-21816-00-00)
Unavailable
15
PIPE 2
(834-21817-00-00)
Unavailable
16
PIPE 3
(834-21818-00-00)
Unavailable
17
CLAMP, HOSE (834-21822-00)
90460-19039-00
Unavailable
18
BINDER, HOSE
(834-21836-01-00)
Unavailable
19
CLAMP
(90465-10018-00)
Unavailable
