Partiron

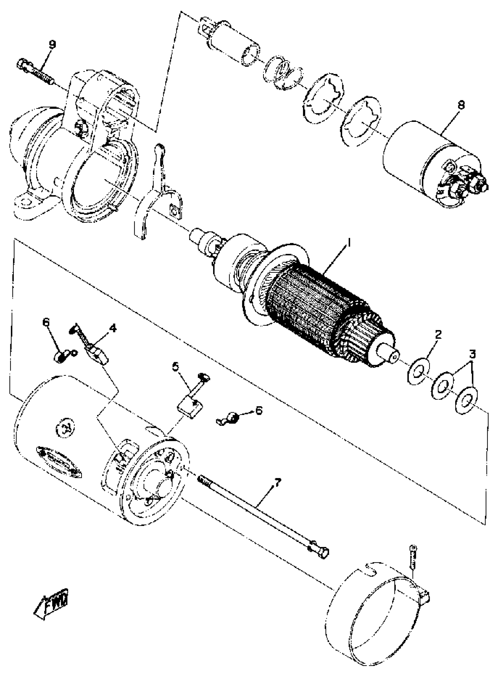
Yamaha EW643 1972 ELECTRIC MOTOR Diagram

#

Description
Price

1

STARTING MOTOR ASSEMBLY

(834-81800-10-00)

Unavailable

1

ARMATURE ASSEMBLY

(834-81850-10-00)

Unavailable

2

STAY, STARTING MTR

(834-81823-10-00)

Unavailable

3

WASHER 2

(834-81824-10-00)

Unavailable

4

. BRUSH 1 (+)

834-81811-10-00

Unavailable

5

BRUSH 2

(834-81812-10-00)

Unavailable

6

SPRING, BRUSH

(834-81813-10-00)

Unavailable

7

BOLT

(834-81826-10-00)

Unavailable

8

SWITCH ASSEMBLY

(834-81860-10-00)

Unavailable

9

SCREW

(834-81846-10-00)

Unavailable