- Partiron
- OEM Parts
- Yamaha
- snowmobile
- 1972
- EW433B 1972
REAR AXLE
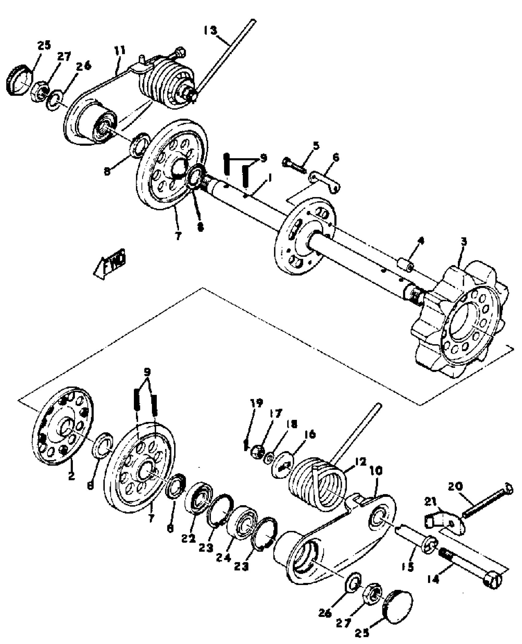
Yamaha EW433B 1972 REAR AXLE Diagram
#
Description
Price
1
REAR AXLE
826-47520-00-00
Unavailable
2
RIM, SPROCKET WHL 2
(810-47522-00-00)
Unavailable
3
WHEEL, SPROCKET 2
810-47532-00-00
Unavailable
4
COLLAR
(90387-06021-00)
Unavailable
6
WASHER, LOCK
90215-06100-00
Unavailable
7
GUIDE WHEEL
810-47530-00-00
Unavailable
8
WASHER, PLATE
90201-25499-00
Unavailable
9
PIN, SPRING
91609-60036-00
Unavailable
10
ARM, REAR PIVOT 1
(810-47361-00-00)
Unavailable
11
ARM, REAR PIVOT 2
810-47362-00-00
Unavailable
12
SPRING, TORSION
90508-72114-00
Unavailable
13
SPRING, TORSION (812-47364-00)
90508-72084-00
Unavailable
14
SCREW, SPEC''L SHAPE
90149-08022-00
Unavailable
15
COLLAR
810-47369-00-00
Unavailable
16
WASHER, SPEC''L SHAP
90209-08067-00
Unavailable
17
NUT, SELF-LOCKING (3Y2)
90185-08089-00
Unavailable
18
WASHER, PLAIN
92990-08200-00
Unavailable
19
PIN, COTTER
91490-30030-00
Unavailable
20
BOLT, DOME HEAD (841-47373-00)
90106-08050-00
Unavailable
21
WASHER, LOCK
90215-08069-00
Unavailable
22
OIL SEAL (25X44X6-810)
93102-25081-00
Unavailable
23
CIRCLIP, R-TYPE
93420-44029-00
Unavailable
24
BEARING
93306-00412-00
Unavailable
25
CAP (NOT AVAIL)
810-47552-00-00
Unavailable
26
WASHER 810475810000
90208-22001-00
Unavailable
27
NUT (821-47579-00)
90170-22094-00
Unavailable
