Partiron

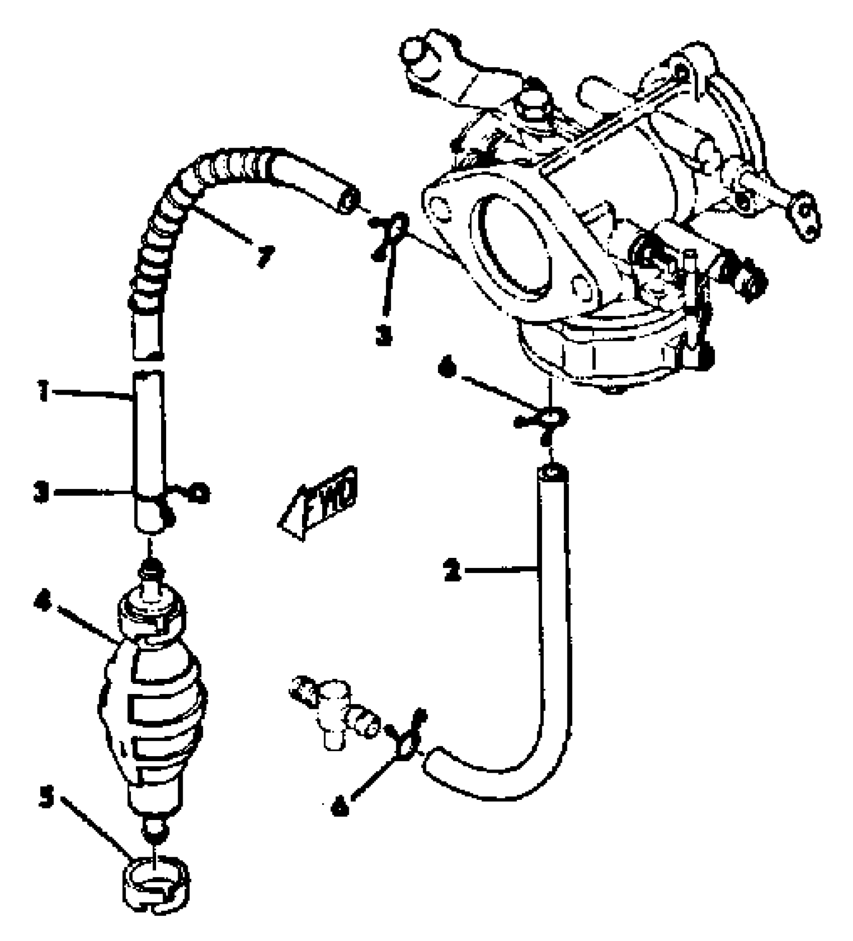
Yamaha EW433B 1972 PIPING Diagram

#

Description
Price

1

HOSE

(90446-11027-00)

Unavailable

2

HOSE (L450)

90445-10144-00

$7.49

3

CLIP (8J7)

90467-11009-00

$10.49

4

PRIMER PUMP ASSEMBLY

810-24360-00-00

Unavailable

5

BAND

(601-24353-00-00)

Unavailable

6

CLIP

90467-090A2-00

$4.41

7

HOSE

(90445-14159-00)

Unavailable