- Partiron
- OEM Parts
- Ski-Doo
- 2025
- Europe - EXPEDITION Series
- Europe - EXPEDITION 900 ACE - LE
- Europe - EXPEDITION - 900 ACE - LE - AASA - Deep Black - 154X20X1.5CST Track - 2025
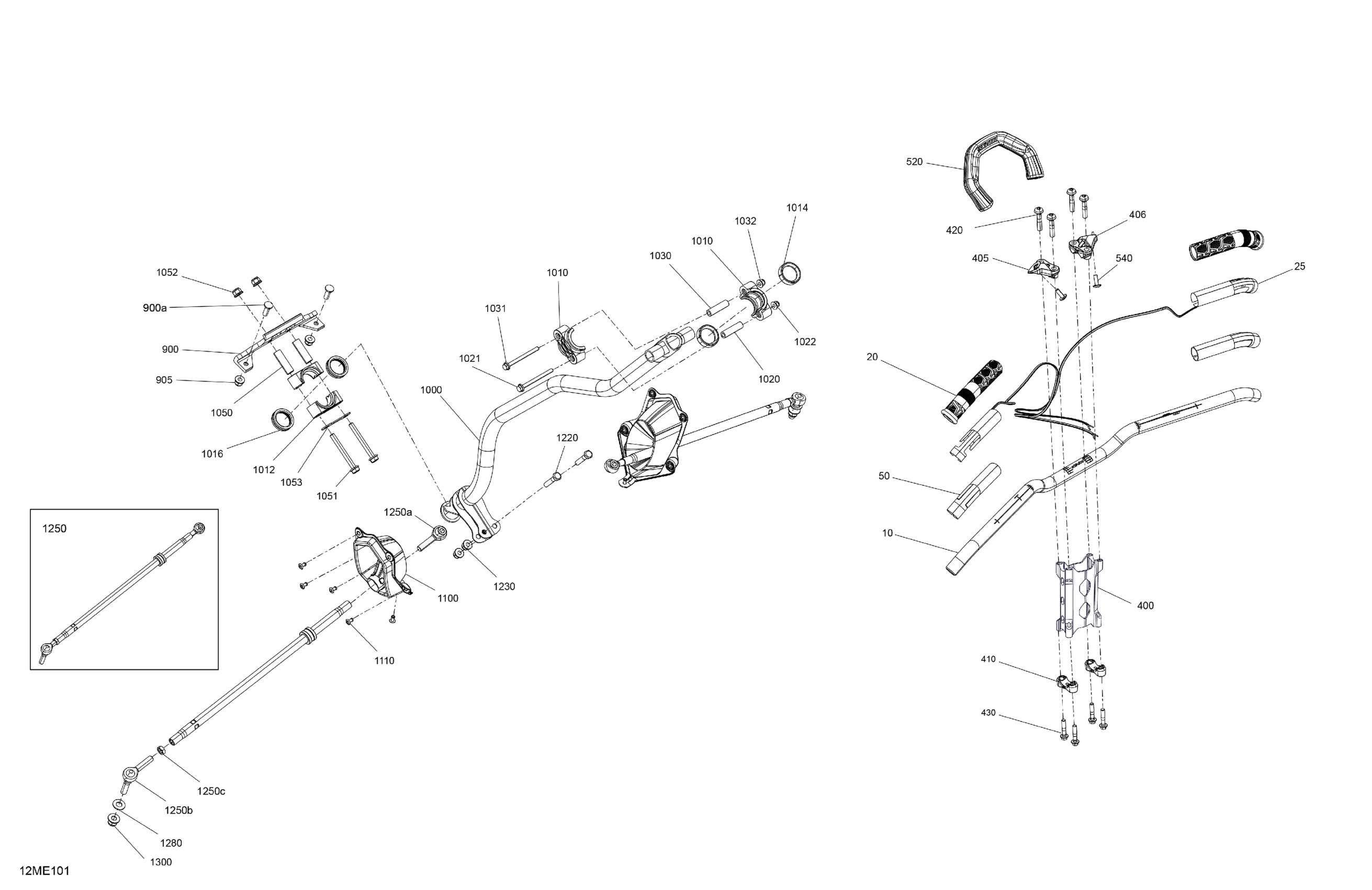
Mechanic - Steering
Ski-Doo Europe - EXPEDITION - 900 ACE - LE - AASA - Deep Black - 154X20X1.5CST Track - 2025 Mechanic - Steering Diagram
#
Description
Price
