- Partiron
- OEM Parts
- Yamaha
- snowmobile
- 1995
- ET410TRV (ENTICER II LT) 1995
ELECTRICAL 1
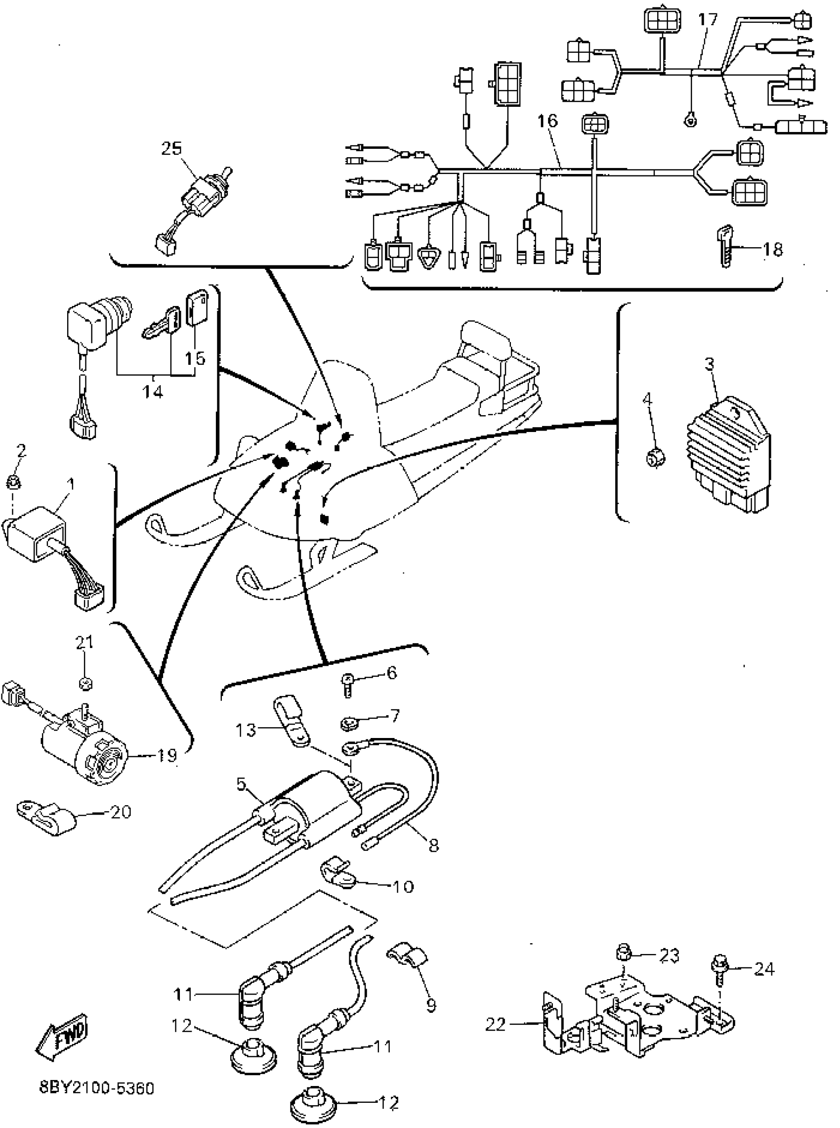
Yamaha ET410TRV (ENTICER II LT) 1995 ELECTRICAL 1 Diagram
#
Description
Price
1
C.D.I. UNIT ASSY
8BY-85540-00-00
Unavailable
7
WASHER, SPRING
92995-06100-00
Unavailable
8
WIRE, SUB-LEAD
87D-82318-00-00
Unavailable
9
CLAMP, CORD
861-82361-00-00
Unavailable
10
CLAMP
90465-08028-00
Unavailable
13
CLAMP(51Y)
90465-08277-00
Unavailable
14
MAIN SWITCH ASSY
8K1-82510-21-00
Unavailable
16
WIRE HARNESS ASSY
8BY-82590-00-00
Unavailable
17
WIRE HARNESS ASSY 2
8BY-82580-00-00
Unavailable
18
BAND
341-26397-01-00
Unavailable
19
BUZZER
87L-83383-00-00
Unavailable
20
CLAMP(4MX)
90465-06376-00
Unavailable
21
NUT, U FLANGE
95604-06200-00
Unavailable
22
BRACKET, BATTERY
89X-2199G-01-00
Unavailable
23
NUT, U FLANGE
95604-06200-00
Unavailable
24
BOLT, FLANGE
95812-06010-00
Unavailable
25
SWITCH
8JD-82917-00-00
Unavailable
