Partiron

Yamaha ET410TRU (ENTICER II LT) 1994 TRACK DRIVE 1 Diagram

#

Description
Price

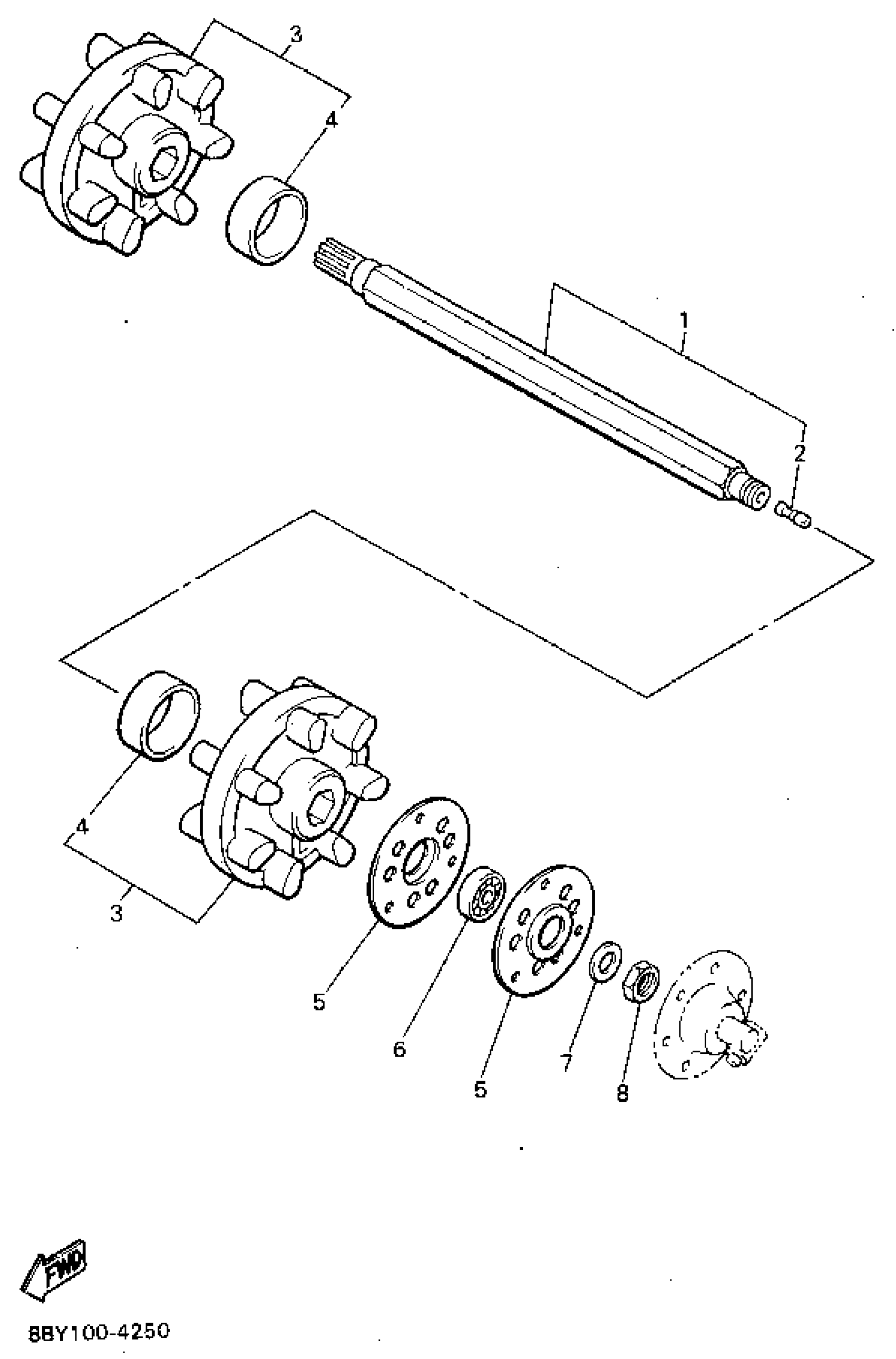
1

AXLE, FRONT

88T-W4751-00-00

Unavailable

2

CONNECTOR

8K4-47577-00-00

$20.99

3

WHEEL SPROCKET ASSY

88L-W4753-00-00

Unavailable

4

COLLAR(83R)

90387-514Y2-00

$20.99

5

HOUSING, FRONT AXLE

8K4-47551-00-00

$31.99

6

BEARING 60/22

93306-00420-00

$40.99

7

WASHER 810475810000

90208-22001-00

$8.49

8

NUT (821-47579-00)

90170-22094-00

$5.60