Partiron

Yamaha ET410TRU (ENTICER II LT) 1994 TAILLIGHT Diagram

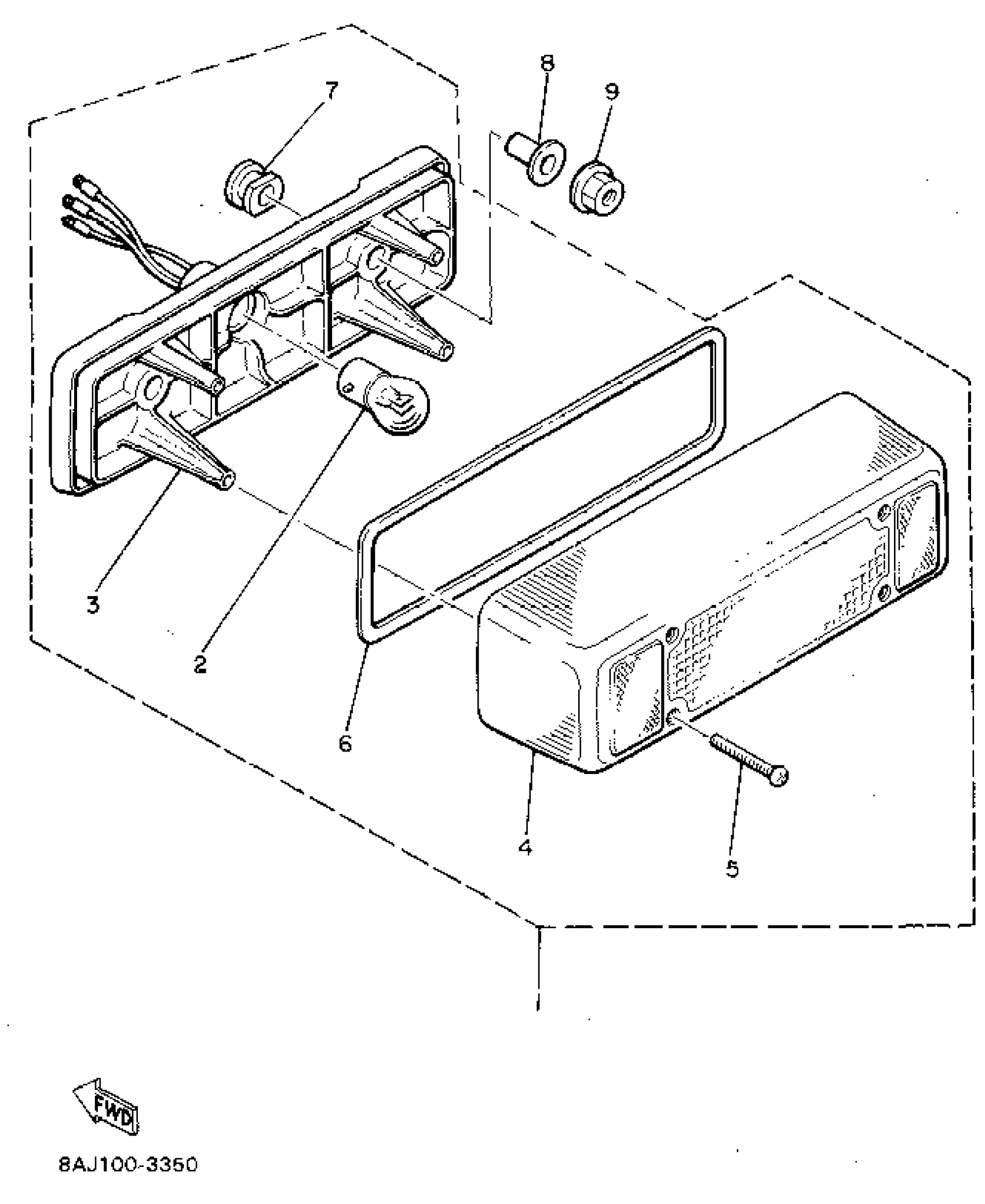
#

Description
Price

1

TAILLIGHT UNIT ASSY

8K4-84710-01-00

$97.99

2

BULB(12V32/3CP)1157

137-84714-61-XX

Unavailable

3

BASE, TAILLIGHT

8K4-84711-01-00

$36.99

4

LENS, TAILLIGHT

8K4-84721-01-00

$43.99

5

YBS83-430 SCREW,PANH. TAPPING

97780-40130-00

$8.49

6

SEAL

3TJ-14457-00-00

Unavailable

7

GROMMET

8K4-84718-00-00

$2.02

8

COLLAR

90387-06166-00

$12.49

9

NUT, FLANGE(7NB)

95780-06500-00

$2.60