Yamaha ET410TRT (ENTICER II LT) 1993 SKI Diagram
#
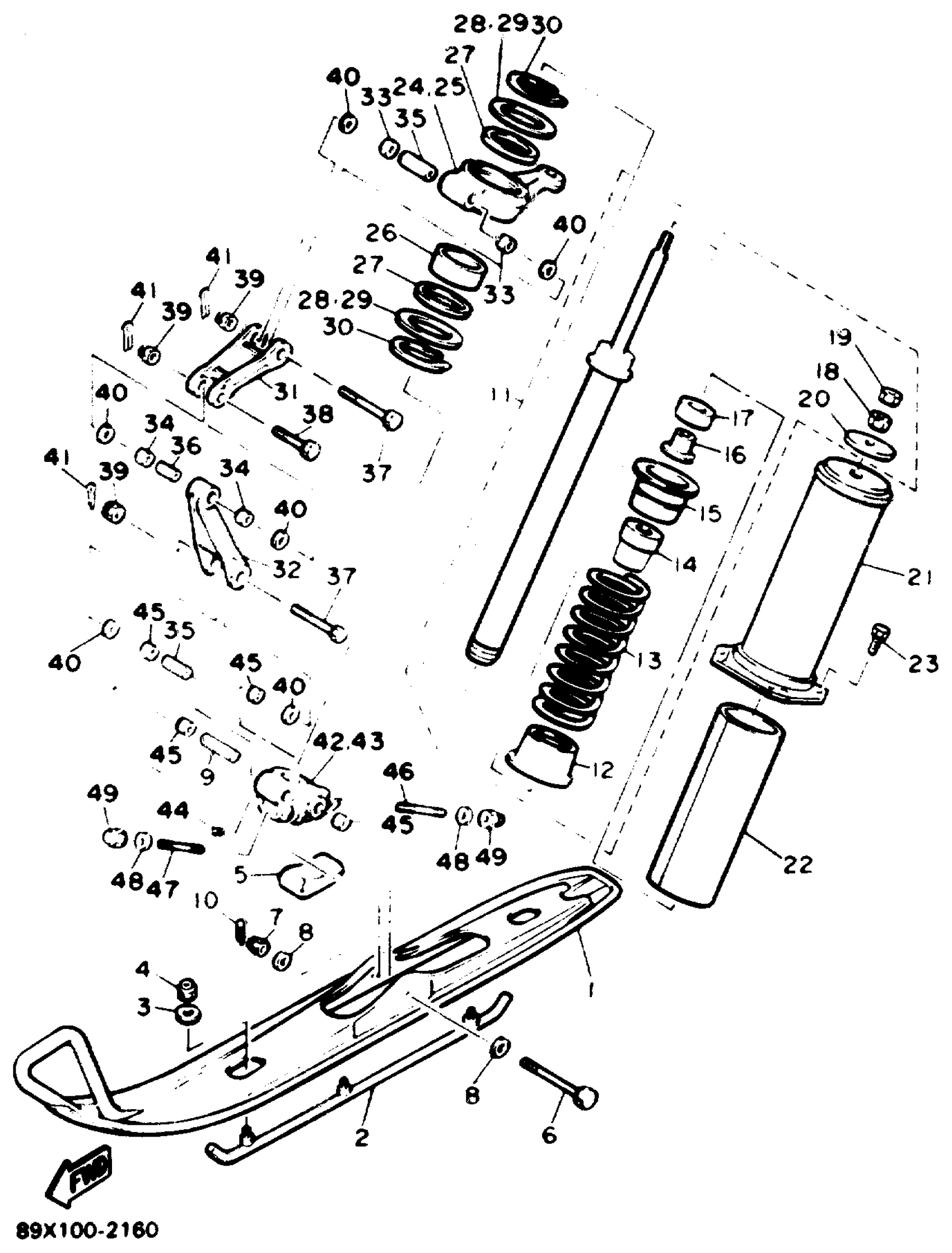
1
SKI COMP. 1
88T-23710-01-00
Unavailable
2
RUNNER 1 (88T-23731-00-00)
88T-23731-00-XX
Unavailable
3
.. WASHER, PLATE
92990-08600-00
Unavailable
11
ABSORBER ASSY 1
87F-2376A-00-00
Unavailable
12
SEAT, SPRING 2
82M-23777-00-00
Unavailable
13
. SPRING, COMPRESSION
90501-787F4-00
Unavailable
14
. BUMP, STOP
87F-22493-00-00
Unavailable
15
PLATE, BACK UP
8AB-23788-00-00
Unavailable
16
COLLAR(82M)
90387-084R1-00
Unavailable
17
WASHER
82M-23779-00-00
Unavailable
18
. NUT
90170-08220-00
Unavailable
19
NUT(6L2)
95333-08600-00
Unavailable
20
WASHER, PLATE(82M)
90201-080L1-00
Unavailable
21
HOLDER, ABSORBER
89X-2376J-00-00
Unavailable
22
PROTECTOR
8L0-2376R-00-00
Unavailable
23
BOLT, HEXAGON
97017-06020-00
Unavailable
24
ARM, OUTSIDE 1
87F-23851-01-00
Unavailable
25
ARM, OUTSIDE 2
87F-23852-01-00
Unavailable
26
BUSH, BIMETAL FORMED (8U7)
90384-53175-00
Unavailable
27
OIL SEAL (8U7)
93109-53036-00
Unavailable
28
WASHER, PLATE (8L9)
90201-536A1-00
Unavailable
29
WASHER, PLATE(8W1)
90201-535H6-00
Unavailable
30
CIRCLIP (8L9)
93410-52061-00
Unavailable
31
ARM, FRONT 1
8L0-2382E-01-00
Unavailable
32
ARM, FRONT 2
8L0-2382F-00-00
Unavailable
33
BUSH, BIMETAL FORMED (8L0)
90384-14091-00
Unavailable
34
BUSH, BIMETAL FORMED (8L0)
90384-14096-00
Unavailable
35
COLLAR(89A)
90387-101Y9-00
Unavailable
36
COLLAR (8L0)
90387-100A4-00
Unavailable
37
BOLT, WITH HOLE (8L0)
90102-10039-00
Unavailable
38
BOLT, HEXAGON SOCKET HEAD(85L)
90110-10173-00
Unavailable
40
WASHER PLATE 626441260000
90202-14037-00
Unavailable
42
BRACKET 1
84M-2376E-00-00
Unavailable
43
BRACKET 2
84M-2377E-00-00
Unavailable
44
BOLT, SET (8K2)
90113-06039-00
Unavailable
45
BUSH, BIMETAL FORMED (8L0)
90384-14091-00
Unavailable
46
BOLT, STUD 3
95617-08655-00
Unavailable
47
BOLT, STUD 3
95617-08640-00
Unavailable
48
.. WASHER, PLATE
92990-08600-00
Unavailable
49
NUT, NYLON
95717-08300-00
Unavailable
