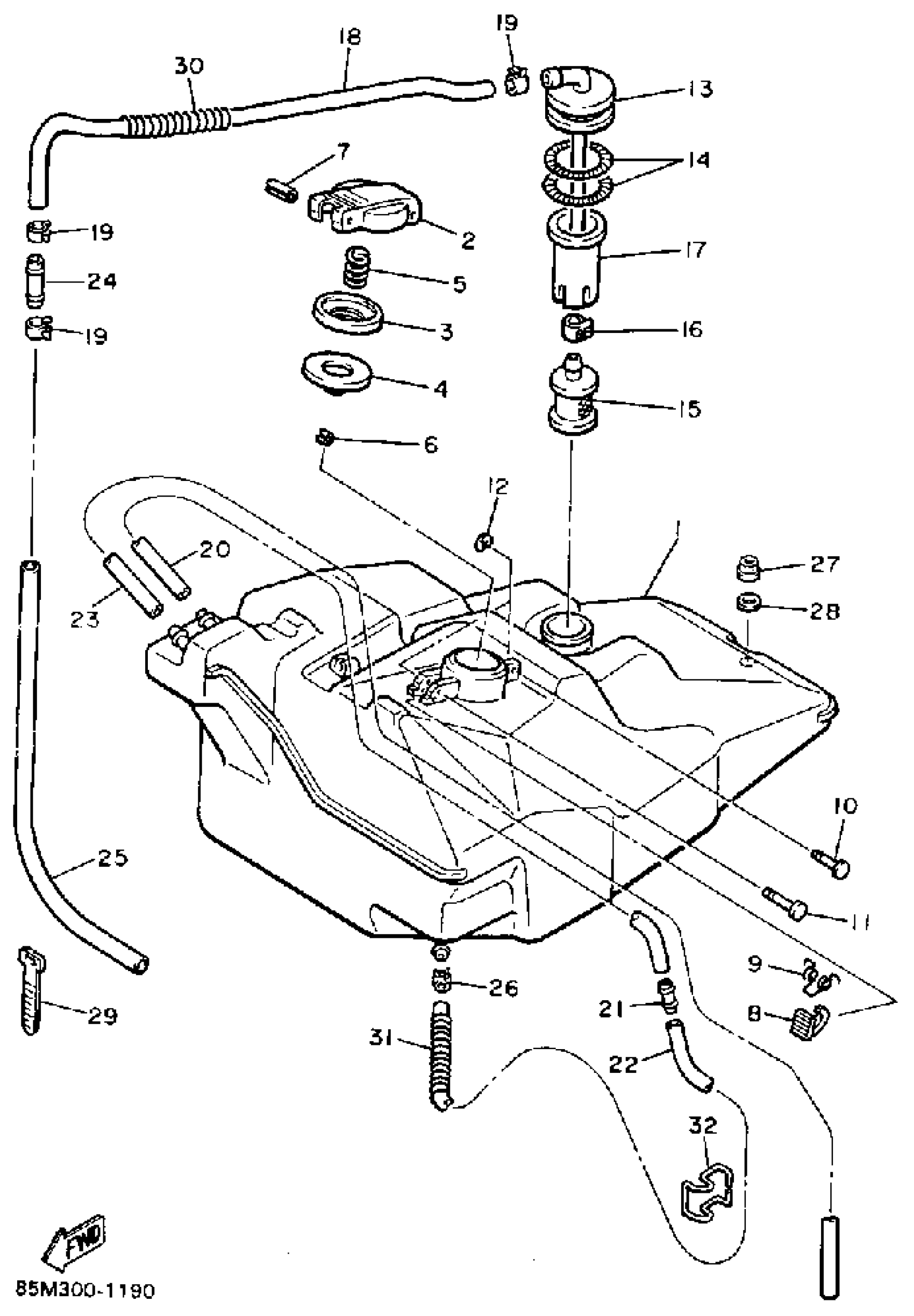
Yamaha ET410TRS (ENTICER II LT) 1992 FUEL TANK Diagram
#
Description
Price
1
TANK, FUEL
85L-24111-01-00
Unavailable
2
BODY, CAP
8W6-24611-00-00
Unavailable
3
UNAVAILABLE IN PRICE BOOK
132-46130-10-0
Unavailable
6
PIN, SPRING
91690-30016-00
Unavailable
9
SPRING, TORSION(81E)
90508-10715-00
Unavailable
10
PIN (8W6)
90249-03175-00
Unavailable
13
PIPE, SUCTION 1 (8V0-24335-01)
86M-24335-00-00
Unavailable
15
FILTER ASSY
8H5-24560-00-00
Unavailable
16
CLIP
90467-11028-00
Unavailable
17
PIPE, SUCTION 2
8V0-24336-00-00
Unavailable
18
HOSE
90446-11305-00
Unavailable
19
CLIP
90467-11028-00
Unavailable
20
TUBE, FLEXIBLE VINYL(8AK)
91A20-05080-00
Unavailable
21
PIPE, JOINT
8H8-24376-00-00
Unavailable
22
TUBE, FLEXIBLE VINYL(8AK)
91A20-05080-00
Unavailable
23
TUBE, FLEXIBLE VINYL(8AT)
91A20-05145-00
Unavailable
24
PIPE, JOINT 4
878-24379-00-00
Unavailable
25
HOSE
90446-11323-00
Unavailable
26
CLIP (8A1)
90467-09026-00
Unavailable
27
NUT, NYLON
95717-08300-00
Unavailable
28
WASHER, PLATE (3L7)
90201-08784-00
Unavailable
29
BAND
341-26397-01-00
Unavailable
30
SPRING,COMPRESSION
90501-084J1-00
Unavailable
31
SPRING, COMPRESSION(8AF)
90501-083J8-00
Unavailable
32
CLAMP 1
87D-24135-00-00
Unavailable
