- Partiron
- OEM Parts
- Yamaha
- snowmobile
- 1990
- ET400TRP (ENTICER LTR) 1990
TRACK DRIVE 2
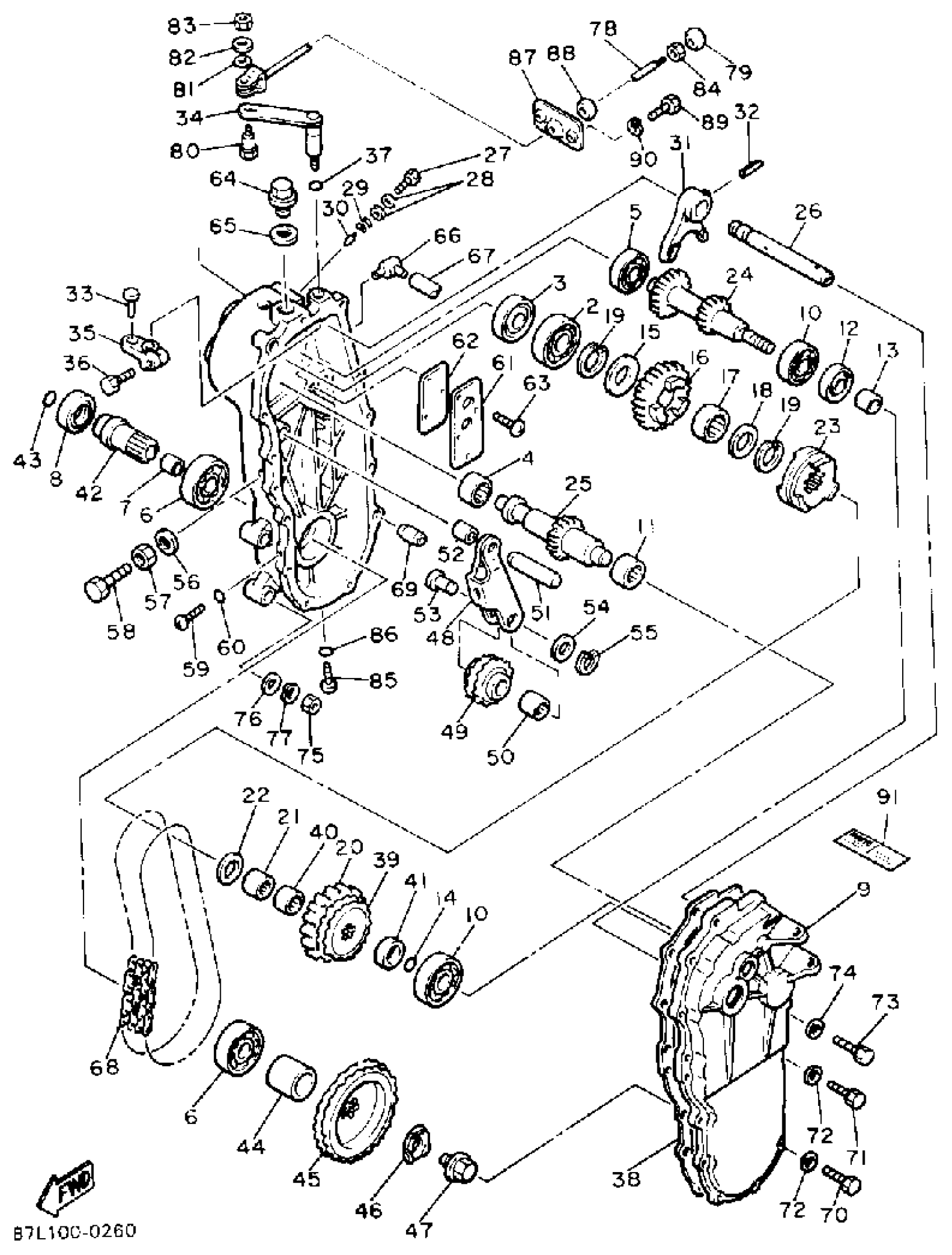
Yamaha ET400TRP (ENTICER LTR) 1990 TRACK DRIVE 2 Diagram
#
1
HOUSING, CHAIN
87L-47541-00-00
Unavailable
4
BEARING, CYLINDER.#20
93320-21805-00
Unavailable
6
BEARING
93306-90702-00
Unavailable
7
COLLAR
90387-35363-00
Unavailable
8
OIL SEAL, SD-TYPE
93102-40080-00
Unavailable
9
CAP, HOUSING
8X2-47543-00-00
Unavailable
11
BEARING, CYLINDER.#20
93320-21805-00
Unavailable
13
COLLAR
90387-17134-00
Unavailable
14
O-RING
93210-17674-00
Unavailable
16
GEAR, 2ND PINION
8X2-17121-00-00
Unavailable
17
BRG,CYL-CAL ROLLER 21G NT
93315-32516-00
Unavailable
18
WASHER, PLATE (3X0)
90201-252A4-00
Unavailable
19
CIRCLIP (256)
93410-25017-00
Unavailable
20
GEAR, 3RD PINION
8X2-17131-00-00
Unavailable
21
BRG,CYL-CAL ROLLER 10G KY
93315-11720-00
Unavailable
22
WASHER, PLATE (8H8)
90201-17713-00
Unavailable
23
DOG, TRANS SHIFTSHIFT
8V2-17492-00-00
Unavailable
24
AXLE, COUNTER
87L-17431-00-00
Unavailable
25
AXLE, IDLE
8X2-17432-00-00
Unavailable
26
BAR, SHIF FRK GDE 1GUIDE 1
8X2-18531-00-00
Unavailable
27
BOLT (85V)
90101-08698-00
Unavailable
28
WASHER (8A7)
90201-08452-00
Unavailable
29
SPRING COMPRESSION826181830000
90501-10060-00
Unavailable
30
PIN(85W)
90249-07215-00
Unavailable
31
FORK, SHIFT 1
87L-18511-00-00
Unavailable
32
PIN, SPRING
91690-40020-00
Unavailable
33
PIN, SHIFT
8V2-18173-00-00
Unavailable
34
LEVER, SHIFT 1
8X2-18121-00-00
Unavailable
35
LEVER
8X2-18191-00-00
Unavailable
36
BOLT, HEXAGON
97017-06020-00
Unavailable
37
O-RING (1J7)
93210-09350-00
Unavailable
38
GASKET
85W-47592-00-00
Unavailable
39
SPRKT, CHAIN DRDRIVE (15T)
8X2-17682-50-00
Unavailable
39
SPRKT, CHAIN DRDRIVE (14T)
8X5-17682-40-00
Unavailable
40
BRG,CYL-CAL ROLLER 10G KY
93315-11720-00
Unavailable
41
COLLAR
90387-171H7-00
Unavailable
42
JOURNAL 1
868-47571-00-00
Unavailable
43
O-RING (437)
93210-24235-00
Unavailable
44
COLLAR
90387-35364-00
Unavailable
45
SPROCKET, CHN DRVNDRIVEN (31T)
8V2-47548-10-00
Unavailable
45
SPROCKET, CHN DRVNDRIVEN (32T)
8X2-47548-20-00
Unavailable
45
SPROCKET, CHN DRVNDRIVEN (33T)
8X5-47548-30-00
Unavailable
46
WASHER, LOCK
90215-30217-00
Unavailable
47
BOLT
90109-241A2-00
Unavailable
48
HOLDER
8V2-47613-00-00
Unavailable
49
WHEEL
8X5-47612-00-00
Unavailable
50
BRG,CYL-CAL ROLLER 11G KY
93315-21227-00
Unavailable
51
PIN, DOWEL
93612-47207-00
Unavailable
52
COLLAR (4V4)
90387-121E8-00
Unavailable
53
PIN, SPEC''L SHAPE
90249-12163-00
Unavailable
54
WASHER, PLATE (583)
90201-12631-00
Unavailable
55
CIRCLIP(10Y)
99009-12400-00
Unavailable
56
WASHER SEAL 256111730200
90210-10004-00
Unavailable
57
NUT (682)
95380-10700-00
Unavailable
58
BOLT, HEXAGON (8F3)
90101-10357-00
Unavailable
59
SCREW PAN HEAD
98580-06010-00
Unavailable
60
GASKET 838153840000
90430-06016-00
Unavailable
61
PLATE
8G8-47591-00-00
Unavailable
62
GASKET
85T-47592-00-00
Unavailable
63
SCREW, BIND(J45)
98980-06012-00
Unavailable
64
PLUG, STRAIGT SCREW (2A2)
90340-22047-00
Unavailable
65
GASKET (1L9)
90430-22144-00
Unavailable
66
BREATHER
583-15371-00-00
Unavailable
67
HOSE (L420)
90445-092K1-00
Unavailable
68
CHAIN 84G ET400TRN
94890-07080-00
Unavailable
69
PIN, DOWEL(3VD)
99530-10114-00
Unavailable
70
BOLT,SOCKET
91317-06035-00
Unavailable
71
BOLT,SOCKET
91317-06045-00
Unavailable
72
WASHER(6TA)
92907-06600-00
Unavailable
73
BOLT (83L)
97022-06045-00
Unavailable
74
WASHER, SPRING
92995-06100-00
Unavailable
75
NUT(6L2)
95333-08600-00
Unavailable
76
WASHER, PLAIN
92990-08200-00
Unavailable
77
YBS67-8 WASHER, SPRING
92990-08100-00
Unavailable
78
ARM, SHIFT
8X2-18112-00-00
Unavailable
79
KNOB, CHANGE
8V2-18199-00-00
Unavailable
80
BOLT(3GB)
90109-061F3-00
Unavailable
81
WASHER 1
8X2-18137-00-00
Unavailable
82
WASHER, PLATE (8K2)
90201-06778-00
Unavailable
83
NUT, NYLON
95707-06300-00
Unavailable
84
NUT(650)
95380-06700-00
Unavailable
85
SCREW, BIND(2TV)
98980-06008-00
Unavailable
86
GASKET (4V2)
90430-06166-00
Unavailable
87
COVER, SHIFT SHAFT
8X2-18129-00-00
Unavailable
88
UNAVAILABLE IN PRICE BOOK
90380-81280-0
Unavailable
89
BOLT, HEXAGON
97013-05010-00
Unavailable
90
YBS67-5 WASHER, SPRING
92990-05100-00
Unavailable
91
LABEL, 1
81W-47578-00-00
Unavailable
