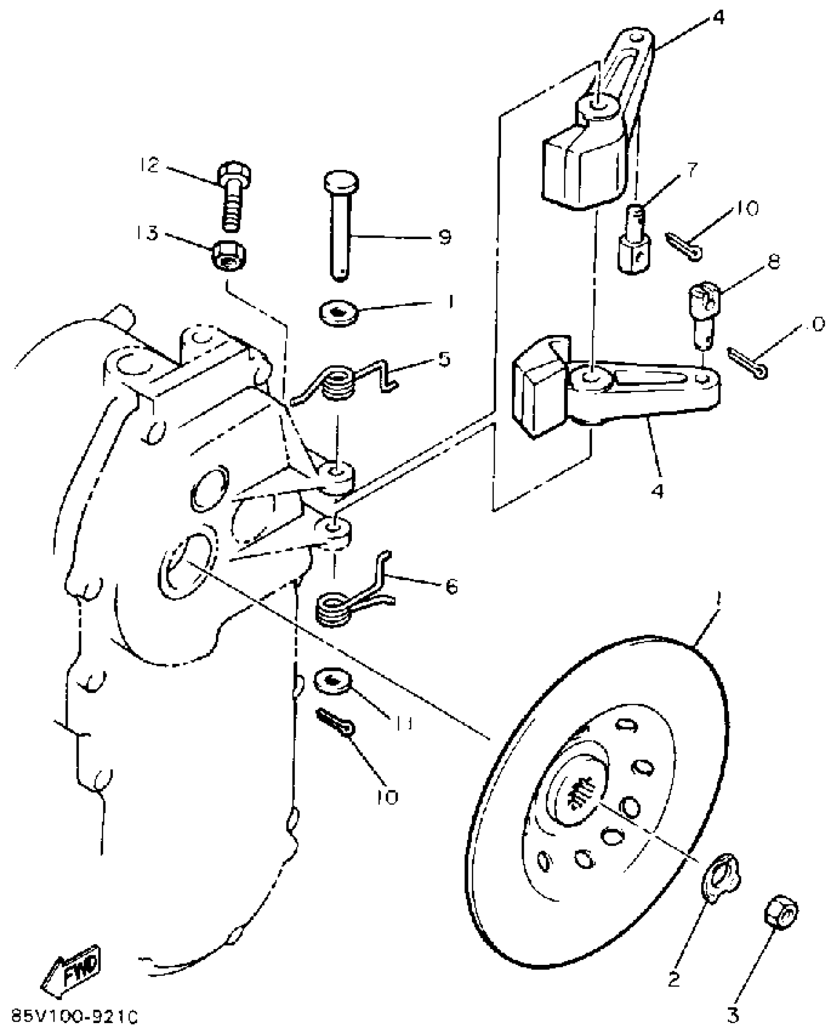
#
1
87L-25711-00-00
Unavailable
2
90209-15312-00
Unavailable
3
90179-12458-00
Unavailable
5
90508-29794-00
Unavailable
6
90508-29795-00
Unavailable
7
90249-06012-00
Unavailable
8
90249-06009-00
Unavailable
9
90240-08135-00
Unavailable
11
92990-08600-00
Unavailable
12
90101-05706-00
Unavailable
Edit ride
