- Partiron
- OEM Parts
- Yamaha
- snowmobile
- 1988
- ET340TRM (ENTICER LTR (LONG TRACK+REVERSE)) 1988
TRACK SUSPENSION 1
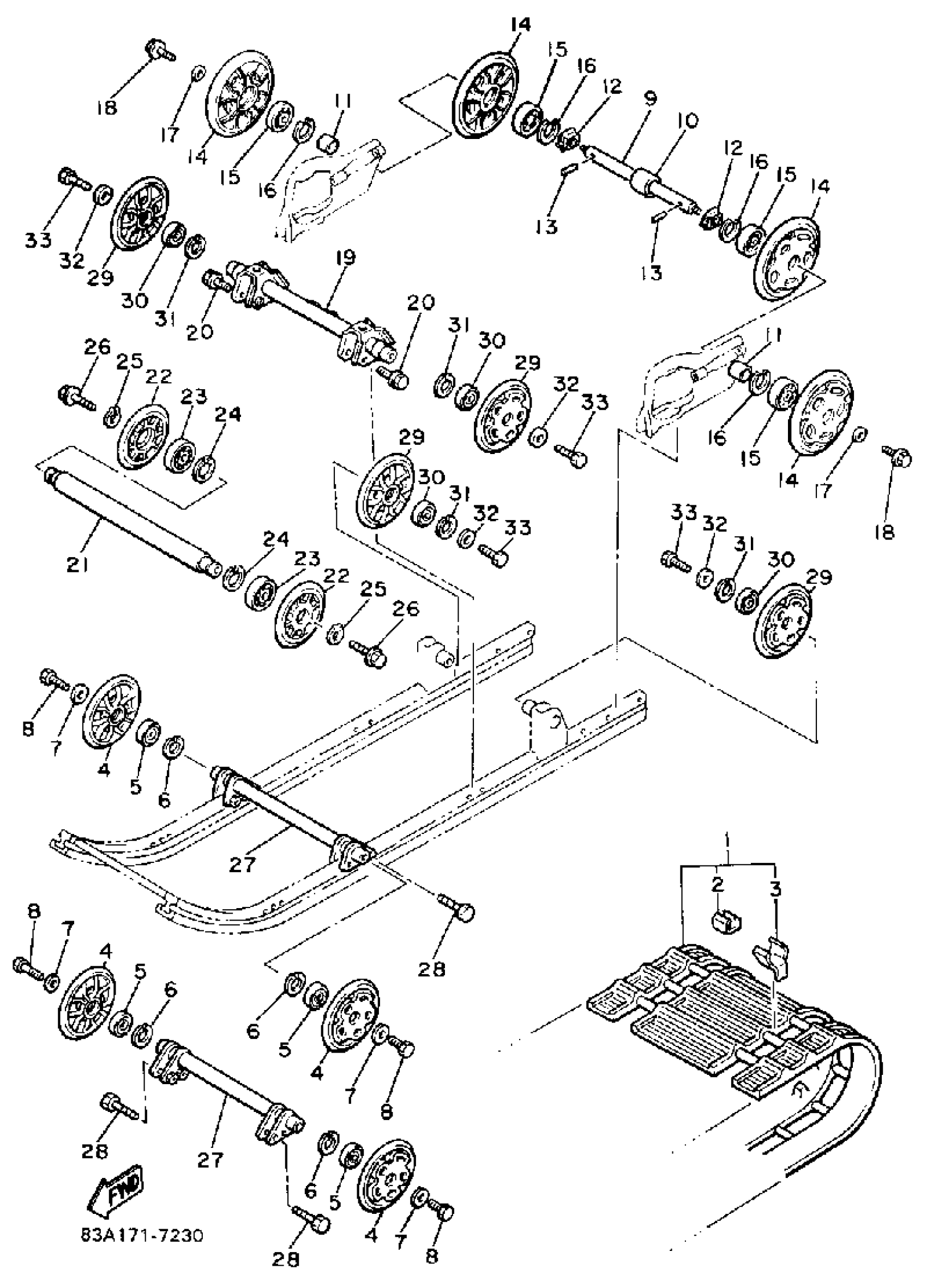
Yamaha ET340TRM (ENTICER LTR (LONG TRACK+REVERSE)) 1988 TRACK SUSPENSION 1 Diagram
#
Description
Price
1
TRACK ASY
8BH-47110-00-00
Unavailable
3
METAL, SLIDE
8A5-47115-00-00
Unavailable
9
AXLE, REAR
8A5-47521-00-00
Unavailable
10
COLLAR
90387-203E7-00
Unavailable
11
COLLAR
90387-201H9-00
Unavailable
12
COLLAR 3
885-47479-00-00
Unavailable
13
PIN, SPRING (663)
91690-40040-00
Unavailable
16
CIRCLIP(48Y)
99009-47500-00
Unavailable
17
WASHER, PLATE (8M2)
90201-083A8-00
Unavailable
18
BOLT, FLANGE(8AB)
95817-08020-00
Unavailable
19
BAR, SUSPENSION
8V5-47451-00-00
Unavailable
20
BOLT, WITH WASHER
90119-08008-00
Unavailable
21
IDLER
8L1-47461-00-00
Unavailable
22
SUSPENSION WHEEL COMP.
8H8-47320-00-00
Unavailable
25
CIRCLIP(1AR)
99009-20400-00
Unavailable
26
BOLT, FLANGE(8AB)
95817-08020-00
Unavailable
27
BAR, SUSPENSION
8T9-47451-00-00
Unavailable
28
BOLT(21W)
97017-06035-00
Unavailable
