- Partiron
- OEM Parts
- Yamaha
- snowmobile
- 1988
- ET340TRM (ENTICER LTR (LONG TRACK+REVERSE)) 1988
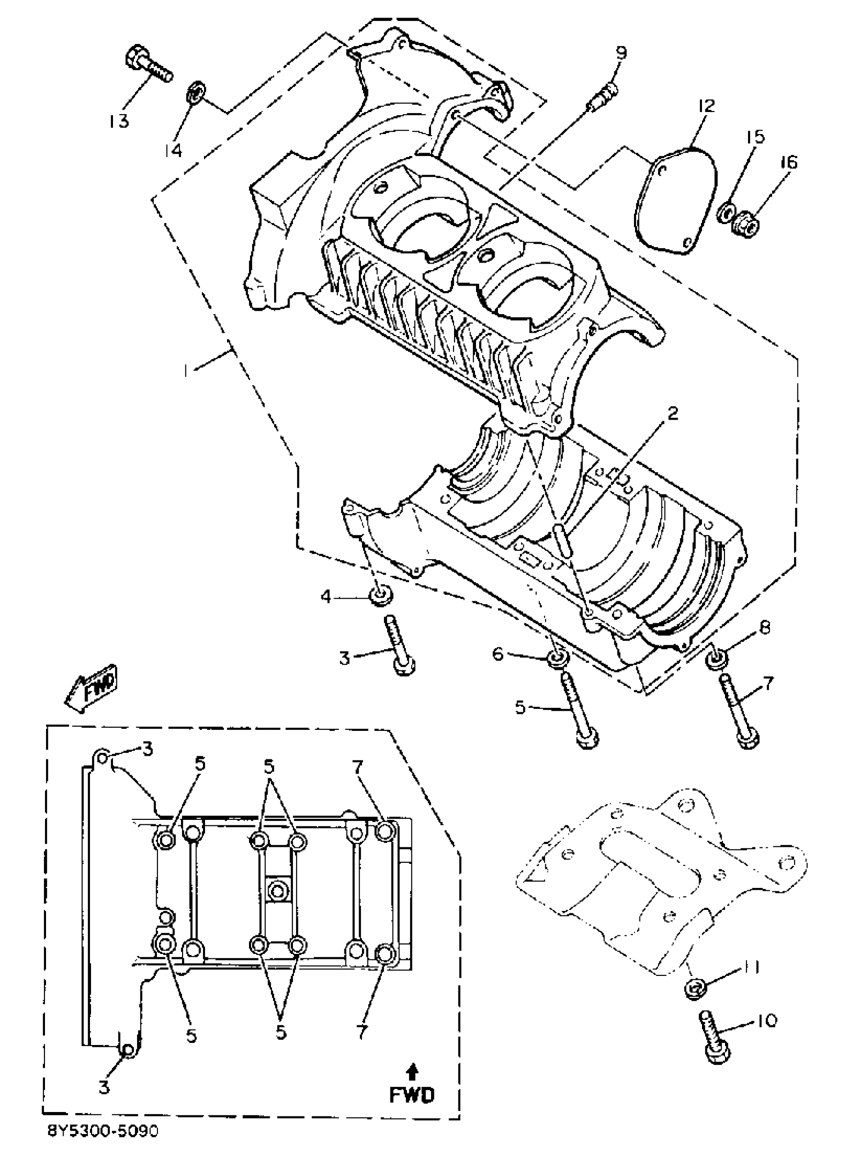
CRANKCASE
Yamaha ET340TRM (ENTICER LTR (LONG TRACK+REVERSE)) 1988 CRANKCASE Diagram
#
Description
Price
1
CRANKCASE ASY
8J9-15100-01-00
Unavailable
4
.. WASHER, PLATE
92990-08600-00
Unavailable
6
.. WASHER, PLATE
92990-08600-00
Unavailable
7
BOLT(6TC)
97027-08070-00
Unavailable
8
.. WASHER, PLATE
92990-08600-00
Unavailable
9
PIPE, JOINT
8G8-24461-00-00
Unavailable
10
BOLT, DOME HEAD
90106-10034-00
Unavailable
12
PLATE
8K4-12633-00-00
Unavailable
15
.. WASHER, PLATE
92990-08600-00
Unavailable
16
NUT, FLANGE
95704-08500-00
Unavailable
